Каталог запасных частей к технике: МАЗ-504В. Электрооборудование

zoom-in zoom-out enlarge shrink circle-right circle-left file-text2 info cart arraw right arraw left zoom out zoom in arraw maximize arraw minimize
1
1
2
3
4
5
5
6
6
6
7
8
9
9
10
11
12
13
14
15
16
17
18
19
20
21
22
23
24
25
25
26
26
27
28
28
29
29
30
31
32
33
34
35
35
36
37
38
39
40
41
42
43
44
45
46
47
48
49
50
51
52
52
52
52
53
54
55
56
57
58
59
60
61
62
63
64
65
66
67
68
69
70
71
72
73
74
75
76
77
78
79
80
81
82
УП101-3726105
Болт
В узле: 4
201420-П29
Болт М6х20
В узле: 3
201452-П29
Болт
В узле: 1
201499-П29
Болт
В узле: 5
210406-П29
Болт
В узле: 2
526-8104210
Вентилятор кабины
В узле: 1
Н-11-27-П29
Винт
В узле: 4
221590-П29
Винт
В узле: 3
220082-П29
Винт
В узле: 12
220103-П29
Винт
В узле: 13
220105-П29
Винт
В узле: 2
220076-П29
Винт
В узле: 4
220086-П29
Винт
В узле: 12
220077-П29
Винт-заглушка
В узле: 6
220079-П29
Винт
В узле: 6
224468-П29
Винт стопорный
В узле: 1
200-3724015
Втулка резиновая
В узле: 2
500-1104540
Втулка
В узле: 3
535А-3724015
Втулка
В узле: 1
535А-3724015
Втулка
В узле: 6
200-3802045
Втулка
В узле: 1
251260-П29
Гайка
В узле: 4
250512-П29
Гайка
В узле: 4
250464-П29
Гайка
В узле: 19
250515-П29
Гайка
В узле: 2
250508-П29
Гайка М6
В узле: 11
509АТ-3724021
Жгут левого заднего фонаря
В узле: 1
5428-3724021
Жгут левого заднего фонаря
В узле: 1
5549-3724021
Жгут левого заднего фонаря
В узле: 1
504В-3724010-26
Жгут основной
В узле: 1
5335-3724010-11
Жгут основной
В узле: 1
504В-3724050-14
Жгут плафонов
В узле: 1
509А-3724030-30
Жгут по лонжерону
В узле: 1
504В-3724030-56
Жгут по лонжерону
В узле: 1
5335-3714030-31
Жгут по лонжерону
В узле: 1
5429-3724030-31
Жгут по лонжерону
В узле: 1
5549-3724030-30
Жгут по лонжерону
В узле: 1
5335-3724086
Жгут подогревателя двигателя
В узле: 1
509АТ-3724026
Жгут правого заднего фонаря
В узле: 1
5428-3724026
Жгут правого заднего фонаря
В узле: 1
5549-3724026
Жгут правого заднего фонаря
В узле: 1
504В-3724008-03
Жгут проводов основной
В узле: 1
509А-3724028
Жгут проводов по лонжерону
В узле: 1
504В-3724028-01
Жгут проводов по лонжерону
В узле: 1
5429-3724028
Жгут проводов по лонжерону
В узле: 1
5549-3724028
Жгут проводов по лонжерону
В узле: 1
Р5245-3724068
Жгут штепселя
В узле: 1
252539-П29
Заклепка
В узле: 2
379173-П29
Кляммер
В узле: 1
379166-П29
Кляммер
В узле: 1
5320-3724085
Колпачок защитный штекерного соединения проводов
В узле: 1
543-3724072
Колпачок защитный
В узле: 1
5320-3724121
Изолятор штекерного наконечника
В узле: 1
5320-3716365
Колпачок защитный штекерного разъема заднего хода
В узле: 2
500-3709024
Колпачок ножного переключателя
В узле: 1
500-3724103
Кронштейн
В узле: 1
500-3723040
Кронштейн .
В узле: 1
500-3724151
Кронштейн
В узле: 1
500-3723060
Кронштейн
В узле: 2
500А-3726036
Кронштейн
В узле: 1
500-3723042-Б
Кронштейн
В узле: 1
5335-3741032
Кронштейн в сборе
В узле: 1
5335-3743132
Кронштейн противотуманной фары в сборе
В узле: 2
А24-1
Лампа
В узле: 7
А24-3
Лампа
В узле: 2
А24-5
Лампа А24-5 ГОСТ 2023-75
В узле: 2
А24-21
Лампа
В узле: 2
500-3709018
Люк ножного переключателя
В узле: 1
191-8104220
Накладка верхнего фланца
В узле: 1
191-8104217
Накладка нижнего фланца
В узле: 1
500-3724047
Обойма уплотнителя
В узле: 1
УП101-3726100
Основание в сборе
В узле: 2
ПП127-3713000-Б
Патроны ламп
В узле: 7
ПМ-2
Плавкие предохранители 2А
В узле: 5
5335-3724188
Провод освещения приборов
В узле: 1
5335-3724189-10
Провод освещения приборов
В узле: 1
504В-3724080-01
Провод отопителя
В узле: 1
500А-3724073-20
Провод питания приборов
В узле: 1
500А-3724023
Провод указателя уровня топлива
В узле: 1
500-3726048
Прокладка
В узле: 2
ФП124-3716203
Прокладка
В узле: 2
500-3723242
Прокладка штепсельной розетки переносной лампы
В узле: 1
504А-3724022
Пучок проводов указателя уровня топлива
В узле: 1
УП101-3726204
Рассеиватель
В узле: 2
191-8104240
Решетка вентилятора задняя в сборе
В узле: 1
191-8104226
Решетка вентилятора передняя в сборе
В узле: 1
379296-П
Скоба
В узле: 1
500-3724048-А
Уплотнитель жгутов проводов
В узле: 1
191-8104222
Стойка кронштейна в сборе
В узле: 1
191-8104219
Фланец кронштейна верхний
В узле: 1
191-8104215
Фланец кронштейна нижний
В узле: 1
5320-3724052
Чехол защитный держателя наружного четырехклемного
В узле: 1
5320-3716017
Чехол защитный штекерного соединения
В узле: 1
252003-П
Шайба
В узле: 4
252133-П2
Шайба
В узле: 35
252155-П2
Шайба
В узле: 1
252136-П2
Шайба
В узле: 2
252003-П29
Шайба
В узле: 24
252004-П29
Шайба
В узле: 1
252136-П29
Шайба пружинная
В узле: 1
375370-П29
Шайба
В узле: 2
252037-П29
Шайба
В узле: 1
Н15-5-П15
Шайба пружинная
В узле: 4
252134-П2
Шайба
В узле: 15
252137-П2
Шайба пружинная
В узле: 2
252133-П29
Шайба
В узле: 6
504В-3800001
Щиток приборов в сборе
В узле: 1
509-3800001-10
Щиток приборов в сборе
В узле: 1
503А-3800001-10
Щиток приборов в сборе
В узле: 1
504А-3800001-10
Щиток приборов в сборе
В узле: 1
ПЖД-44-1015410-Б
Щиток управления подогревателя
В узле: 1
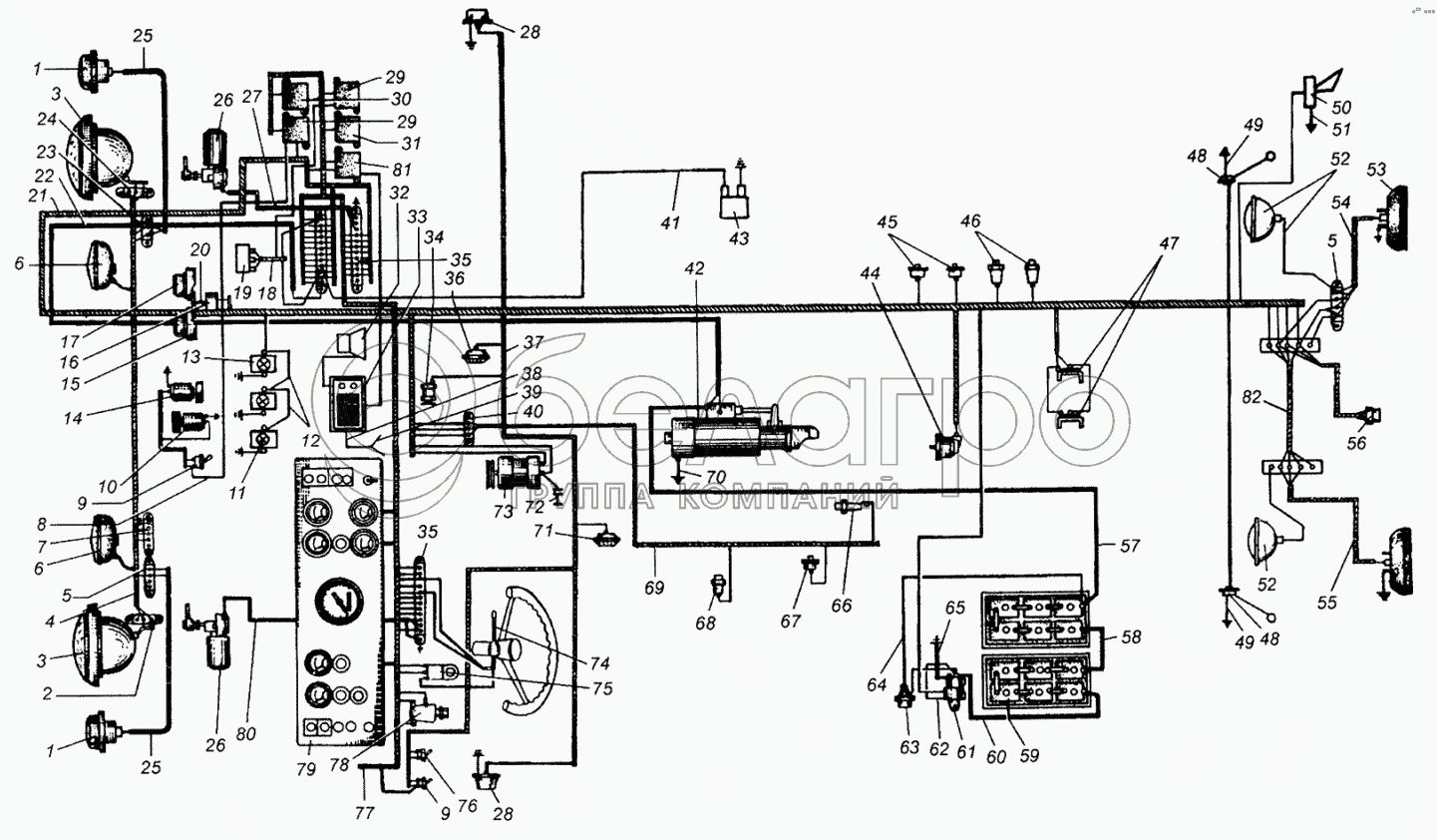
1
ПФ130-3712000-БТ
Подфарник в сборе
В узле: 2
2
ПС1-3723000-А2Т
Панель трехклеммовая соединительная
В узле: 3
3
ФГ-122-3711010-ВВ
Фара
В узле: 2
4
533507-3724044
Жгут фар
В узле: 1
5
ПС2-3723000-А2Т
Панель четырехклеммовая соединительная
В узле: 3
6
ФГ-152-3743010
Фара противотуманная
В узле: 2
7
ПС5-3723000-Т
Панель пятиклеммовая соединительная
В узле: 2
8
500А-3724085-01
Провод отопителя
В узле: 1
9
СК-ВК-26-3720000-А2Т
Включатель приборов, стеклоочистителей и противотуманных фар
В узле: 2
10
МЭ237-3730000-ГТ
Электродвигатель отопителя
В узле: 2
11
А24-3
Лампа
В узле: 3
12
516БТ-3724487
Перемычка сигнальных ламп
В узле: 3
13
ПФ233-3738000-Т
Фонарь сигнальный
В узле: 3
14
МЭ-205-3730000-Г
Электродвигатель вентилятора
В узле: 2
15
С306Г-3721000-Г4Т
Сигнал звуковой в сборе
В узле: 1
16
СК-РС512-3721000-Т
Реле сигналов
В узле: 1
17
С307Г-3721000-Г4Т
Сигнал звуковой в сборе
В узле: 1
18
5549-3724501
Жгут сигнализации
В узле: 1
19
РС512-3721000
Реле сигналов
В узле: 1
20
500АТ-3724114
Провод сигналов
В узле: 1
21
5335-3724028
Жгут проводов по лонжерону
В узле: 1
22
500АТ-3724058-10
Жгут стартера
В узле: 1
23
ПС4-3723000-2АТ
Панель двухклеммовая соединительная
В узле: 2
24
ПС1-3723000-2АТ
Панель трехклеммовая соединительная
В узле: 3
25
542807-3724340-10
Жгут подфарника
В узле: 2
26
СЛ135-5205010-ГТ
Стеклоочиститель электрический СЛ-135
В узле: 2
27
500АТ-3724130
Жгут правого стеклоочистителя
В узле: 1
28
УП101-3726000-БТ
Повторитель боковой указателя поворота
В узле: 2
29
ПР102-3722000-ВТ
Блок предохранителей с плавкими вставками
В узле: 2
30
ПР101-3722000-Т
Блок предохранителей с плоскими вставками в сборе
В узле: 1
31
ПР10-3722000-АТ
Блок предохранителей с плоскими вставками в сборе
В узле: 1
32
ИДЗ-843136-ГТ
Громкоговоритель 4ГД-2
В узле: 1
33
ИД2-021059-ГТ
Радиоприемник А324
В узле: 1
34
МЭ-205-3730000-ГТ
Датчик
В узле: 1
35
ПС12-3723000
Панель двенадцатиклеммовая соединительная
В узле: 3
36
ПК201-3714010-АТ
Плафон освещения кабины
В узле: 1
37
533507-3724050-01
Жгут плафонов
В узле: 1
38
ИД4-850033-ГТ
Кабель антенный
В узле: 1
39
СК-АР105-7903000-Т
Антенна АР 105
В узле: 1
40
ПС4-3723000-А2
Панель двухклеммовая соединительная
В узле: 2
41
5549-3724500-10
Жгут сигнализации заднего хода
В узле: 1
42
СТ103А-3708О00-01
Стартер в сборе
В узле: 1
43
ВК-403-3716000
Выключатель сигнала заднего хода
В узле: 1
44
МЭ307-3730000-ГТ
Датчик спидометра
В узле: 1
45
ММ355-3829010-Т
Датчик указателя давления масла и воздуха
В узле: 2
46
ММ124-3810600-ГТ
Датчик аварийного давления воздуха
В узле: 2
47
СБ131-3720010-А2
Включатель сигнала «Стоп»
В узле: 2
48
СК-БМ127-3806600-АТ
Датчик указателя уровня топлива
В узле: 2
49
500Т-3724060-А
Провод массы
В узле: 2
50
С314Г-3721000
Сигнал (уст. с 1988 г.)
В узле: 1
51
503А-3724502
Провод массы сигнала заднего хода
В узле: 1
52
509Т-3727008
Фара поворотная с держателем в сборе
В узле: 2
53
ФП130-3716010-ГТ
Фонарь задний правый в сборе
В узле: 1
54
5335-3724026
Жгут правого заднего (фонаря
В узле: 1
55
5335-3724021-10
Жгут левого заднего фонаря и розетки
В узле: 1
56
ПС300А-3723100-Т
Розетка штепсельная
В узле: 1
57
504Т-2724062-Ж
Провод стартера
В узле: 1
58
500Т-3724057-Д
Перемычка батарей
В узле: 1
59
6СТ-182ЭМС
Батарея аккумуляторная
В узле: 2
60
500Т-3724069-В
Провод выключателя массы от аккумуляторной батареи
В узле: 1
61
ВК860Б-3737000-Т
Выключатель массы батарей
В узле: 1
62
500АТ-3724051
Провод массы
В узле: 1
63
ПС400-3723200-ГТ
Розетка штепсельная переносной лампы
В узле: 1
64
500АТ-3724039-10
Провод розетки переносной лампы
В узле: 1
65
533507-3724071-01
Провод соединения кабины и двигателя с массой
В узле: 1
66
ТМ100-3808000-ГТ
Датчик указателя температуры воды
В узле: 1
67
ММ355-3829010-Т
Датчик указателя давления масла и воздуха
В узле: 1
68
ММ111А-3810600-ГТ
Датчик аварийного давления масла
В узле: 1
69
533507-3724161-20
Жгут двигателя
В узле: 1
70
533507-3724071-01
Провод соединения кабины и двигателя с массой
В узле: 1
71
ПК201-3714010-АТ
Плафон освещения кабины
В узле: 1
72
11.7904000
Фильтр конденсаторный
В узле: 1
73
Г273-3701000
Генератор в сборе
В узле: 1
74
СК-П110Т-3709000-А
Переключатель указателя поворота
В узле: 1
75
РС401-3726000-ГТ
Реле-прерыватель
В узле: 1
76
СК-ВК24-3720000-АТ
Переключатель плафонов, отопителя и топливных баков
В узле: 3
77
533507-3724008
Жгут проводов основной
В узле: 1
78
СК-П39-3710000-Т
Переключатель света ножной
В узле: 1
79
500А-3800001-10
Щиток приборов в сборе
В узле: 1
80
5335-3724131
Жгут левого стеклоочистителя
В узле: 1
81
ПР102-3722000-БТ
Блок предохранителей с плавкими вставками в сборе
В узле: 2
82
509АТ-3724102-10
Жгут задних фонарей и поворотных фар
В узле: 1
Содержащиеся в справочниках-каталогах запасные части и детали не предлагаются к продаже, а носят исключительно информационный характер

Ваша заявка была отправлена. В ближайшее время наши специалисты с Вами свяжутся по указанному Вами телефону.

Представьтесь
Поле обязательно для заполнения
Ваш телефон
Введите правильный номер телефона
E-mail
Введите правильный e-mail
Тема
Тема
применяемость финансирование доставка цена, наличие другое сервис и гарантия
Время для звонка
08:00
08:00 09:00 10:00 11:00 12:00 13:00 14:00 15:00 16:00 17:00 18:00 19:00
19:00
08:00 09:00 10:00 11:00 12:00 13:00 14:00 15:00 16:00 17:00 18:00 19:00

Мы постараемся перезвонить в указанное время

Если вы не хотите ждать, то звоните нашим вежливым консультантам:

8 800 100-2-700
Подтвердите, что вы не робот
Подтвердите, что вы не робот
Спасибо!

Ваше сообщение успешно отправлено!

ЗакрытьПовторить попытку