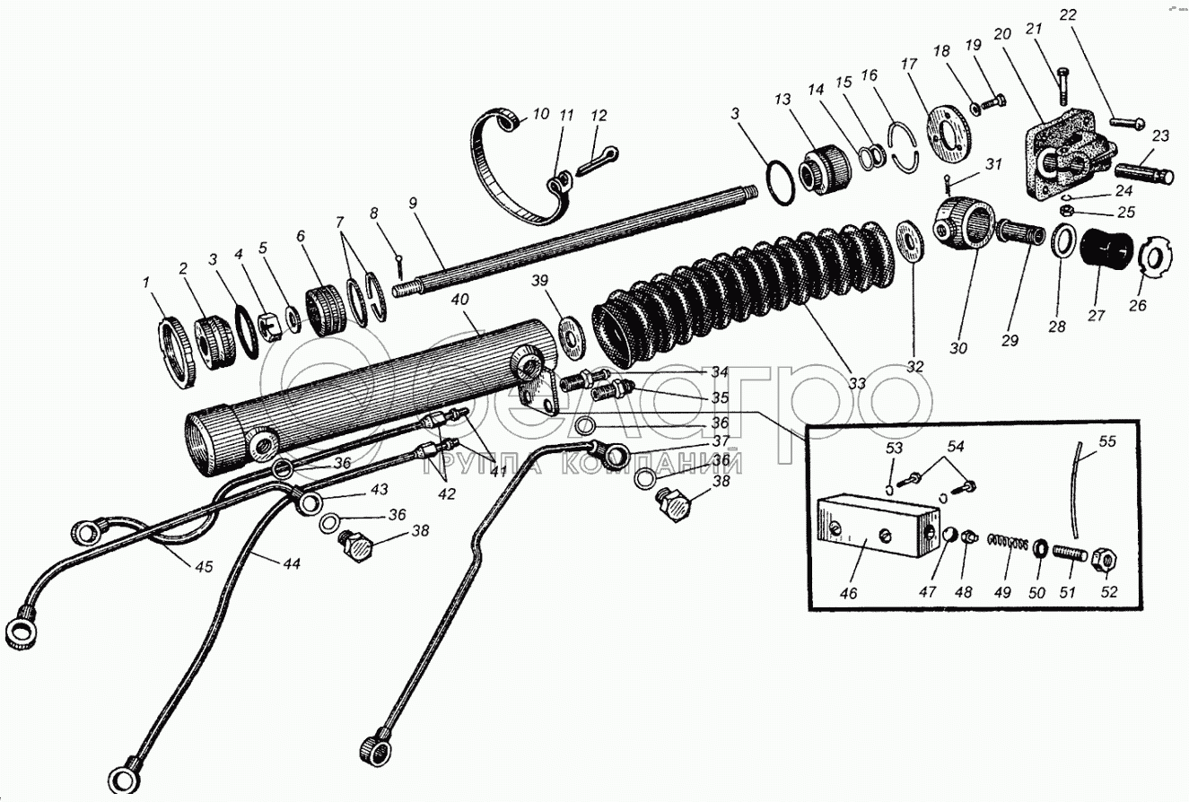
Каталог запасных частей к технике: МАЗ-504В. Гидроусилитель рулевого управления

zoom-in zoom-out enlarge shrink circle-right circle-left file-text2 info cart arraw right arraw left zoom out zoom in arraw maximize arraw minimize
1
2
3
3
4
5
6
7
7
8
9
10
11
12
13
14
15
16
17
18
19
20
21
22
23
24
25
26
27
28
29
30
31
32
33
34
35
36
36
36
36
37
38
38
39
40
41
42
43
44
45
46
47
48
49
50
51
52
53
54
55
14
020-025-30-2-2
Кольцо
В узле: 2
020-025-30-2-2 Кольцо уплотнительное, Беларусь >10 шт. 21.53 р.
27
500А-2905410
Буфер
В узле: 2
500А-2905410 Втулка амортизатора (одинарная) <10 шт. 93.01 р.
258255-П29
Шплинт-проволока болта крышки заднего подшипника первичного вала
В узле: 1
503-3405026
Цилиндр гидроусилителя
В узле: 1
503-3405184-Б
Трубка от распределителя к цилиндру короткая
В узле: 1
503-3405183-Б
Трубка от распределителя к цилиндру длинная
В узле: 1
503-3405189-Б
Трубка от насоса к распределителю
В узле: 1
503-3405177-Б
Трубка от гидроусилителя руля на слив
В узле: 1
503-3405038-А
Поршень в сборе
В узле: 1
503-3405186-Б
Наконечник трубопровода
В узле: 6
314802-П
Муфта конусная
В узле: 2
500-3405112
Клапан в сборе
В узле: 1
503-3405010-А1
Гидроусилитель в сборе
В узле: 1
1
503-3405282
Гайка
В узле: 1
2
503-3405028
Пробка цилиндра передняя
В узле: 1
3
Н1-52х45-2
Кольцо резиновое
В узле: 2
4
250978-П29
Гайка
В узле: 2
5
252016-П29
Шайба
В узле: 2
6
503-3405042-Б
Поршень
В узле: 1
7
120-3509164-Б
Кольцо компрессионное
В узле: 2
7
200-3509164
"Кольцо компрессионное (применяется один из вариантов:120-3509164-А, 200-3509164)"
В узле: 2
8
258040-П29
Шплинт
В узле: 2
9
503-3405046-Б
Шток гидроусилителя
В узле: 2
10
401820-П29
Лента стяжная
В узле: 1
11
297580-П29
Пряжка хомутика
В узле: 1
12
297575-П29
Шплинт
В узле: 1
13
503-3405058
Пробка цилиндра задняя
В узле: 2
15
503-3405120
Кольцо защитное
В узле: 2
16
503-3405304
Кольцо стопорное
В узле: 2
17
503-3405302
Шайба ограничительная
В узле: 1
18
252154-П2
Шайба пружинная
В узле: 3
19
201418-П29
Болт
В узле: 3
20
503-3405190-Б
Кронштейн задней опоры
В узле: 1
21
200320-П29
Болт
В узле: 1
22
256906-П
Заклепка
В узле: 4
23
503-3405192
Палец задней опоры
В узле: 1
24
252156-П2
Шайба пружинная
В узле: 1
25
250512-П29
Гайка
В узле: 1
26
503-3405200
Гайка специальная
В узле: 1
28
503-3405194
Шайба
В узле: 2
29
503-3405196
Втулка головки
В узле: 2
30
500-2905462-А
Головка
В узле: 2
31
258632
Штифт
В узле: 1
32
503-3405095-А
Шайба
В узле: 2
33
503-3405096-А
Муфта защитная
В узле: 2
34
401507-П29
Ниппель
В узле: 1
35
379494-П29
Ниппель
В узле: 1
36
018-022-2-2
Кольцо уплотнительное
В узле: 12
37
503-3405181-А
Трубка от'распределителя к цилиндру длинная в сборе
В узле: 1
38
503-3405188
Болт приводной
В узле: 6
39
503-3405094
Шайба защитная
В узле: 2
40
503-3405023
Цилиндр гидроусилителя руля
В узле: 1
41
314612-П29
Штуцер ввертной
В узле: 2
42
314708-П29
Гайка соединительная
В узле: 2
43
503-3405182-А
Трубка от распределителя к цилиндру короткая в сборе
В узле: 1
44
503-3405185-Б
Трубка от насоса к распределителю в сборе
В узле: 1
45
503-3405176-Б
Трубка от гидроусилителя руля на слив в сборе
В узле: 1
46
500-3405114
Корпус клапана
В узле: 1
47
201-1114092
Шарик
В узле: 1
48
504Б-8607039-Б
Опора шарика
В узле: 1
49
504Б-8607040-12
Пружина редукционного клапана
В узле: 1
50
016-20-25-2-2
Кольцо резиновое
В узле: 1
51
401066-П29
Винт
В узле: 1
52
250636-П29
Гайка
В узле: 1
53
252135-П2
Шайба
В узле: 2
54
201454-П29
Болт
В узле: 2
55
258227-П29
Шплинт-проволока
В узле: 1
Содержащиеся в справочниках-каталогах запасные части и детали не предлагаются к продаже, а носят исключительно информационный характер

Ваша заявка была отправлена. В ближайшее время наши специалисты с Вами свяжутся по указанному Вами телефону.

Представьтесь
Поле обязательно для заполнения
Ваш телефон
Введите правильный номер телефона
E-mail
Введите правильный e-mail
Тема
Тема
применяемость финансирование доставка цена, наличие другое сервис и гарантия
Время для звонка
08:00
08:00 09:00 10:00 11:00 12:00 13:00 14:00 15:00 16:00 17:00 18:00 19:00
19:00
08:00 09:00 10:00 11:00 12:00 13:00 14:00 15:00 16:00 17:00 18:00 19:00

Мы постараемся перезвонить в указанное время

Если вы не хотите ждать, то звоните нашим вежливым консультантам:

8 800 100-2-700
Подтвердите, что вы не робот
Подтвердите, что вы не робот
Спасибо!

Ваше сообщение успешно отправлено!

ЗакрытьПовторить попытку