Каталог запасных частей к технике: МАЗ-504В. Прибор буксирный МАЗ-5335

zoom-in zoom-out enlarge shrink circle-right circle-left file-text2 info cart arraw right arraw left zoom out zoom in arraw maximize arraw minimize
1
2
3
4
5
6
7
8
9
10
11
12
13
14
15
16
17
18
19
20
20
21
22
23
24
25
26
27
28
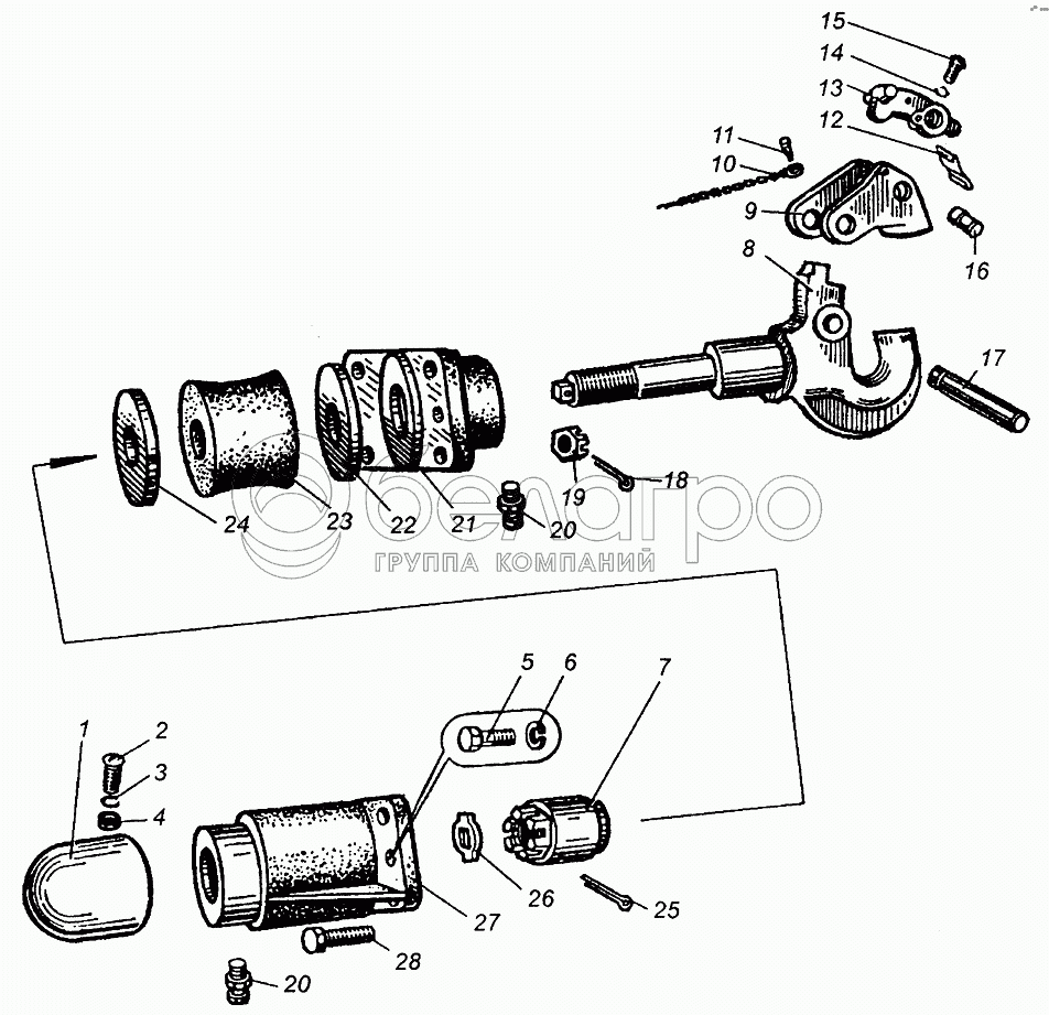
258087-П
Шплинт разводной
В узле: 1
200-2805023-А
Цепь шплинта защелки буксирного прибора в сборе
В узле: 1
200-2805017
Собачка защелки буксирного прибора в сборе
В узле: 1
200-2805037-А
Пластина крепления цепи шплинта
В узле: 1
500А-2805012-10
Крюк буксирный в сборе
В узле: 1
5206-2805024-10
Кольцо цепи шплинта
В узле: 1
500А-2805002
Буксирный прибор в сборе
В узле: 1
1
500-2805078
Чехол гайки буксирного крюка
В узле: 1
2
220103-П29
Винт
В узле: 2
3
252134-П2
Шайба
В узле: 2
4
252004-П29
Шайба
В узле: 2
5
201499-П29
Болт
В узле: 4
6
252136-П2
Шайба
В узле: 4
7
500А-2805080-01
Гайка прорезная
В узле: 1
8
500А-2805014-11
Крюк буксирный
В узле: 1
9
200-2805016-Б1
Защелка буксирного прибора
В узле: 1
10
200-2805022-В
Цепь шплинта защелки буксирного прибора в сборе
В узле: 1
11
370807-П29
Болт стопорный
В узле: 1
12
200-2805019
Пружина
В узле: 1
13
200-2805018-А
Собачка защелки буксирного прибора
В узле: 1
14
252135-П29
Шайба пружинная
В узле: 1
15
201460-П29
Болт
В узле: 1
16
200-2805020
Ось собачки
В узле: 1
17
200-2805021-Б
Ось защелки
В узле: 1
18
258056-П29
Шплинт
В узле: 4
19
374906-П29
Гайка
В узле: 4
20
264020-П8
Пресс-масленка
В узле: 2
21
500А-2805070
Крышка корпуса буксирного крюка
В узле: 1
22
500А-2805076
Фланец буксирного крюка
В узле: 2
23
500А-2805074
Буфер буксирного крюка
В узле: 2
24
500А-2805076
Фланец буксирного крюка
В узле: 2
25
258086-П29
Шплинт
В узле: 1
26
500А-2805081
Шайба стопорная
В узле: 1
27
500А-2805072
Корпус буксирного крюка
В узле: 1
28
205655-П29
Болт
В узле: 2
Содержащиеся в справочниках-каталогах запасные части и детали не предлагаются к продаже, а носят исключительно информационный характер

Ваша заявка была отправлена. В ближайшее время наши специалисты с Вами свяжутся по указанному Вами телефону.

Представьтесь
Поле обязательно для заполнения
Ваш телефон
Введите правильный номер телефона
E-mail
Введите правильный e-mail
Тема
Тема
применяемость финансирование доставка цена, наличие другое сервис и гарантия
Время для звонка
08:00
08:00 09:00 10:00 11:00 12:00 13:00 14:00 15:00 16:00 17:00 18:00 19:00
19:00
08:00 09:00 10:00 11:00 12:00 13:00 14:00 15:00 16:00 17:00 18:00 19:00

Мы постараемся перезвонить в указанное время

Если вы не хотите ждать, то звоните нашим вежливым консультантам:

8 800 100-2-700
Подтвердите, что вы не робот
Подтвердите, что вы не робот
Спасибо!

Ваше сообщение успешно отправлено!

ЗакрытьПовторить попытку