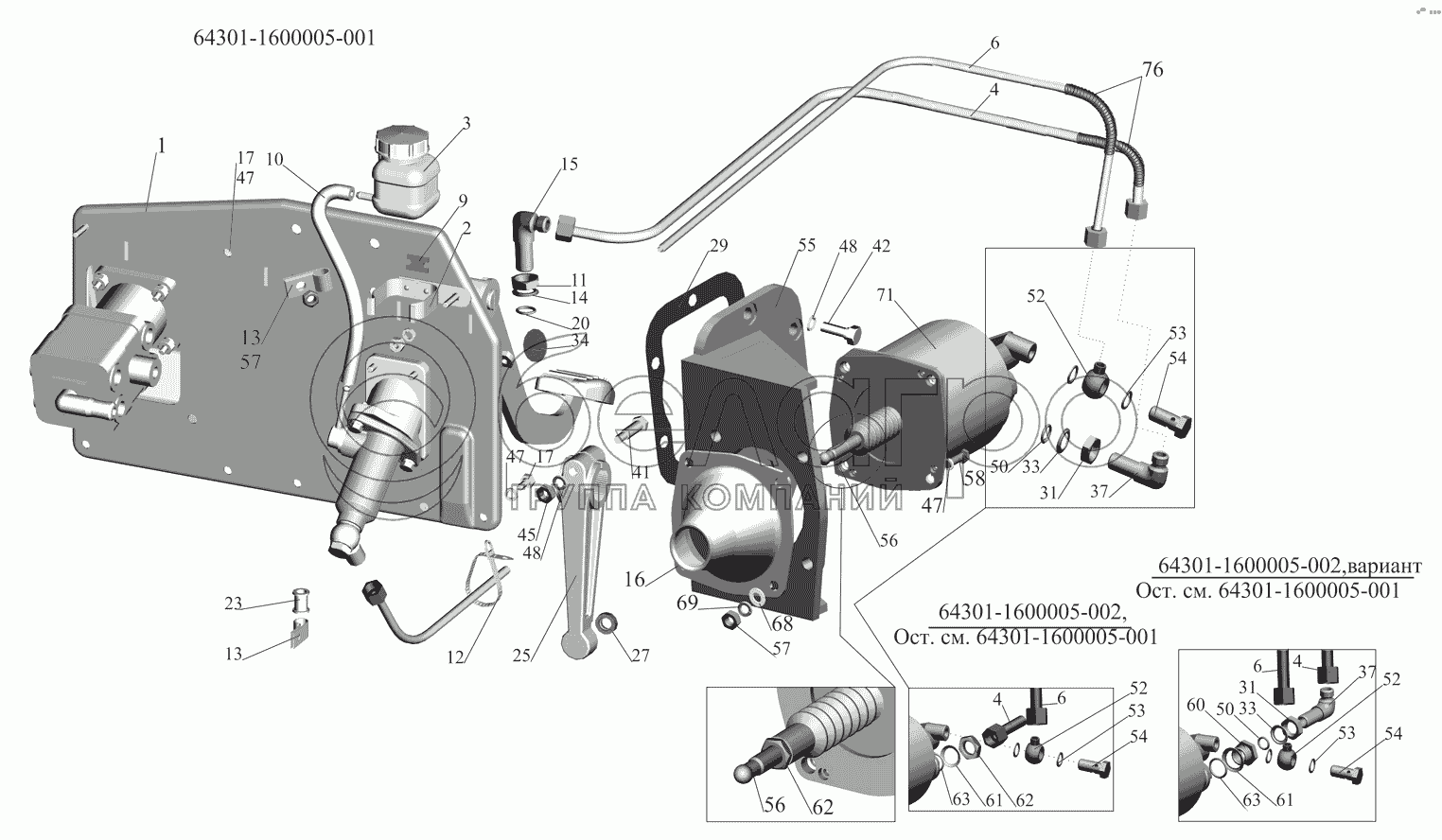
Каталог запасных частей к технике: МАЗ-530905. Установка механизма управления сцеплением

zoom-in zoom-out enlarge shrink circle-right circle-left file-text2 info cart arraw right arraw left zoom out zoom in arraw maximize arraw minimize
64301-1600005-001
64301-1600005-001
64301-1600005-001
64301-1600005-002
64301-1600005-002
1
2
3
3
4
4
4
6
6
6
9
10
11
12
13
13
14
15
16
17
17
20
23
25
27
29
31
31
33
33
34
37
37
37
41
42
45
47
47
47
48
48
50
50
52
52
52
53
53
53
54
54
54
55
56
56
56
57
57
58
60
61
61
62
62
68
69
71
71
76
64301-1600005-001
Механизм управления сцеплением
В узле: ---
64301-1600005-002
Механизм управления сцеплением
В узле: ---
1
64301-1602004
Блок управления сцеплением
В узле: 1
2
64226-1602198
Кронштейн
В узле: 1
3
64221-1602560
Бачок
В узле: 1
3
2101-1602560-00
Бачок
В узле: 1
4
64229-1602940-030
Трубка
В узле: 1
6
54323-3506146-10
Трубка
В узле: 1
9
64226-1602400
Пластина
В узле: 1
10
6430-1602908
Шланг L = 300(+5) мм, рукав 6-14-168
В узле: 1
11
374614
Гайка М12х1,5-5Н6Н
В узле: 1
12
6430-3724624
Хомут
В узле: 10
13
379173
Кляммер
В узле: 2
14
375818
Шайба 12
В узле: 1
15
402952
Угольник
В узле: 1
16
64301-1602902
Фартук
В узле: 1
17
201454
Болт М8-6gх16
В узле: 5
20
010-014-25-2-3
Кольцо
В узле: 1
23
500-1104542
Втулка
В узле: 1
25
64229-1602832-030
Рычаг
В узле: 1
27
6430-1609517
Уплотнитель
В узле: 1
29
205-4202018
Прокладка
В узле: 1
31
250636
Гайка М16х1,5-6Н
В узле: 1
33
375960
Шайба 16
В узле: 2
34
378946
Заглушка М30х1,5
В узле: 1
37
404304
Штуцер
В узле: 1
37
402984
Угольник
В узле: 1
41
200320
Болт М10-6gх55
В узле: 1
42
201497
Болт М10-6gх25
В узле: 6
45
250512
Гайка М10-6Н
В узле: 1
47
252135
Шайба 8Т
В узле: 7
48
252156
Шайба 10Л
В узле: 7
50
014-018-25-2-3
Кольцо
В узле: 1
52
4370-1104514
Угольник поворотный
В узле: 1
53
64226-1104516
Прокладка
В узле: 2
54
64226-1104518
Переходник
В узле: 1
55
64229-1602715-030
Кронштейн
В узле: 1
56
6430-1609241-010
Шток
В узле: 1
56
64229-1609241-010
Шток
В узле: 1
57
250510
Гайка М8-6Н
В узле: 7
58
201460
Болт М8-6gх30
В узле: 4
60
374895
Гайка переходная
В узле: 1
61
376145
Шайба 22
В узле: 1
62
374542
Гайка М12х1,25-5Н6Н
В узле: 1
68
252005
Шайба 8
В узле: 1
69
252155
Шайба 8Л
В узле: 1
71
VG3268
Усилитель сцепления фирмы КNОRR-ВRЕМSЕ
В узле: 1
71
970 051 4370
Усилитель пневмогидравлический
В узле: 1
76
1960010
Трубка гофрированная
В узле: 2
Содержащиеся в справочниках-каталогах запасные части и детали не предлагаются к продаже, а носят исключительно информационный характер

Ваша заявка была отправлена. В ближайшее время наши специалисты с Вами свяжутся по указанному Вами телефону.

Представьтесь
Поле обязательно для заполнения
Ваш телефон
Введите правильный номер телефона
E-mail
Введите правильный e-mail
Тема
Тема
применяемость финансирование доставка цена, наличие другое сервис и гарантия
Время для звонка
08:00
08:00 09:00 10:00 11:00 12:00 13:00 14:00 15:00 16:00 17:00 18:00 19:00
19:00
08:00 09:00 10:00 11:00 12:00 13:00 14:00 15:00 16:00 17:00 18:00 19:00

Мы постараемся перезвонить в указанное время

Если вы не хотите ждать, то звоните нашим вежливым консультантам:

8 800 100-2-700
Подтвердите, что вы не робот
Подтвердите, что вы не робот
Спасибо!

Ваше сообщение успешно отправлено!

ЗакрытьПовторить попытку