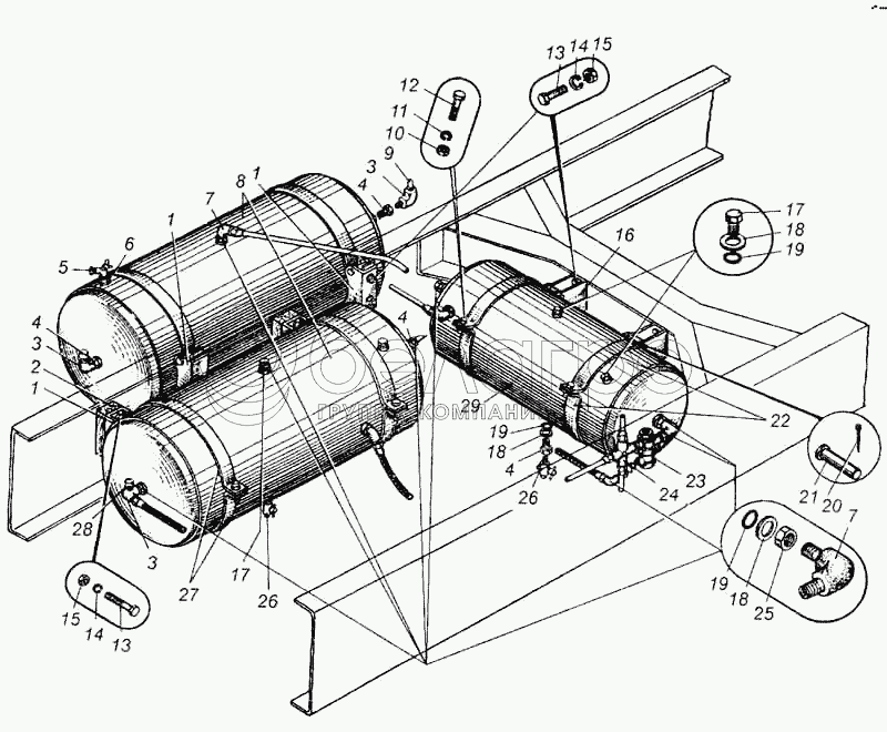
Каталог запасных частей к технике: МАЗ-5335. Крепление воздушных баллонов автомобиля МАЗ-5335

zoom-in zoom-out enlarge shrink circle-right circle-left file-text2 info cart arraw right arraw left zoom out zoom in arraw maximize arraw minimize
1
1
1
2
3
3
3
4
4
4
4
5
6
7
7
8
9
10
11
12
13
13
14
14
15
15
16
17
17
18
18
18
19
19
19
20
21
22
23
24
25
26
26
27
28
29
19
020-025-30-2-2
Кольцо
В узле: 11
020-025-30-2-2 Кольцо уплотнительное, Беларусь >10 шт. 21.89 р.
120-3506365-А2
Стержень крана отбора воздуха в сборе
В узле: 1
120-3506353-Б
Корпус крана отбора воздуха
В узле: 1
1
500А-3513078
Кронштейн
В узле: 4
2
500А-3513035
Прокладка воздушного баллона
В узле: 4
3
402732-П29
Угольник
В узле: 3
4
374935-П29
Гайка переходная
В узле: 4
5
120-3506350-А1
Кран отбора воздуха в сборе
В узле: 1
6
374934-П29
Гайка переходная
В узле: 1
7
402776-П29
Угольник
В узле: 4
8
6303-3513015
Ресивер А40-280
В узле: 2
9
ММ124-3810600-ГТ
Датчик аварийного давления воздуха
В узле: 2
10
250319-П29
Гайка
В узле: 6
11
252136-П2
Шайба
В узле: 6
12
371686-П29
Болт
В узле: 6
13
201551-П29
Болт
В узле: 12
14
252137-П2
Шайба пружинная
В узле: 12
15
250514-П29
Гайка
В узле: 12
16
509-3513081
Кронштейн
В узле: 2
17
378609-П29
Пробка
В узле: 3
18
376145-П29
Шайба
В узле: 11
20
258053-П29
Шплинт
В узле: 12
21
260092-П52
Палец
В узле: 12
22
500А-3513036
Хомут
В узле: 4
23
100-3515110
Клапан защитный двойной в сборе
В узле: 1
24
379772-П29
Крестовина
В узле: 1
25
374939-П29
Гайка
В узле: 4
26
КР2-1305000-Г4
Краник спускной
В узле: 3
27
514-3513039
Хомут
В узле: 8
28
ММ355-3829010-Т
Датчик указателя давления масла и воздуха
В узле: 3
29
5336-3513015
Ресивер
В узле: 1
Содержащиеся в справочниках-каталогах запасные части и детали не предлагаются к продаже, а носят исключительно информационный характер

Ваша заявка была отправлена. В ближайшее время наши специалисты с Вами свяжутся по указанному Вами телефону.

Представьтесь
Поле обязательно для заполнения
Ваш телефон
Введите правильный номер телефона
E-mail
Введите правильный e-mail
Тема
Тема
применяемость финансирование доставка цена, наличие другое сервис и гарантия
Время для звонка
08:00
08:00 09:00 10:00 11:00 12:00 13:00 14:00 15:00 16:00 17:00 18:00 19:00
19:00
08:00 09:00 10:00 11:00 12:00 13:00 14:00 15:00 16:00 17:00 18:00 19:00

Мы постараемся перезвонить в указанное время

Если вы не хотите ждать, то звоните нашим вежливым консультантам:

8 800 100-2-700
Подтвердите, что вы не робот
Подтвердите, что вы не робот
Спасибо!

Ваше сообщение успешно отправлено!

ЗакрытьПовторить попытку