Каталог запасных частей к технике: МАЗ-5335. Насос масляный

zoom-in zoom-out enlarge shrink circle-right circle-left file-text2 info cart arraw right arraw left zoom out zoom in arraw maximize arraw minimize
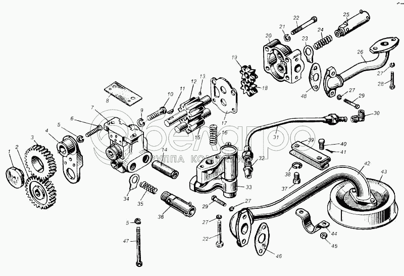
1
2
3
4
5
5
6
7
8
9
10
11
12
13
14
15
16
16
17
18
19
20
21
22
22
23
24
25
26
27
27
27
27
28
29
29
30
31
32
33
34
35
36
37
38
39
40
41
42
42
42
43
44
45
46
47
236-1011014-В
Масляный насос в сборе
В узле: 1
236-1011359-Б
Клапан сливной системы смазки в сборе
В узле: 1
236-1011057-Б
Пружина сливного клапана
В узле: 1
1
236-1011217-Б
Фланец упорный
В узле: 1
2
236-1011230
Шестерня привода масляного насоса ведомая
В узле: 1
3
236-1011202
Шестерня привода масляного насоса промежуточная в сборе
В узле: 1
4
236-1011207-Б
Ось промежуточной шестерни в сборе
В узле: 1
5
252136-П2
Шайба
В узле: 5
6
310004-П2
Болт крепления упорного фланца
В узле: 1
7
236-1011015-В
Корпус нагнетающей секции масляного насоса в сборе
В узле: 1
8
236-1011380
Прокладка регулировочная
В узле: 1
9
252137-П2
Шайба пружинная
В узле: 2
10
310253-П2
Болт крепления оси
В узле: 2
11
314005-П2
Шпонка сегментная
В узле: 1
12
236-1011040-Б
Шестерня нагнетающей секции ведущая в сборе
В узле: 1
13
201-1015434
Шарик стопорный
В узле: 1
14
236-1011352-В
Трубка нагнетающей секции отводящая
В узле: 1
15
236-1011030-Б
Шестерня нагнетающей секции ведомая в сборе
В узле: 1
16
240-1011057
Пружина дифференциального клапана
В узле: 1
17
236-1011049
Проставка масляного насоса
В узле: 1
18
236-1011114
Шестерня радиаторной секции ведомая
В узле: 1
19
236-1011100
Шестерня радиаторной секции ведущая
В узле: 1
20
236-1011019-В
Корпус радиаторной секции
В узле: 1
21
252135-П2
Шайба
В узле: 12
22
200270-П2
Болт М8х55
В узле: 6
23
312559-П2
Шайба предохранительного клапана радиаторной секции замковая
В узле: 1
24
236-1011368-Б
Пружина предохранительного клапана радиаторной секции
В узле: 1
25
236-1011363-Б
Клапан радиаторной секции предохранительный в сборе
В узле: 1
26
236-1011420-В
Трубка радиаторной секции отводящая
В узле: 1
27
312533-П15
Шайба замковая
В узле: 10
28
201457-П2
Болт
В узле: 2
29
201458-П29
Болт
В узле: 4
30
314537-П29
Угольник ввертной
В узле: 1
31
236-1011098-Б3
Труба дифференциального клапана
В узле: 1
32
314612-П2
Штуцер
В узле: 1
33
236-1011056-А
Клапан дифференциальный в сборе
В узле: 1
34
312571-П2
Шайба сливного клапана замковая
В узле: 1
35
236-1011058-Б
Пружина редукционного клапана нагнетающей секции
В узле: 1
36
236-1011048-Б
Клапан нагнетающей секции редукционный в сборе
В узле: 1
37
201495-П2
Болт
В узле: 2
38
312534-П2
Шайба замковая
В узле: 2
39
236-1011320
Кронштейн крепления всасывающей трубки
В узле: 1
40
310248-П2
Болт М8х1-6gх18
В узле: 2
41
258013-П29
Шплинт
В узле: 2
42
236-1011398-В
Трубка с заборником в сборе всасывающая
В узле: 1
42
238-1011398-В
Трубка с заборником в сборе всасывающая
В узле: 1
43
236-1011358
Прокладка фланца
В узле: 3
43
204А-1011304-Б
Чашка заборника
В узле: 1
44
236-1011322
Скоба крепления всасывающей трубки
В узле: 1
45
250975-П2
Гайка
В узле: 2
46
236-1011296
Прокладка переднего фланца
В узле: 1
47
310254-П2
Болт
В узле: 2
Содержащиеся в справочниках-каталогах запасные части и детали не предлагаются к продаже, а носят исключительно информационный характер

Ваша заявка была отправлена. В ближайшее время наши специалисты с Вами свяжутся по указанному Вами телефону.

Представьтесь
Поле обязательно для заполнения
Ваш телефон
Введите правильный номер телефона
E-mail
Введите правильный e-mail
Тема
Тема
применяемость финансирование доставка цена, наличие другое сервис и гарантия
Время для звонка
08:00
08:00 09:00 10:00 11:00 12:00 13:00 14:00 15:00 16:00 17:00 18:00 19:00
19:00
08:00 09:00 10:00 11:00 12:00 13:00 14:00 15:00 16:00 17:00 18:00 19:00

Мы постараемся перезвонить в указанное время

Если вы не хотите ждать, то звоните нашим вежливым консультантам:

8 800 100-2-700
Подтвердите, что вы не робот
Подтвердите, что вы не робот
Спасибо!

Ваше сообщение успешно отправлено!

ЗакрытьПовторить попытку