Каталог запасных частей к технике: МАЗ-5335. Привод пневматический тормозов автомобиля МАЗ-5549

zoom-in zoom-out enlarge shrink circle-right circle-left file-text2 info cart arraw right arraw left zoom out zoom in arraw maximize arraw minimize
1
2
3
4
5
6
7
8
8
8
8
9
10
11
12
13
14
15
15
16
17
17
18
19
19
20
20
21
21
22
23
24
25
25
25
26
27
28
29
30
31
32
32
33
33
34
35
36
37
38
39
40
41
42
43
44
44
44
45
46
47
48
49
50
51
52
53
54
55
56
57
58
59
60
33
020-025-30-2-2
Кольцо
В узле: 3
020-025-30-2-2 Кольцо уплотнительное, Беларусь >10 шт. 21.53 р.
008-011-19-2-2
Кольцо
В узле: 4
008-011-19-2-2 Кольцо уплотнительное, Беларусь Под заказ 10.30 р.
375010-П29
Гайка
В узле: 1
201424-П29
Болт
В узле: 2
379762-П29
Угольник конечный
В узле: 2
120-3506365-А2
Стержень крана отбора воздуха в сборе
В узле: 1
5335-3512002
Регулятор давления с кронштейном в сборе
В узле: 1
012-016-25-2-2
Кольцо резиновое
В узле: 6
120-3506353-Б
Корпус крана отбора воздуха
В узле: 1
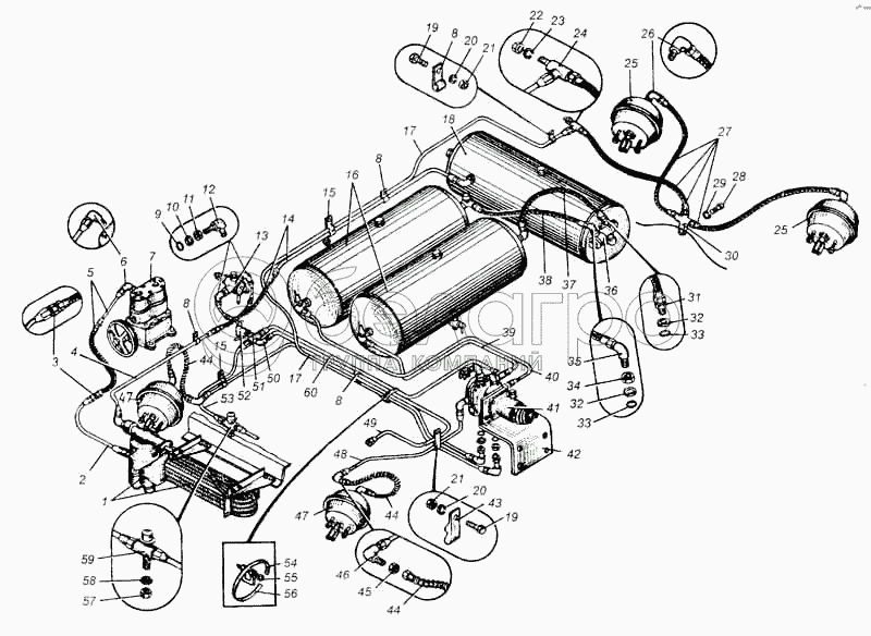
1
11.3511010
Влагоотделитель в сборе
В узле: 1
2
533507-3506178
Трубка от компрессора к влагоотделителю в сборе
В узле: 1
3
379501-П29
Ниппель
В узле: 1
4
5335-3506142
Трубка от влагоотделителя к регулятору давления со шлангом в сборе
В узле: 1
5
533507-3506197
Трубка от компрессора к влагоотделителю со шлангом в сборе
В узле: 1
6
379652-П29
Угольник воздухопровода
В узле: 1
7
500-3509015-Б1
Компрессор в сборе
В узле: 1
8
315407-П29
Кляммер воздухопровода
В узле: 4
32
376145-П29
Шайба
В узле: 3
34
374939-П29
Гайка
В узле: 3
12
402776-П29
Угольник
В узле: 1
13
11.3512010
Регулятор давления с предохранительным клапаном в сборе
В узле: 1
14
5549-3506148
Трубка от регулятора давления к воздушному баллону со шлангом в сборе
В узле: 1
15
379696-П2
Кляммер
В узле: 1
16
6303-3513015
Ресивер А40-280
В узле: 2
17
5549-3506289
Трубка от тормозного крана к задним тормозным камерам в сборе
В узле: 1
18
5336-3513015
Ресивер
В узле: 1
19
201420-П29
Болт М6х20
В узле: 4
20
252134-П2
Шайба
В узле: 6
21
250508-П29
Гайка М6
В узле: 6
57
250512-П29
Гайка
В узле: 1
58
252136-П2
Шайба
В узле: 1
24
402774-П29
Тройник
В узле: 1
25
500-3519110-01
Тормозная камера задняя в сборе
В узле: 2
25
500-3519110
Тормозная камера задняя в сборе
В узле: 2
26
379650-П29
Угольник конечный
В узле: 2
27
500-3506098
Тройник со шлангами к задним тормозным камерам в сборе
В узле: 1
28
201495-П29
Болт
В узле: 1
30
500-3506293-10
Тройник
В узле: 1
31
404314-П29
Штуцер
В узле: 1
35
402741-П29
Угольник
В узле: 1
36
100-3515110
Клапан защитный двойной в сборе
В узле: 1
37
5336-3506187
Шланг от двойного защитного клапана к левому воздушному баллону в сборе
В узле: 1
38
5549-3506187
Шланг от воздушного баллона к тормозному крану в сборе
В узле: 1
39
5549-3506240
Трубка от левого воздушного баллона к тормозному крану в сборе
В узле: 1
40
5549-3506243
Трубка от правого воздушного баллона к тормозному крану в сборе
В узле: 1
41
100-3514008
Кран с рычагом в сборе
В узле: 1
42
504В-3514150-И
Кронштейн крепления тормозного крана
В узле: 1
43
315409-П29
Кляммер двойной
В узле: 4
44
500-3506060-Б2
Шланг
В узле: 2
45
250640-П29
Гайка
В узле: 2
46
200-3506078-Б
Ниппель угловой
В узле: 2
47
500-3519010-01
Камера тормозная
В узле: 2
48
5335-3506283
Соединитель
В узле: 1
49
509АТ-1602766-01
Трубка к пневмоусилителю сцепления
В узле: 1
50
379053-П29
Угольник конечный
В узле: 1
51
403042-П29
Тройник
В узле: 1
52
120-3506350-А1
Кран отбора воздуха в сборе
В узле: 1
53
5335-3506248
Трубка к пневматическому крану управления подъема платформы передняя в сборе
В узле: 1
54
401804-П29
Лента стяжная
В узле: 1
55
297575-П29
Шплинт
В узле: 1
56
297580-П29
Пряжка хомутика
В узле: 1
59
403031-П29
Тройник
В узле: 1
60
5549-3506307
Трубка от тормозного крана к пневматическому крану управления подъема платформы задняя в сборе
В узле: 1
Содержащиеся в справочниках-каталогах запасные части и детали не предлагаются к продаже, а носят исключительно информационный характер

Ваша заявка была отправлена. В ближайшее время наши специалисты с Вами свяжутся по указанному Вами телефону.

Представьтесь
Поле обязательно для заполнения
Ваш телефон
Введите правильный номер телефона
E-mail
Введите правильный e-mail
Тема
Тема
применяемость финансирование доставка цена, наличие другое сервис и гарантия
Время для звонка
08:00
08:00 09:00 10:00 11:00 12:00 13:00 14:00 15:00 16:00 17:00 18:00 19:00
19:00
08:00 09:00 10:00 11:00 12:00 13:00 14:00 15:00 16:00 17:00 18:00 19:00

Мы постараемся перезвонить в указанное время

Если вы не хотите ждать, то звоните нашим вежливым консультантам:

8 800 100-2-700
Подтвердите, что вы не робот
Подтвердите, что вы не робот
Спасибо!

Ваше сообщение успешно отправлено!

ЗакрытьПовторить попытку