Каталог запасных частей к технике: МАЗ-5335. Регулятор частоты вращения двигателя

zoom-in zoom-out enlarge shrink circle-right circle-left file-text2 info cart arraw right arraw left zoom out zoom in arraw maximize arraw minimize
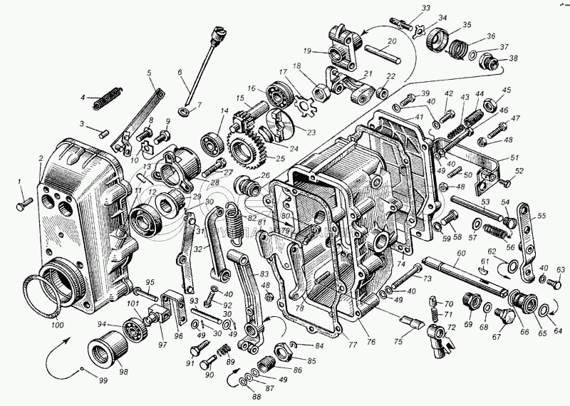
1
2
3
4
5
6
7
8
9
10
11
12
13
14
15
16
17
18
19
20
21
22
23
24
25
26
27
28
29
30
30
30
31
32
33
33
34
35
36
37
38
39
40
40
40
40
40
41
42
43
44
45
46
47
48
48
48
49
49
49
49
49
50
51
51
52
53
54
55
56
57
58
59
60
61
62
63
64
65
66
67
68
69
70
71
72
73
74
75
76
77
78
79
80
81
82
84
85
86
87
88
89
90
91
92
93
94
95
96
97
98
99
100
101
236-1110040-А2
Державка грузов со стаканом в сборе
В узле: 1
236-1110020-В
Корпус регулятора в сборе
В узле: 1
236-1111188-А
Манжета
В узле: 1
236-1110060-А
Муфта грузов в сборе
В узле: 1
236-1111190
Пружина
В узле: 1
312446-П
Шайба
В узле: 2
1
260003-П15
Палец пружины рычага рейки
В узле: 1
2
236-1110022-А
Корпус регулятора
В узле: 1
3
258639-П15
Штифт
В узле: 2
4
236-1110448
Пружина рычага рейки
В узле: 1
5
236-1110454
Тяга рейки с пружинной планкой в сборе
В узле: 1
6
236-1110206-Б
Указатель уровня масла в сборе
В узле: 1
7
236-1111278
Шайба уплотнительная указателя уровня масла
В узле: 1
8
311200-П29
Винт
В узле: 3
9
310139-П15
Болт
В узле: 1
10
312529-П15
Шайба стопорная
В узле: 3
11
236-1110209-Б
Втулка направляющая
В узле: 1
12
236-1111186-А
Сальник крышки подшипника с пружиной в сборе
В узле: 1
13
236-1110042
Стопор пружинный
В узле: 1
14
200
Подшипник шариковый ролика державки грузов
В узле: 1
15
236-1110051-В
Валик державки грузов
В узле: 1
16
46202К
Подшипник
В узле: 1
17
312536-П15
Шайба стопорная
В узле: 1
18
250634-П15
Гайка
В узле: 1
19
236-1110046-Б
Державка грузов
В узле: 1
20
236-1110049
Ось грузов регулятора
В узле: 2
21
236-1110045
Груз регулятора в сборе
В узле: 2
22
236-1110532
Ролик груза регулятора
В узле: 2
23
236-1110521
Фланец втулки ведущей шестерни
В узле: 1
24
236-1110517-Б
Сухарь ведущей шестерни
В узле: 4
25
236-1110516-Б
Шестерня регулятора ведущая
В узле: 1
26
236-1110476-Б
Втулка вала рычага пружины
В узле: 2
27
310140-П15
Болт
В узле: 2
28
236-1110558-В
Стакан подшипников валика державки
В узле: 1
29
236-1110518-Б
Втулка ведущей шестерни
В узле: 1
30
258012-П15
Шплинт
В узле: 4
31
236-1110440
Рычаг рейки в сборе
В узле: 1
32
236-1110466-А
Рычаг пружины
В узле: 1
33
236-1110376
Ось рычага останова двигателя
В узле: 1
33
238НБ-1110406-А2
Рычаг регулятора
В узле: 1
34
236-1110262
Шайба скобы кулисы
В узле: 1
35
236-1110398
Крышка возвратной пружины
В узле: 1
36
236-1110396
Пружина скобы кулисы возвратная
В узле: 1
37
236-1110394
Кольцо уплотнительное оси кулисы
В узле: 1
38
236-1110134-Б
Ввертыш оси кулисы
В узле: 1
39
310611-П15
Винт
В узле: 3
40
252154-П29
Шайба
В узле: 13
41
236-1110496
Крышка смотрового люка в сборе
В узле: 1
42
222525-П15
Винт крепления крышки смотрового люка
В узле: 2
43
236-1110490
Пружина буферная
В узле: 1
44
236-1110492
Корпус буферной пружины
В узле: 1
45
311511-П15
Контргайка корпуса буферной пружины
В узле: 1
46
310612-П15
Винт
В узле: 1
47
310142-П15
Болт регулировочный
В узле: 2
48
250508-П29
Гайка М6
В узле: 4
49
312370-П15
Шайба
В узле: 19
50
236-1110200
Винт регулировочный
В узле: 1
51
236-1110380-А
Скоба .кулисы в сборе
В узле: 1
51
238-1110380
Скоба кулисы в сборе
В узле: 1
52
852000-П29
Болт
В узле: 1
53
236-1110088
Ось рычага
В узле: 1
54
310608-П15
Винт-заглушка
В узле: 2
55
236-1110149-Б2
Рычаг управления регулятором в сборе
В узле: 1
56
236-1110089
Пружина компенсационная
В узле: 1
57
312700-П15
Шайба
В узле: 1
58
222580-П29
Винт
В узле: 1
59
312353-П
Шайба
В узле: 1
60
236-1110467
Вал рычага пружины
В узле: 1
61
314003-П
Шпонка сегментная
В узле: 1
62
312347-П15
Шайба
В узле: 1
63
201418-П29
Болт
В узле: 2
64
236-1110482
Кольцо вала рычага пружины уплотнительное
В узле: 1
65
236-1110476-Б
Втулка вала рычага пружины
В узле: 2
66
236-1110479
Кольцо втулки вала уплотнительное
В узле: 2
67
236-1110390
Ось скобы
В узле: 1
68
312353-П
Шайба
В узле: 1
69
236-1110392
Ввертыш оси скобы
В узле: 1
70
236-1110372-Б
Фиксатор кулисы
В узле: 1
71
236-1110374-Б
Пружина фиксатора
В узле: 1
72
236-1110132-Б
Кулиса
В узле: 1
73
222539-П15
Винт крепления крышки регулятора
В узле: 5
74
236-1110499-А3
Прокладка крышки смотрового люка
В узле: 1
75
236-1110136-Б
Ось кулисы
В узле: 1
76
236-1110129-В2
Крышка регулятора
В узле: 1
77
236-1110154-А
Прокладка крышки регулятора
В узле: 1
78
236-1110201
Винт регулировочный
В узле: 1
79
242519-П15
Винт регулировочный
В узле: 1
80
250511-П15
Гайка
В узле: 1
81
236-1110080
Рычаг двуплечий
В узле: 1
82
236-1110462
Пружина регулятора
В узле: 1
84
236-1110418
Кольцо пружинное упорное
В узле: 1
85
311512-П15
Контргайка
В узле: 1
86
236-1110416
Корпус пружины корректора
В узле: 1
87
236-1110141
Шайба регулировочная (количество по потребности)
В узле: 2
88
236-1110140
Шайба регулировочная (количество по потребности)
В узле: 2
89
236-1110414
Пружина корректора
В узле: 1
90
236-1110412
Корректор
В узле: 1
91
310305-П15
Болт регулировочный
В узле: 1
92
201418-П29
Болт
В узле: 1
93
236-1110066
Ось упорной пяты
В узле: 1
94
8102-
Подшипник муфты грузов
В узле: 1
95
317849-П15
Палец
В узле: 1
96
236-1110433
Серьга регулятора
В узле: 1
97
236-1110065-Б
Пята упорная
В узле: 1
98
236-1110062-Б
Муфта грузов
В узле: 1
99
236-1110064
Шарик
В узле: 27
100
236-1111196
Кольцо уплотнительное корпуса регулятора
В узле: 1
101
236-1110067
Кольцо пружинное
В узле: 1
Содержащиеся в справочниках-каталогах запасные части и детали не предлагаются к продаже, а носят исключительно информационный характер

Ваша заявка была отправлена. В ближайшее время наши специалисты с Вами свяжутся по указанному Вами телефону.

Представьтесь
Поле обязательно для заполнения
Ваш телефон
Введите правильный номер телефона
E-mail
Введите правильный e-mail
Тема
Тема
применяемость финансирование доставка цена, наличие другое сервис и гарантия
Время для звонка
08:00
08:00 09:00 10:00 11:00 12:00 13:00 14:00 15:00 16:00 17:00 18:00 19:00
19:00
08:00 09:00 10:00 11:00 12:00 13:00 14:00 15:00 16:00 17:00 18:00 19:00

Мы постараемся перезвонить в указанное время

Если вы не хотите ждать, то звоните нашим вежливым консультантам:

8 800 100-2-700
Подтвердите, что вы не робот
Подтвердите, что вы не робот
Спасибо!

Ваше сообщение успешно отправлено!

ЗакрытьПовторить попытку