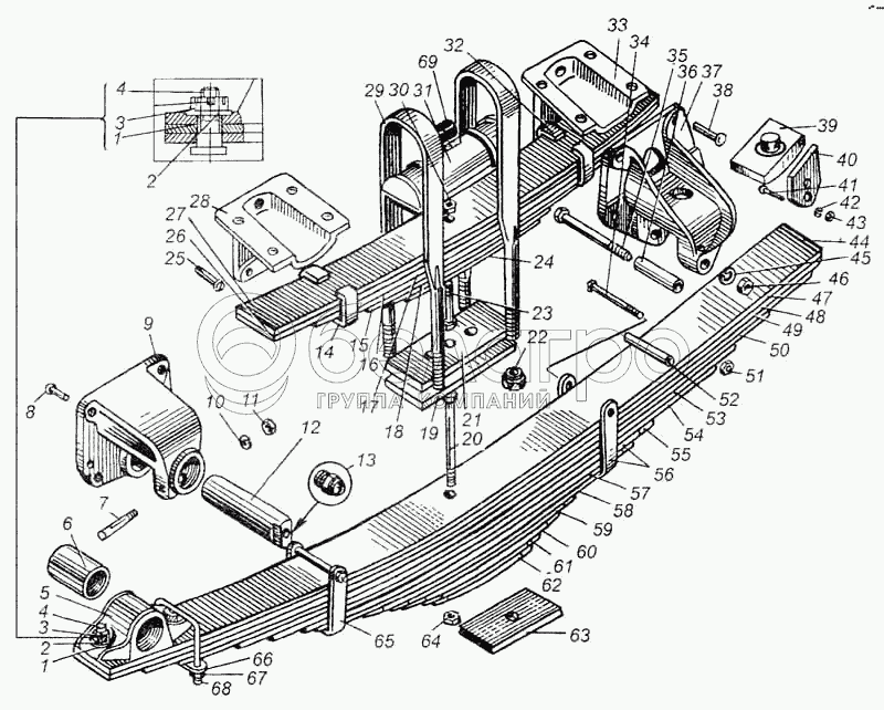
Каталог запасных частей к технике: МАЗ-5335. Рессора задняя

zoom-in zoom-out enlarge shrink circle-right circle-left file-text2 info cart arraw right arraw left zoom out zoom in arraw maximize arraw minimize
1
1
2
2
3
3
4
4
5
5
6
7
8
9
10
11
12
13
14
15
16
17
18
19
20
21
22
23
24
25
26
27
28
28
28
28
29
30
31
31
32
34
35
36
37
38
39
40
41
42
43
45
46
47
47
48
48
49
49
50
50
51
52
53
53
54
54
55
55
56
57
57
58
59
59
60
60
61
61
62
62
63
64
65
66
67
68
69
516-2912032
Болт центровой задней рессоры
В узле: 2
294430-П
Заклепка
В узле: 4
294434-П
Заклепка
В узле: 2
294432-П
Заклепка
В узле: 4
256906-П
Заклепка
В узле: 4
256910-П
Заклепка
В узле: 4
256838-П
Заклепка
В узле: 4
509-2912610-А
Кронштейн
В узле: 2
500А-2912446
Кронштейн задней рессоры, задний
В узле: 2
509-2912447-10
Кронштейн задний задней рессоры
В узле: 2
509-2912446-03
Кронштейн
В узле: 2
509-2912444
Кронштейн передний задней рессоры
В узле: 2
509-2912053-Б
Лист № 10 задней рессоры с хомутами в сборе
В узле: 2
509-2912114-Б
Лист № 14 задней рессоры
В узле: 2
509-2912115-Б
Лист № 15 задней рессоры
В узле: 2
500А-2913052
Лист № 4 дополнительной рессоры с хомутами в сборе
В узле: 2
500А-2912051-01
Лист № 4 задней рессоры с накладкой в сборе
В узле: 2
509-2912051-В
Лист № 4 задней рессоры с накладкой в сборе
В узле: 2
509-2912052-Б
Лист № 5 задней рессоры с хомутами в сборе
В узле: 2
500-2912046
Палец крепления накладного ушка задней рессоры с гайкой, втулкой и шайбой в сборе
В узле: 2
500-2912620
Пластина буфера задней рессоры
В узле: 2
500А-2913012
Рессора дополнительная
В узле: 2
509-2912012-Б
Рессора задняя в сборе
В узле: 2
500А-2912012
Рессора задняя в сборе
В узле: 2
509-2912063
Хомут 10-го листа задней рессоры
В узле: 4
500-2912063
Хомут
В узле: 2
258069-П29
Шплинт
В узле: 2
1
500-2912018
Втулка
В узле: 2
2
252020-П29
Шайба
В узле: 2
3
374932-П29
Гайка
В узле: 2
4
500-2912020
Палец крепления ушка задней рессоры
В узле: 2
5
500-2912016
Ушко задней рессоры
В узле: 2
5
500-2912015
Ушко задней рессоры в сборе
В узле: 2
6
200-2912028
Втулка ушка задней рессоры
В узле: 2
7
500А-2912482
Клин пальца ушка задней рессоры
В узле: 2
8
252899-П
Заклепка
В узле: 8
9
500А-2912444
Кронштейн задней рессоры, передний
В узле: 2
10
252137-П2
Шайба пружинная
В узле: 2
11
250514-П29
Гайка
В узле: 2
12
500А-2912478
Палец
В узле: 2
13
264020-П8
Пресс-масленка
В узле: 2
14
500А-2913062
Хомут 4-го листа дополнительной рессоры
В узле: 2
15
500А-2913105
Лист № 5 дополнительной рессоры
В узле: 2
16
500А-2913104
Лист № 4 дополнительной рессоры
В узле: 2
17
500А-2913103
Лист № 3 дополнительной рессоры
В узле: 2
18
500А-2913106
Лист № 6 дополнительной рессоры
В узле: 2
19
500А-2912419
Лист подкладной нижний
В узле: 2
20
371796-П29
Болт центровой задней рессоры
В узле: 2
21
500А-2912418
Пластина
В узле: 4
22
375059-П29
Гайка
В узле: 8
23
371797-П29
Болт центровой дополнительной рессоры
В узле: 2
24
500Т-2913107-Б
Лист № 6 дополнительной рессоры
В узле: 2
25
257109-П
Заклепка
В узле: 8
26
500А-2913102
Лист 2
В узле: 2
27
500А-2913101
Лист № 1 дополнительной рессоры
В узле: 2
28
5428-2913444
Кронштейн дополнительной рессоры
В узле: 4
28
500-2913444-А
Кронштейн
В узле: 4
28
504А-2913444
Кронштейн дополнительной рессоры
В узле: 4
28
501-2913444-03
Кронштейн дополнительной рессоры
В узле: 4
29
509-2912408
Стремянка задней рессоры
В узле: 4
30
250515-П29
Гайка
В узле: 2
31
501-2912412-А
Накладка задней рессоры
В узле: 2
31
5206-2912412
Накладка задней рессоры
В узле: 2
32
500А-2913062
Хомут 4-го листа дополнительной рессоры
В узле: 2
34
200332-П29
Болт
В узле: 4
35
200880-П29
Болт
В узле: 2
36
200-2912452
Втулка распорная
В узле: 2
37
500А-2912447
Кронштейн задней рессоры задний
В узле: 2
38
252899-П
Заклепка
В узле: 20
39
504Н-2902449
Вкладыш кронштейна рессоры
В узле: 2
40
500-2912448-Б
Вкладыш боковой
В узле: 4
41
221725-П29
Винт
В узле: 8
42
252136-П2
Шайба
В узле: 8
43
250512-П29
Гайка
В узле: 8
45
252139-П2
Шайба
В узле: 2
46
250560-П29
Гайка
В узле: 2
47
509-2912101-В
Лист № 1 задней рессоры
В узле: 2
47
500-2912101-Б
Лист № 1 задней рессоры
В узле: 2
48
509-2912102-Б
Лист № 2 задней рессоры
В узле: 2
48
500А-2912102
Лист № 2 задней рессоры
В узле: 2
49
509-2912103-Б
Лист № 3 задней рессоры
В узле: 2
49
500А-2912103
Лист № 3 задней рессоры
В узле: 2
50
509-2912104-Б
Лист № 4 задней рессоры
В узле: 2
50
500А-2912104
Лист № 4 задней рессоры
В узле: 2
51
250512-П29
Гайка
В узле: 4
52
200-2902068
Трубка распорная хомута рессоры
В узле: 4
53
509-2912105-Б
Лист № 5 задней рессоры
В узле: 2
53
500А-2912105
Лист № 5 задней рессоры
В узле: 2
54
509-2912106-Б
Лист № 6 задней рессоры
В узле: 2
54
500А-2912106
Лист № 6 задней рессоры
В узле: 2
55
509-2912107-Б
Лист № 7 задней рессоры
В узле: 2
55
500А-2912107
Лист № 7 задней рессоры
В узле: 2
56
500А-2912052
Лист № 8 задней рессоры с хомутами в сборе
В узле: 2
57
509-2912108-Б
Лист № 8 задней рессоры
В узле: 2
57
500А-2912108
Лист № 8 задней рессоры
В узле: 2
58
500А-2912109
Лист № 9 задней рессоры
В узле: 2
59
509-2912110-Б
Лист № 10 задней рессоры
В узле: 2
59
500А-2912110
Лист № 10 задней рессоры
В узле: 2
60
509-2912111-Б
Лист № 11 задней рессоры
В узле: 2
60
500А-2912111
Лист № 11 задней рессоры
В узле: 2
61
509-2912112-Б
Лист № 12 задней рессоры
В узле: 2
61
500А-2912112
Лист № 12 задней рессоры
В узле: 2
62
509-2912113-Б
Лист № 13 задней рессоры
В узле: 2
62
500А-2912113
Лист № 13 задней рессоры
В узле: 2
63
503-2912416
Прокладка клинковая
В узле: 2
64
250515-П29
Гайка
В узле: 2
65
500А-2912062
Хомут 8-го листа задней рессоры
В узле: 2
66
5335-2912025
Накладка
В узле: 2
67
374727-П29
Гайка
В узле: 4
68
500-2912024
Стремянка ушка рессоры
В узле: 2
69
509-2912624
Буфер задней рессоры
В узле: 2
83
509-2912109-Б
Лист № 9 задней рессоры
В узле: 2
Содержащиеся в справочниках-каталогах запасные части и детали не предлагаются к продаже, а носят исключительно информационный характер

Ваша заявка была отправлена. В ближайшее время наши специалисты с Вами свяжутся по указанному Вами телефону.

Представьтесь
Поле обязательно для заполнения
Ваш телефон
Введите правильный номер телефона
E-mail
Введите правильный e-mail
Тема
Тема
применяемость финансирование доставка цена, наличие другое сервис и гарантия
Время для звонка
08:00
08:00 09:00 10:00 11:00 12:00 13:00 14:00 15:00 16:00 17:00 18:00 19:00
19:00
08:00 09:00 10:00 11:00 12:00 13:00 14:00 15:00 16:00 17:00 18:00 19:00

Мы постараемся перезвонить в указанное время

Если вы не хотите ждать, то звоните нашим вежливым консультантам:

8 800 100-2-700
Подтвердите, что вы не робот
Подтвердите, что вы не робот
Спасибо!

Ваше сообщение успешно отправлено!

ЗакрытьПовторить попытку