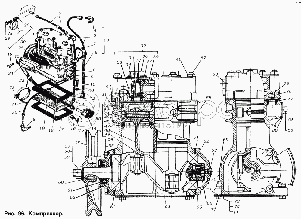
Каталог запасных частей к технике: МАЗ-53363. Компрессор

zoom-in zoom-out enlarge shrink circle-right circle-left file-text2 info cart arraw right arraw left zoom out zoom in arraw maximize arraw minimize
1
2
3
4
5
5
6
7
8
8
9
10
11
11
12
13
14
15
15
16
16
17
18
19
20
21
22
23
24
25
26
27
28
29
30
31
32
33
34
35
36
37
38
39
40
41
42
43
44
45
46
47
48
49
50
51
52
53
54
55
55
56
57
58
59
60
61
62
63
64
65
66
67
68
68
69
70
71
72
73
74
75
76
77
78
79
80
130.3509167
Кольцо маслосъемное
В узле: 2
130.3509164
Кольцо компрессорное
В узле: 2
А29.01. 014-БЗА
Уплотнитель крышки
В узле: 1
161.3509012-20
Компрессор
В узле: 1
130.6509165
Кольцо скребковое
В узле: 2
16.3509012
Компрессор в сборе
В узле: 1
1
5536-3509012
Компрессор
В узле: 1
2
5336-1304030
Трубка
В узле: 1
3
504В-3506197-И
Трубка со шлангом в сборе
В узле: 1
4
379652
Угольник
В узле: 1
5
379051
Угольник
В узле: 2
6
515Б-3506210-01
Шланг
В узле: 1
7
500-3506199-В
Трубка со шлангом
В узле: 1
8
5336-3509278-01
Трубка со шлангом
В узле: 1
9
379737
Угольник
В узле: 1
10
201499
Болт М10-6gх30
В узле: 4
11
252136
Шайба 10.ОТ
В узле: 4
12
130-3509036
Прокладка
В узле: 1
13
500-3509235-Б
Патрубок
В узле: 1
14
500-3509238
Прокладка
В узле: 1
15
252135
Шайба 8Т
В узле: 2
16
201456
Болт М8-6gх20
В узле: 2
17
236-1002284
Прокладка крышки
В узле: 1
18
504В-3509247
Шланг компрессора всасывающий
В узле: 1
19
500-3509109
Крышка
В узле: 1
20
6422-3509262
Трубка
В узле: 1
21
297575
Шплинт 5,6х22
В узле: 2
22
297580
Пряжка
В узле: 2
23
401804
Лента стяжная
В узле: 1
24
500-3509248
Патрубок
В узле: 1
25
130-3509240
Прокладка
В узле: 1
26
374179
Гайка М6-6Н
В узле: 1
27
500-1303161
Хомутик
В узле: 1
28
252004
Шайба 6
В узле: 1
29
201424
Болт М6-6gх30
В узле: 1
30
500-1303160
Хомут
В узле: 1
31
5336-3509028
Блок картера компрессора
В узле: 1
32
5336-3509039
Головка компрессора в сборе
В узле: 1
33
5336-3509055
Прокладка
В узле: 2
34
5336-3509051
Седло
В узле: 2
35
5336-3509050
Клапан нагнетательный
В узле: 2
36
5336-3509044
Пробка клапана нагнетательного
В узле: 2
37
5336-3509045
Прокладка
В узле: 2
38
5336-3509048
Пружина
В узле: 2
39
5336-3509040
Головка компрессора
В узле: 2
40
250511
Гайка М8х1-6Н
В узле: 8
41
5336-3509043
Прокладка
В узле: 1
42
5336-3509164
Кольцо компрессорное
В узле: 2
43
5336-3509165
Кольцо скребковое
В узле: 2
44
5336-3509172
Кольцо стопорное
В узле: 2
45
5336-3509170
Палец поршневой
В узле: 2
46
5336-3509166
Кольцо маслосъемное
В узле: 4
47
5336-3509166
Кольцо маслосъемное
В узле: 2
48
5336-3509180
Шатун
В узле: 2
49
5336-3509092
Вкладыш шатуна
В узле: 2
50
5336-3509150
Поршень и шатун компрессора в сборе
В узле: 2
51
5336-3509063
Прокладка
В узле: 2
52
5336-3509090
Крышка
В узле: 1
53
262541
Пробка КГ 1/8"
В узле: 1
54
201458
Болт М8-6gх25
В узле: 8
55
252135
Шайба 8Т
В узле: 10
56
500-3509130-1
Шкив компрессора
В узле: 1
57
250979
Гайка М16х1,5-6Н
В узле: 1
58
252017
Шайба 16
В узле: 1
59
258053
Шплинт 4х25
В узле: 1
60
378057
Шпонка 5х7,5
В узле: 1
61
2-24х45-3
Манжета
В узле: 1
62
5336-3509060
Крышка
В узле: 1
63
207
Подшипник
В узле: 2
64
5336-3509110
Вал коленчатый
В узле: 1
65
5336-3509093
Пружина
В узле: 1
66
5336-3509094
Уплотнитель
В узле: 1
67
378057
Шпонка 5х7,5
В узле: 8
68
262543
Пробка
В узле: 3
69
5336-3509365
Табличка
В узле: 1
70
254222
Заклепка 2х5
В узле: 2
71
500-3509103
Прокладка
В узле: 1
72
500-3509102-Т
Крышка картера (транспортная)
В узле: 1
73
201499
Болт М10-6gх30
В узле: 4
74
250512
Гайка М10-6Н
В узле: 4
75
5336-3509328
Пружина
В узле: 1
76
5336-3509056
Клапан впускной
В узле: 2
77
5336-3509363
Направляющая
В узле: 2
78
5336-3509240
Прокладка
В узле: 1
79
201454
Болт М8-6gх16
В узле: 2
80
5336-3509241
Заглушка транспортная
В узле: 1
Содержащиеся в справочниках-каталогах запасные части и детали не предлагаются к продаже, а носят исключительно информационный характер

Ваша заявка была отправлена. В ближайшее время наши специалисты с Вами свяжутся по указанному Вами телефону.

Представьтесь
Поле обязательно для заполнения
Ваш телефон
Введите правильный номер телефона
E-mail
Введите правильный e-mail
Тема
Тема
применяемость финансирование доставка цена, наличие другое сервис и гарантия
Время для звонка
08:00
08:00 09:00 10:00 11:00 12:00 13:00 14:00 15:00 16:00 17:00 18:00 19:00
19:00
08:00 09:00 10:00 11:00 12:00 13:00 14:00 15:00 16:00 17:00 18:00 19:00

Мы постараемся перезвонить в указанное время

Если вы не хотите ждать, то звоните нашим вежливым консультантам:

8 800 100-2-700
Подтвердите, что вы не робот
Подтвердите, что вы не робот
Спасибо!

Ваше сообщение успешно отправлено!

ЗакрытьПовторить попытку