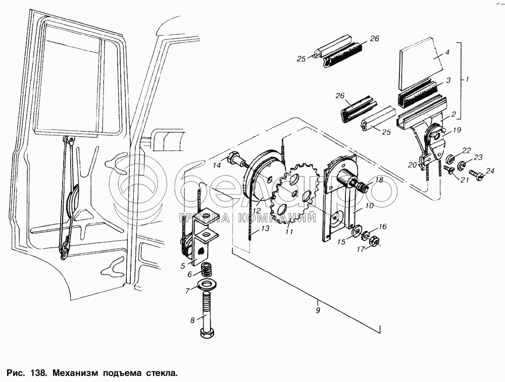
Каталог запасных частей к технике: МАЗ-53363. Механизм подъема стекла

zoom-in zoom-out enlarge shrink circle-right circle-left file-text2 info cart arraw right arraw left zoom out zoom in arraw maximize arraw minimize
1
2
3
4
5
6
7
8
9
10
11
12
13
14
15
16
17
18
19
20
21
22
23
24
25
25
26
26
4
5336-6103214
Стекло опускное двери
В узле: 2
5336-6103214 Стекло опускное 630х570, 5мм <10 шт. 492.90 р.
5336-3103220
Обойма правая в сборе
В узле: 1
5336-3103210
Стекло опускное правое в сборе
В узле: 1
5336-6104010
Стеклоподъемник правый
В узле: 1
5336-6104032-01
Барабан
В узле: 1
1
5336-3103211
Стекло опускное левое в сборе
В узле: 1
2
5336-6103221
Обойма левая в сборе
В узле: 1
3
5336-3103218
Прокладка
В узле: 2
5
64221-3104076
Ролик стеклоподъемника в сборе
В узле: 2
6
205-4202203-Б
Пружина
В узле: 2
7
252006
Шайба 10
В узле: 2
8
5336-6104082
Ось натяжная
В узле: 2
9
5336-6104011
Стеклоподъемник левый в сборе
В узле: 1
10
5336-6104014
Корпус стеклоподъемника в сборе
В узле: 2
11
5336-6104036
Шестерня
В узле: 2
12
5336-6104033-01
Барабан
В узле: 1
13
5336-6104038
Трос
В узле: 2
14
5336-6104039
Ось
В узле: 2
15
252038
Шайба 8
В узле: 2
16
252135
Шайба 8Т
В узле: 2
17
250510
Гайка М8-6Н
В узле: 2
18
5336-6104040
Валик приводной
В узле: 2
19
64221-6104126
Ролик верхний
В узле: 2
20
5336-6104138
Планка троса
В узле: 2
21
533037-01
Винт 2М5-6gх10
В узле: 2
22
252004
Шайба 6
В узле: 4
23
252174
Шайба 26
В узле: 14
24
220102
Винт М6-6gх10
В узле: 12
25
5336-6103274
Окантовка
В узле: 2
26
5336-6103268
Уплотнитель
В узле: 2
Содержащиеся в справочниках-каталогах запасные части и детали не предлагаются к продаже, а носят исключительно информационный характер

Ваша заявка была отправлена. В ближайшее время наши специалисты с Вами свяжутся по указанному Вами телефону.

Представьтесь
Поле обязательно для заполнения
Ваш телефон
Введите правильный номер телефона
E-mail
Введите правильный e-mail
Тема
Тема
применяемость финансирование доставка цена, наличие другое сервис и гарантия
Время для звонка
08:00
08:00 09:00 10:00 11:00 12:00 13:00 14:00 15:00 16:00 17:00 18:00 19:00
19:00
08:00 09:00 10:00 11:00 12:00 13:00 14:00 15:00 16:00 17:00 18:00 19:00

Мы постараемся перезвонить в указанное время

Если вы не хотите ждать, то звоните нашим вежливым консультантам:

8 800 100-2-700
Подтвердите, что вы не робот
Подтвердите, что вы не робот
Спасибо!

Ваше сообщение успешно отправлено!

ЗакрытьПовторить попытку