Каталог запасных частей к технике: МАЗ-53363. Мост задний (дисковые колеса)

zoom-in zoom-out enlarge shrink circle-right circle-left file-text2 info cart arraw right arraw left zoom out zoom in arraw maximize arraw minimize
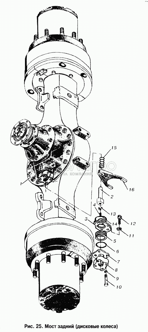
1
2
3
4
5
6
7
8
9
10
11
12
13
14
15
16
5337-2400012-30
Мост задний в сборе
В узле: 1
1
54323-2400012
Мост задний в сборе
В узле: 1
2
54321-2409027-10
Ось
В узле: 1
3
54321-2409014
Основание цилиндра
В узле: 1
4
242577
Винт М12х1,25-6gх30
В узле: 1
5
54321-2409042
Поршень
В узле: 1
6
050-060-58-2-3
Кольцо
В узле: 1
7
6303-2409017
Прокладка
В узле: 1
8
54321-2409012-10
Цилиндр
В узле: 1
9
252135
Шайба 8Т
В узле: 4
10
200271
Болт М8-6gх60
В узле: 4
11
252136
Шайба 10.ОТ
В узле: 2
12
201497
Болт М10-6gх25
В узле: 2
13
250615
Гайка М12х1,25-6Н
В узле: 2
14
039-045-36-2-3
Кольцо
В узле: 2
15
500-3512108
Пружина
В узле: 1
16
54326-2409032
Вилка
В узле: 1
Содержащиеся в справочниках-каталогах запасные части и детали не предлагаются к продаже, а носят исключительно информационный характер

Ваша заявка была отправлена. В ближайшее время наши специалисты с Вами свяжутся по указанному Вами телефону.

Представьтесь
Поле обязательно для заполнения
Ваш телефон
Введите правильный номер телефона
E-mail
Введите правильный e-mail
Тема
Тема
применяемость финансирование доставка цена, наличие другое сервис и гарантия
Время для звонка
08:00
08:00 09:00 10:00 11:00 12:00 13:00 14:00 15:00 16:00 17:00 18:00 19:00
19:00
08:00 09:00 10:00 11:00 12:00 13:00 14:00 15:00 16:00 17:00 18:00 19:00

Мы постараемся перезвонить в указанное время

Если вы не хотите ждать, то звоните нашим вежливым консультантам:

8 800 100-2-700
Подтвердите, что вы не робот
Подтвердите, что вы не робот
Спасибо!

Ваше сообщение успешно отправлено!

ЗакрытьПовторить попытку