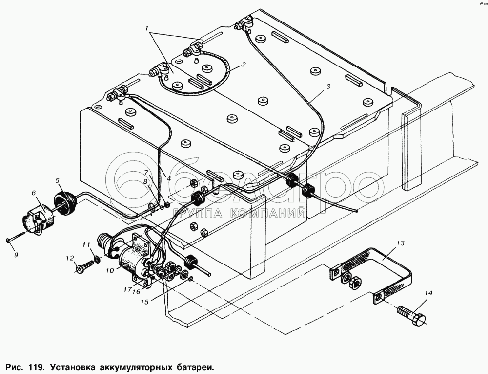
Каталог запасных частей к технике: МАЗ-53363. Установка аккумуляторной батареи

zoom-in zoom-out enlarge shrink circle-right circle-left file-text2 info cart arraw right arraw left zoom out zoom in arraw maximize arraw minimize
1
2
3
4
5
6
7
8
9
10
11
12
13
14
15
16
17
1
54322-3703010
Батарея аккумуляторная с электролитом
В узле: 2
2
6422-3724057
Перемычка
В узле: 1
3
54322-3724069
Провод выключателя массы
В узле: 1
4
54322-3724039-01
Провод штепсельной розетки
В узле: 1
5
500А-3724152
Чехол защитный
В узле: 1
6
ПС400-3723000Э
Розетка переносной лампы
В узле: 1
7
250464
Гайка М5-6Н
В узле: 3
8
252133
Шайба 5Т
В узле: 3
9
221590
Винт М5-6gх40
В узле: 3
10
1426. 3737000
Выключатель «массы»
В узле: 1
11
252134
Шайба 6Т
В узле: 6
12
201418
Болт М6-6gх16
В узле: 4
13
5335-3724071-01
Провод «массы»
В узле: 1
14
201497
Болт М10-6gх25
В узле: 1
15
252006
Шайба 10
В узле: 1
16
252136
Шайба 10.ОТ
В узле: 1
17
250512
Гайка М10-6Н
В узле: 1
Содержащиеся в справочниках-каталогах запасные части и детали не предлагаются к продаже, а носят исключительно информационный характер

Ваша заявка была отправлена. В ближайшее время наши специалисты с Вами свяжутся по указанному Вами телефону.

Представьтесь
Поле обязательно для заполнения
Ваш телефон
Введите правильный номер телефона
E-mail
Введите правильный e-mail
Тема
Тема
применяемость финансирование доставка цена, наличие другое сервис и гарантия
Время для звонка
08:00
08:00 09:00 10:00 11:00 12:00 13:00 14:00 15:00 16:00 17:00 18:00 19:00
19:00
08:00 09:00 10:00 11:00 12:00 13:00 14:00 15:00 16:00 17:00 18:00 19:00

Мы постараемся перезвонить в указанное время

Если вы не хотите ждать, то звоните нашим вежливым консультантам:

8 800 100-2-700
Подтвердите, что вы не робот
Подтвердите, что вы не робот
Спасибо!

Ваше сообщение успешно отправлено!

ЗакрытьПовторить попытку