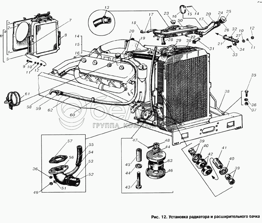
Каталог запасных частей к технике: МАЗ-53363. Установка радиатора и расширительного бачка

zoom-in zoom-out enlarge shrink circle-right circle-left file-text2 info cart arraw right arraw left zoom out zoom in arraw maximize arraw minimize
1
2
3
4
5
6
7
8
9
10
10
11
11
12
12
13
14
14
15
15
16
16
17
17
18
19
20
20
21
22
23
24
25
26
27
28
29
30
31
32
33
34
35
36
36
37
38
39
39
40
40
41
42
43
44
44
45
46
47
48
49
50
51
52
53
54
55
56
57
58
59
60
61
62
63
1
64229-1309016
Уплотнитель
В узле: 1
2
64227-1309012-20
Кожух
В узле: 1
3
64227-1309015
Уплотнитель
В узле: 1
4
64227-1309011-20
Кожух в сборе
В узле: 1
5
54325-1301010-01
Радиатор
В узле: 1
6
64229-1301009
Радиатор с кожухом
В узле: 1
7
6422-1310058-01
Уплотнитель боковой в сборе
В узле: 1
8
6422-1310059-01
Уплотнитель боковой в сборе
В узле: 1
9
201422
Болт М6-6gх25
В узле: 11
10
252004
Шайба 6
В узле: 14
11
252134
Шайба 6Т
В узле: 4
12
250508
Гайка М6-6Н
В узле: 15
13
500-1303160
Хомут
В узле: 2
14
297575
Шплинт 5,6х22
В узле: 3
15
297580
Пряжка
В узле: 3
16
297582
Лента
В узле: 3
17
54229-1304041-010
Трубка
В узле: 1
18
64401-1303337
Угольник
В узле: 1
19
64229-1304051
Трубка
В узле: 1
20
54401-1303335
Угольник
В узле: 2
21
6422-1303172
Шланг
В узле: 1
22
64229-1305010
Краник сливной
В узле: 1
23
6430-1304010
Пробка
В узле: 1
24
64221-1304014-01
Труба заливная
В узле: 1
25
64221-131053
Пробка
В узле: 1
26
052-058-36-2-3
Кольцо
В узле: 1
27
6422-1304084
Уплотнитель
В узле: 1
28
504В-1013108
Шланг
В узле: 1
29
6422-1311057-01
Прокладка
В узле: 1
30
5336-1303010
Шланг радиатора подводящий (1-420 мм, диаметр 42Х52)
В узле: 1
31
6422-1304034
Кронштейн
В узле: 1
32
64229-1303506
Хомут
В узле: 2
33
201418
Болт М6-6gх16
В узле: 4
34
379204
Кляммер
В узле: 1
35
201499
Болт М10-6gх30
В узле: 2
36
252136
Шайба 10.ОТ
В узле: 4
37
250512
Гайка М10-6Н
В узле: 2
38
5336-1302137
Тяга
В узле: 2
39
250615
Гайка М12х1,25-6Н
В узле: 4
40
5335-1302063
Чашка малая
В узле: 4
41
500-1302138
Втулка распорная
В узле: 2
42
500-3508139
Подушка малая
В узле: 6
43
205157
Болт 2М12х1,25-6gх70
В узле: 2
44
252018
Шайба 18
В узле: 4
45
500-1302124
Втулка распорная
В узле: 2
46
204-1302062
Чашка подушки
В узле: 2
47
258040
Шплинт 3,2х25
В узле: 2
48
250977
Гайка М12х1,25-6Н
В узле: 2
49
250513
Гайка М10х1-6Н
В узле: 2
50
64227-1311010
Расширительный бачок в сборе
В узле: 1
51
ВС11-8101010
Кран
В узле: 1
52
6422-1303025
Шланг радиатора отводящий (1-176 мм, диаметр 60х70)
В узле: 1
53
64229-1303530
Хомут
В узле: 1
54
64229-1303650
Хомут
В узле: 1
55
6422-1303168
Рукав
В узле: 1
56
6422-1303240
Патрубок
В узле: 1
57
64229-1303245
Прокладка
В узле: 1
58
64229-1303514
Хомут
В узле: 4
59
401870
Кляммер
В узле: 2
60
6422-1014011
Кронштейн
В узле: 1
61
64229-1353514
Хомут
В узле: 2
62
5048-1311048
Шланг
В узле: 1
63
204-1302060-01
Подушка
В узле: 2
Содержащиеся в справочниках-каталогах запасные части и детали не предлагаются к продаже, а носят исключительно информационный характер

Ваша заявка была отправлена. В ближайшее время наши специалисты с Вами свяжутся по указанному Вами телефону.

Представьтесь
Поле обязательно для заполнения
Ваш телефон
Введите правильный номер телефона
E-mail
Введите правильный e-mail
Тема
Тема
применяемость финансирование доставка цена, наличие другое сервис и гарантия
Время для звонка
08:00
08:00 09:00 10:00 11:00 12:00 13:00 14:00 15:00 16:00 17:00 18:00 19:00
19:00
08:00 09:00 10:00 11:00 12:00 13:00 14:00 15:00 16:00 17:00 18:00 19:00

Мы постараемся перезвонить в указанное время

Если вы не хотите ждать, то звоните нашим вежливым консультантам:

8 800 100-2-700
Подтвердите, что вы не робот
Подтвердите, что вы не робот
Спасибо!

Ваше сообщение успешно отправлено!

ЗакрытьПовторить попытку