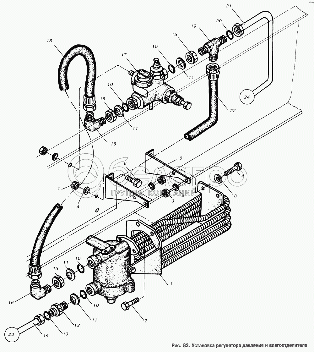
Каталог запасных частей к технике: МАЗ-53363. Установка регулятора давления и влагоотделителя

zoom-in zoom-out enlarge shrink circle-right circle-left file-text2 info cart arraw right arraw left zoom out zoom in arraw maximize arraw minimize
1
2
3
4
4
5
6
7
8
9
10
10
10
10
11
11
11
11
12
13
14
15
15
15
16
16
17
18
19
20
21
22
23
24
1
11.3511010
Влагоотделитель в сборе
В узле: 1
2
201499
Болт М10-6gх30
В узле: 2
3
250512
Гайка М10-6Н
В узле: 4
4
252136
Шайба 10.ОТ
В узле: 8
5
5336-3536035-10
Кронштейн
В узле: 2
6
201540
Болт М12-6gх30
В узле: 4
7
250514
Гайка М12-6Н
В узле: 4
8
252007
Шайба 12
В узле: 2
9
201496
Болт
В узле: 2
10
020-025-30-2-3
Кольцо
В узле: 4
11
376145
Шайба 22
В узле: 4
12
404304
Штуцер
В узле: 1
13
012-016-25-2-3
Кольцо
В узле: 1
14
6422-3506142-10
Трубка
В узле: 1
15
374839
Гайка М22х1,5-6Н
В узле: 3
16
402801
Угольник
В узле: 2
17
11.3512010
Регулятор давления с предохранительным клапаном в сборе
В узле: 1
18
5336-3506187-01
Шланг к клапану четырехконтурному
В узле: 1
19
403039
Тройник
В узле: 1
20
008-011-19-2-3
Кольцо
В узле: 1
21
64229-3506130-10
Трубка
В узле: 1
22
6422-3506085-01
Шланг к задним тормозным камерам
В узле: 1
23
К компрессору
К компрессору
В узле: 1
24
К клапану контрольного вывода
К клапану контрольного вывода
В узле: 1
Содержащиеся в справочниках-каталогах запасные части и детали не предлагаются к продаже, а носят исключительно информационный характер

Ваша заявка была отправлена. В ближайшее время наши специалисты с Вами свяжутся по указанному Вами телефону.

Представьтесь
Поле обязательно для заполнения
Ваш телефон
Введите правильный номер телефона
E-mail
Введите правильный e-mail
Тема
Тема
применяемость финансирование доставка цена, наличие другое сервис и гарантия
Время для звонка
08:00
08:00 09:00 10:00 11:00 12:00 13:00 14:00 15:00 16:00 17:00 18:00 19:00
19:00
08:00 09:00 10:00 11:00 12:00 13:00 14:00 15:00 16:00 17:00 18:00 19:00

Мы постараемся перезвонить в указанное время

Если вы не хотите ждать, то звоните нашим вежливым консультантам:

8 800 100-2-700
Подтвердите, что вы не робот
Подтвердите, что вы не робот
Спасибо!

Ваше сообщение успешно отправлено!

ЗакрытьПовторить попытку