Каталог запасных частей к технике: МАЗ-53366. Остов сидения водителя и переднего сидения

zoom-in zoom-out enlarge shrink circle-right circle-left file-text2 info cart arraw right arraw left zoom out zoom in arraw maximize arraw minimize
1
2
3
4
4
5
5
6
6
6
6
7
7
7
8
8
9
9
10
10
11
12
13
14
15
16
17
18
19
20
21
22
22
23
24
25
26
27
27
28
28
29
30
31
32
33
34
35
35
36
36
37
37
38
39
40
41
41
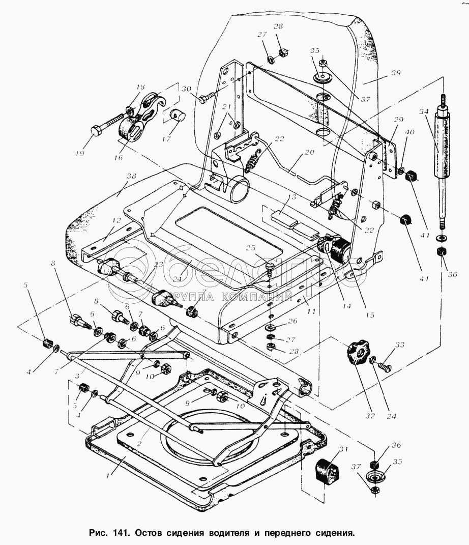
1
504В-6801084-11
Плита остова
В узле: 1
2
504В-6801068-11
Труба торсиона с тягами
В узле: 1
3
504В-6801107
Шарнир остова верхний
В узле: 1
4
504В-6801109-02
Прокладка
В узле: 4
5
504В-6801013-02
Ролик остова
В узле: 4
6
504В-6801110-01
Прокладка
В узле: 8
7
504В-6801113-11
Втулка
В узле: 6
8
504В-6801112-10
Ось тяги
В узле: 4
9
252136
Шайба 10.ОТ
В узле: 4
10
250512
Гайка М10-6Н
В узле: 4
11
504В-6801017-21
Стойка остова левая
В узле: 1
12
5048-6801016-21
Стойка остова правая
В узле: 1
13
504В-6801092-10
Пластина торсиона
В узле: 2
14
504В-6801094-10
Муфта торсиона
В узле: 1
15
504В-6801082-12
Втулка трубы торсиона
В узле: 2
16
504В-6801096-10
Муфта закрутки торсиона
В узле: 1
17
504В-6801098
Гайка механизма закрутки торсиона
В узле: 1
18
252016
Шайба 14
В узле: 1
19
370894
Болт М14-6gх100
В узле: 10
20
5336-6805086
Механизм регулирования спинки
В узле: 1
21
504В-6805059
Втулка
В узле: 2
22
504В-6804080-10
Пружина
В узле: 2
23
504В-6803086
Механизм регулирования подножки
В узле: 1
24
5336-6801072
Панель стяжная
В узле: 1
25
201418
Болт М6-6gх16
В узле: 4
26
252004
Шайба 6
В узле: 4
27
252134
Шайба 6Т
В узле: 8
28
250508
Гайка М6-6Н
В узле: 8
29
504В-6801065-10
Стяжка
В узле: 1
30
201416
Болт М6-6gх12
В узле: 4
31
5048-6801029-10
Буфер
В узле: 2
32
5336-6803110
Ручка
В узле: 1
33
220103
Винт М6-6gх12
В узле: 1
34
11.6809010
Амортизатор
В узле: 1
35
504В-6801122
Шайба
В узле: 2
36
504В-6801120
Буфер внутренний
В узле: 2
37
250679
Гайка М10х1,25-6Н
В узле: 2
38
5336-6803010
Подушка сиденья
В узле: 1
39
5336-6805010
Спинка сиденья
В узле: 1
40
504В-6805059
Втулка
В узле: 2
41
504В-6801142
Наконечник
В узле: 4
Содержащиеся в справочниках-каталогах запасные части и детали не предлагаются к продаже, а носят исключительно информационный характер

Ваша заявка была отправлена. В ближайшее время наши специалисты с Вами свяжутся по указанному Вами телефону.

Представьтесь
Поле обязательно для заполнения
Ваш телефон
Введите правильный номер телефона
E-mail
Введите правильный e-mail
Тема
Тема
применяемость финансирование доставка цена, наличие другое сервис и гарантия
Время для звонка
08:00
08:00 09:00 10:00 11:00 12:00 13:00 14:00 15:00 16:00 17:00 18:00 19:00
19:00
08:00 09:00 10:00 11:00 12:00 13:00 14:00 15:00 16:00 17:00 18:00 19:00

Мы постараемся перезвонить в указанное время

Если вы не хотите ждать, то звоните нашим вежливым консультантам:

8 800 100-2-700
Подтвердите, что вы не робот
Подтвердите, что вы не робот
Спасибо!

Ваше сообщение успешно отправлено!

ЗакрытьПовторить попытку