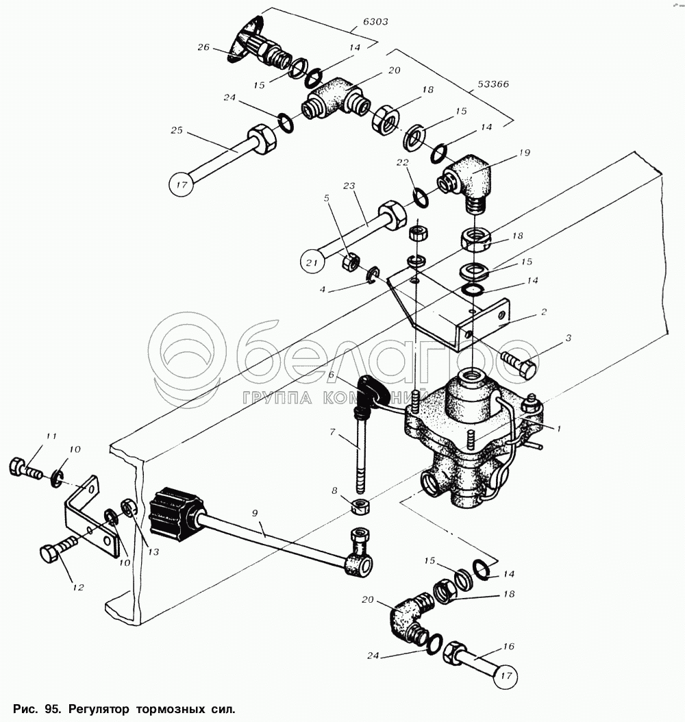
Каталог запасных частей к технике: МАЗ-53366. Регулятор тормозных сил

zoom-in zoom-out enlarge shrink circle-right circle-left file-text2 info cart arraw right arraw left zoom out zoom in arraw maximize arraw minimize
1
2
3
4
5
6
7
8
9
10
10
11
12
13
14
14
14
14
15
15
15
15
16
17
17
18
18
18
19
20
20
21
22
23
24
24
25
26
475.701.051.0
Регулятор тормозных сил
В узле: 1
К тройнику
К тройнику
В узле: 1
404304
Штуцер
В узле: 1
433. 302.000.0
Штанга
В узле: 1
64221-3506280-20
Трубка
В узле: 1
63031-3506158
Трубка к ускорительному клапану заднего тормозного контура
В узле: 1
1
100-3533010
Регулятор тормозных сил
В узле: 1
2
54321-3533014
Кронштейн
В узле: 1
3
201499
Болт М10-6gх30
В узле: 2
4
252136
Шайба 10.ОТ
В узле: 2
5
250512
Гайка М10-6Н
В узле: 2
6
54321-3533065
Муфта
В узле: 1
7
5432-3533018-01
Тяга
В узле: 1
8
250510
Гайка М8-6Н
В узле: 1
9
100-3533110
Упругий элемент
В узле: 1
10
252137
Шайба 12.ОТ
В узле: 3
11
201538
Болт М12-6gх25
В узле: 1
12
201542
Болт М12-6gх35
В узле: 2
13
201514
Болт М10х1-6gх16
В узле: 3
14
020-025-30-2-3
Кольцо
В узле: 3
15
376145
Шайба 22
В узле: 3
16
53361-3506158
Трубка
В узле: 1
17
К ускорительному клапану
К ускорительному клапану
В узле: 1
18
374939
Гайка М22х1,5-6Н
В узле: 3
19
401439
Тройник
В узле: 1
20
402741
Угольник
В узле: 2
21
К тормозному крану с ручным управлением
К тормозному крану с ручным управлением
В узле: 1
22
012-016-25-2-3
Кольцо
В узле: 1
23
53361-3506289
Трубка
В узле: 1
24
008-011-19-2-3
Кольцо
В узле: 4
25
53361-3506280
Трубка
В узле: 1
26
13.3515310
Клапан контрольного вывода
В узле: 1
Содержащиеся в справочниках-каталогах запасные части и детали не предлагаются к продаже, а носят исключительно информационный характер

Ваша заявка была отправлена. В ближайшее время наши специалисты с Вами свяжутся по указанному Вами телефону.

Представьтесь
Поле обязательно для заполнения
Ваш телефон
Введите правильный номер телефона
E-mail
Введите правильный e-mail
Тема
Тема
применяемость финансирование доставка цена, наличие другое сервис и гарантия
Время для звонка
08:00
08:00 09:00 10:00 11:00 12:00 13:00 14:00 15:00 16:00 17:00 18:00 19:00
19:00
08:00 09:00 10:00 11:00 12:00 13:00 14:00 15:00 16:00 17:00 18:00 19:00

Мы постараемся перезвонить в указанное время

Если вы не хотите ждать, то звоните нашим вежливым консультантам:

8 800 100-2-700
Подтвердите, что вы не робот
Подтвердите, что вы не робот
Спасибо!

Ваше сообщение успешно отправлено!

ЗакрытьПовторить попытку