Каталог запасных частей к технике: МАЗ-53366. Рулевое управление. Насос

zoom-in zoom-out enlarge shrink circle-right circle-left file-text2 info cart arraw right arraw left zoom out zoom in arraw maximize arraw minimize
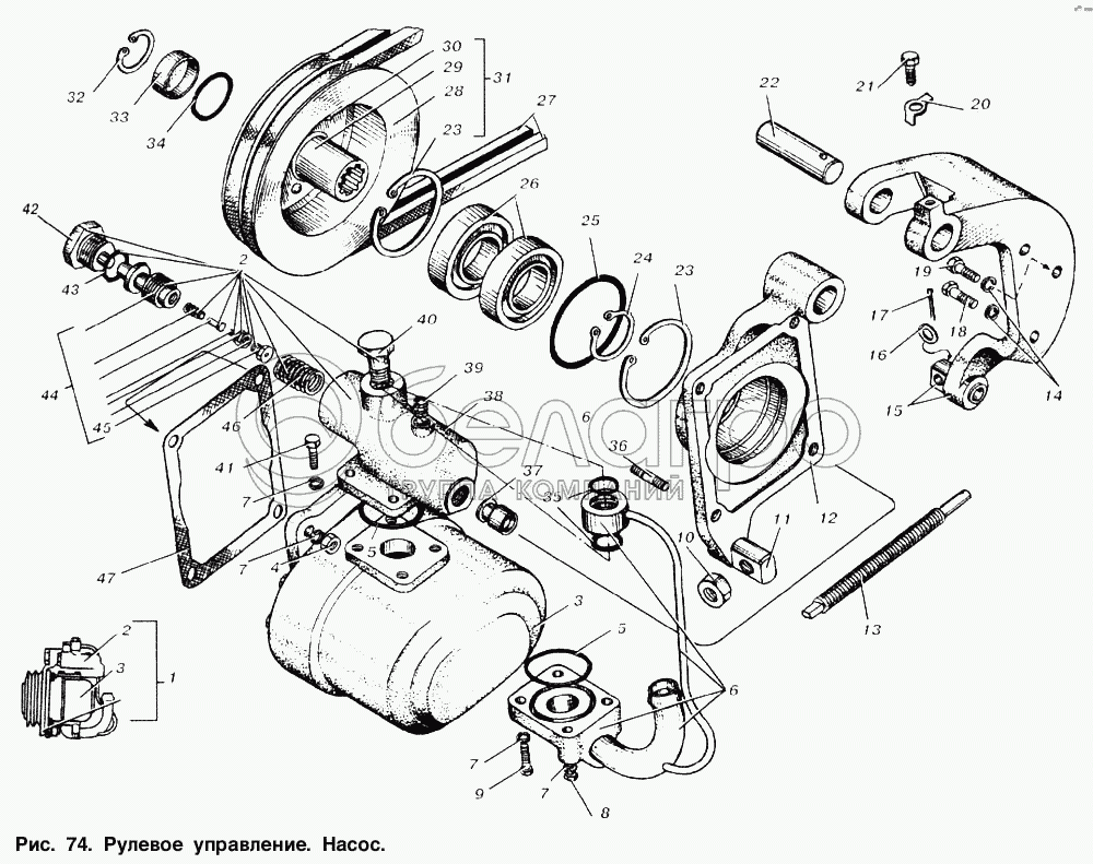
1
2
2
3
3
4
5
6
6
7
7
7
7
8
9
10
11
12
13
14
15
16
17
18
19
20
21
22
23
23
24
25
26
27
28
29
30
31
32
33
34
35
36
37
38
39
40
41
42
43
44
45
46
47
1
5336-3407010
Насос в сборе
В узле: 1
2
5336-3407260
Клапан
В узле: 1
3
НШ32У-0303001-Б
Насос
В узле: 1
4
250513
Гайка М10х1-6Н
В узле: 4
5
028-033-30-2-3
Кольцо
В узле: 2
6
5336-3407220
Фланец
В узле: 1
7
252135
Шайба 8Т
В узле: 8
8
201464
Болт М8-6gх40
В узле: 2
9
201428
Болт М6-6gх40
В узле: 2
10
250559
Гайка М14х1,5-6Н
В узле: 1
11
5336-3407219
Упор
В узле: 1
12
5336-3407205
Кронштейн подвижный
В узле: 1
13
5336-3407216
Регулировочный болт
В узле: 1
14
252136
Шайба 10.ОТ
В узле: 2
15
5336-3407203
Кронштейн
В узле: 1
16
252005
Шайба 8
В узле: 1
17
258038
Шплинт 3,2х16
В узле: 1
18
370565
Болт М10-6gх90
В узле: 1
19
201499
Болт М10-6gх30
В узле: 1
20
535А-2405134
Шайба
В узле: 1
21
201496
Болт
В узле: 1
22
500-3407217
Палец
В узле: 1
23
400420
Кольцо
В узле: 2
24
400356
Кольцо В30
В узле: 1
25
062-066-25-2-3
Кольцо
В узле: 1
26
180206С17
Подшипник
В узле: 2
27
503-3407209
Ремень (1-14х13-987)
В узле: 1
28
5336-3407245
Ступица
В узле: 1
29
252707
Заклепка 6х22
В узле: 1
30
5336-3407241
Шкив
В узле: 1
31
5336-2407240
Шкив
В узле: 1
32
400378
Кольцо В30
В узле: 1
33
5336-3407231
Заглушка
В узле: 1
34
036-034-19-2-3
Кольцо
В узле: 1
35
018-022-25-2-3
Кольцо
В узле: 2
36
373239
Шпилька
В узле: 2
37
5336-3407266
Жиклер
В узле: 1
38
5336-3407262
Корпус
В узле: 1
39
262531
Пробка КГ 1/8"
В узле: 1
40
503-3405188-10
Болт
В узле: 1
41
201458
Болт М8-6gх25
В узле: 4
42
5336-3407264
Пробка
В узле: 1
43
021-025-25-2-3
Кольцо
В узле: 1
44
5336-3407270
Клапан
В узле: 1
45
5336-3407277
Седло
В узле: 1
46
543-1713042
Пружина
В узле: 1
47
503-8603013
Прокладка
В узле: 1
Содержащиеся в справочниках-каталогах запасные части и детали не предлагаются к продаже, а носят исключительно информационный характер

Ваша заявка была отправлена. В ближайшее время наши специалисты с Вами свяжутся по указанному Вами телефону.

Представьтесь
Поле обязательно для заполнения
Ваш телефон
Введите правильный номер телефона
E-mail
Введите правильный e-mail
Тема
Тема
применяемость финансирование доставка цена, наличие другое сервис и гарантия
Время для звонка
08:00
08:00 09:00 10:00 11:00 12:00 13:00 14:00 15:00 16:00 17:00 18:00 19:00
19:00
08:00 09:00 10:00 11:00 12:00 13:00 14:00 15:00 16:00 17:00 18:00 19:00

Мы постараемся перезвонить в указанное время

Если вы не хотите ждать, то звоните нашим вежливым консультантам:

8 800 100-2-700
Подтвердите, что вы не робот
Подтвердите, что вы не робот
Спасибо!

Ваше сообщение успешно отправлено!

ЗакрытьПовторить попытку