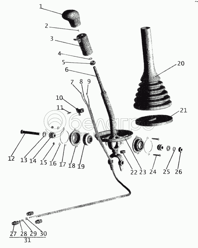
Каталог запасных частей к технике: МАЗ-5336. Рычаг 64221-1703410-01

zoom-in zoom-out enlarge shrink circle-right circle-left file-text2 info cart arraw right arraw left zoom out zoom in arraw maximize arraw minimize
1
2
3
3
4
5
6
7
8
9
10
11
12
13
14
15
16
17
18
19
20
21
22
23
24
25
26
27
28
29
30
31
64221-1703410-01
Рычаг в сборе
В узле: 1
1
64221-1703301
Рукоятка
В узле: 1
2
64221-1703814
Ось ролика
В узле: 1
3
8041.17.03.800
Переключатель в сборе
В узле: 1
3
6430-1703800
Переключатель в сборе
В узле: 1
4
008-011-19-2-3
Кольцо
В узле: 1
5
64221-1703646
Прижим
В узле: 1
6
64221-1703412-10
Рычаг
В узле: 1
7
64221-1703841
Трубка
В узле: 1
8
64221-1703842
Трубка
В узле: 1
9
64221-1703840
Трубка
В узле: 1
10
64221-1703724
Прижим
В узле: 1
11
221553
Винт М4-6gх14
В узле: 2
12
200325
Болт М10-6gх80
В узле: 1
13
252006
Шайба 10
В узле: 2
14
64221-1703618
Ось
В узле: 2
15
250464
Гайка М5-6Н
В узле: 2
16
252004
Шайба 6
В узле: 4
17
64221-1703323
Пластина
В узле: 2
18
64221-1703544-02
Колпак
В узле: 2
19
2ШС-20
Подшипник сферический
В узле: 1
20
64221-1703425-01
Колпак защитный
В узле: 1
21
5336-1703544
Уплотнитель
В узле: 2
22
500-5001138-Б
Втулка
В узле: 1
23
64221-1703602
Шайба
В узле: 1
24
220086
Винт М5-6gх30
В узле: 2
25
252156
Шайба 10Л
В узле: 1
26
250512
Гайка М10-6Н
В узле: 1
27
64221-1703866
Переходник
В узле: 3
28
004-008-25-2-2
Кольцо
В узле: 3
29
6430-1703446
Цанга
В узле: 3
30
6430-1703450
Фиксатор
В узле: 3
31
64221-1703865
Переходник
В узле: 3
Содержащиеся в справочниках-каталогах запасные части и детали не предлагаются к продаже, а носят исключительно информационный характер

Ваша заявка была отправлена. В ближайшее время наши специалисты с Вами свяжутся по указанному Вами телефону.

Представьтесь
Поле обязательно для заполнения
Ваш телефон
Введите правильный номер телефона
E-mail
Введите правильный e-mail
Тема
Тема
применяемость финансирование доставка цена, наличие другое сервис и гарантия
Время для звонка
08:00
08:00 09:00 10:00 11:00 12:00 13:00 14:00 15:00 16:00 17:00 18:00 19:00
19:00
08:00 09:00 10:00 11:00 12:00 13:00 14:00 15:00 16:00 17:00 18:00 19:00

Мы постараемся перезвонить в указанное время

Если вы не хотите ждать, то звоните нашим вежливым консультантам:

8 800 100-2-700
Подтвердите, что вы не робот
Подтвердите, что вы не робот
Спасибо!

Ваше сообщение успешно отправлено!

ЗакрытьПовторить попытку