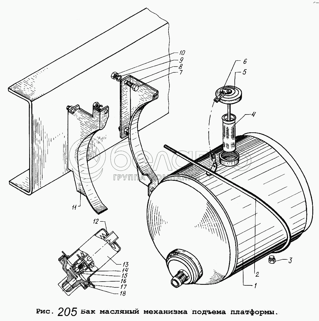
Каталог запасных частей к технике: МАЗ-53371. Бак масляный механизма подъема платформы

zoom-in zoom-out enlarge shrink circle-right circle-left file-text2 info cart arraw right arraw left zoom out zoom in arraw maximize arraw minimize
1
2
3
4
5
6
7
8
9
10
11
12
13
14
15
16
17
18
1
503-8608010-05
Бак масляный
В узле: 1
2
5549-8608084
Хомут
В узле: 1
3
262542
Пробка КГ 1/4"
В узле: 1
4
5551-8608111
Фильтр
В узле: 1
5
5551-8608102
Крышка бака
В узле: 1
6
5551-8608140
Цепочка
В узле: 1
7
201496
Болт
В узле: 1
8
5551-8608324-01
Кронштейн правый
В узле: 1
9
252156
Шайба 10Л
В узле: 2
10
250512
Гайка М10-6Н
В узле: 10
11
5551-8608325-01
Кронштейн левый
В узле: 1
12
400808
Кольцо
В узле: 1
13
40-4608036
Корпус фильтра
В узле: 1
14
50-4608012-А
Фильтр
В узле: 1
15
50-4608057
Пружина фильтра
В узле: 1
16
503-8608222-01
Крышка
В узле: 1
17
У-100х95-2
Уплотнитель
В узле: 1
18
400475
Кольцо
В узле: 1
Содержащиеся в справочниках-каталогах запасные части и детали не предлагаются к продаже, а носят исключительно информационный характер

Ваша заявка была отправлена. В ближайшее время наши специалисты с Вами свяжутся по указанному Вами телефону.

Представьтесь
Поле обязательно для заполнения
Ваш телефон
Введите правильный номер телефона
E-mail
Введите правильный e-mail
Тема
Тема
применяемость финансирование доставка цена, наличие другое сервис и гарантия
Время для звонка
08:00
08:00 09:00 10:00 11:00 12:00 13:00 14:00 15:00 16:00 17:00 18:00 19:00
19:00
08:00 09:00 10:00 11:00 12:00 13:00 14:00 15:00 16:00 17:00 18:00 19:00

Мы постараемся перезвонить в указанное время

Если вы не хотите ждать, то звоните нашим вежливым консультантам:

8 800 100-2-700
Подтвердите, что вы не робот
Подтвердите, что вы не робот
Спасибо!

Ваше сообщение успешно отправлено!

ЗакрытьПовторить попытку