Каталог запасных частей к технике: МАЗ-533731. Установка переключателей на рулевой колонке 64221-3700084

zoom-in zoom-out enlarge shrink circle-right circle-left file-text2 info cart arraw right arraw left zoom out zoom in arraw maximize arraw minimize
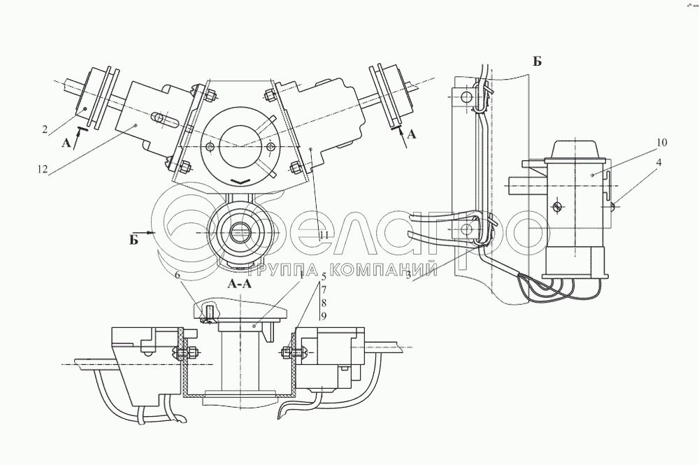
1
2
3
4
5
6
7
8
9
10
11
11
11
12
12
12
10
ИЖКС.675871.001
Выключатель зажигания Г2101-3704
В узле: 1
ИЖКС.675871.001 Выключатель зажигания (с ключами) <10 шт. 1 442.48 р.
1
64221-3709219
Втулка сбрасывателя
В узле: 1
2
64221-3709222
Чехол переключателя
В узле: 2
3
6430-3724624
Хомут
В узле: 4
4
220051
Винт М4-6gх10
В узле: 3
5
220080
Винт М5-6gх16
В узле: 4
6
233037
Винт 2М5-6gх10
В узле: 2
7
250464
Гайка М5-6Н
В узле: 4
8
252003
Шайба 5
В узле: 4
9
252133
Шайба 5Т
В узле: 4
11
4002.3709000
Переключатель стеклоочистителя со стеклоомывателем 4002.3709
В узле: 1
11
0972.00.00.000
Переключатель стеклоочистителя со стеклоомывателем 40.3709
В узле: 1
11
ЦИКС.642267.005
Переключатель подрулевой ПКП-5
В узле: 1
12
6602.3709000
Переключатель указателей поворотов и света 6602.3709
В узле: 1
12
0973.00.00.000
Переключатель указателей поворотов и света 66.3709
В узле: 1
12
ЦИКС.642267.004
Переключатель подрулевой ПКП-4
В узле: 1
Содержащиеся в справочниках-каталогах запасные части и детали не предлагаются к продаже, а носят исключительно информационный характер

Ваша заявка была отправлена. В ближайшее время наши специалисты с Вами свяжутся по указанному Вами телефону.

Представьтесь
Поле обязательно для заполнения
Ваш телефон
Введите правильный номер телефона
E-mail
Введите правильный e-mail
Тема
Тема
применяемость финансирование доставка цена, наличие другое сервис и гарантия
Время для звонка
08:00
08:00 09:00 10:00 11:00 12:00 13:00 14:00 15:00 16:00 17:00 18:00 19:00
19:00
08:00 09:00 10:00 11:00 12:00 13:00 14:00 15:00 16:00 17:00 18:00 19:00

Мы постараемся перезвонить в указанное время

Если вы не хотите ждать, то звоните нашим вежливым консультантам:

8 800 100-2-700
Подтвердите, что вы не робот
Подтвердите, что вы не робот
Спасибо!

Ваше сообщение успешно отправлено!

ЗакрытьПовторить попытку