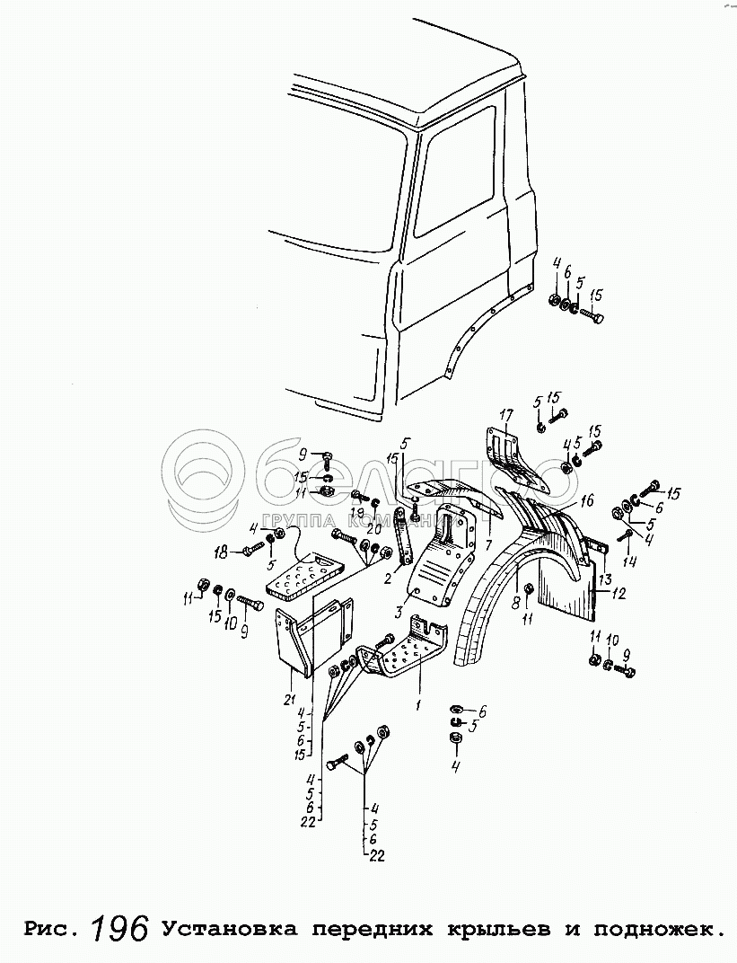
Каталог запасных частей к технике: МАЗ-5337. Установка передних крыльев и подножек

zoom-in zoom-out enlarge shrink circle-right circle-left file-text2 info cart arraw right arraw left zoom out zoom in arraw maximize arraw minimize
1
2
3
3
4
4
4
4
4
4
4
4
5
5
5
5
5
5
5
5
5
5
6
6
6
6
6
6
7
8
8
9
9
9
10
10
11
11
11
11
12
13
14
15
15
15
15
15
15
15
15
16
16
17
18
19
20
21
22
22
1
5336-8405016
Подножка нижняя
В узле: 1
2
5336-8405058
Раскос
В узле: 2
3
5336-8405033
Панель левая
В узле: 1
3
5336-8405032
Панель правая
В узле: 1
4
250510
Гайка М8-6Н
В узле: 22
5
252135
Шайба 8Т
В узле: 28
6
251005
Шайба 8
В узле: 18
7
5551-8403031
Кронштейн нижний
В узле: 2
8
5551-8403016
Крыло правое
В узле: 1
8
5551-8403017
Крыло переднее левое
В узле: 1
9
201418
Болт М6-6gх16
В узле: 8
10
252037
Шайба 6
В узле: 7
11
250508
Гайка М6-6Н
В узле: 9
12
5336-8403276
Брызговик нижний
В узле: 7
13
500-8403278
Накладка
В узле: 2
14
224624
Винт М6-6gх14
В узле: 3
15
201454
Болт М8-6gх16
В узле: 23
16
5551-8403260
Брызговик правый
В узле: 1
16
5551-8403261
Брызговик переднего крыла левый
В узле: 1
17
5551-8403042
Кронштейн верхний
В узле: 1
18
252154
Шайба 6Л
В узле: 1
19
201493
Болт М10-6gх16
В узле: 1
20
252136
Шайба 10.ОТ
В узле: 1
21
6422-8405010
Панель передняя правая
В узле: 1
22
201456
Болт М8-6gх20
В узле: 5
Содержащиеся в справочниках-каталогах запасные части и детали не предлагаются к продаже, а носят исключительно информационный характер

Ваша заявка была отправлена. В ближайшее время наши специалисты с Вами свяжутся по указанному Вами телефону.

Представьтесь
Поле обязательно для заполнения
Ваш телефон
Введите правильный номер телефона
E-mail
Введите правильный e-mail
Тема
Тема
применяемость финансирование доставка цена, наличие другое сервис и гарантия
Время для звонка
08:00
08:00 09:00 10:00 11:00 12:00 13:00 14:00 15:00 16:00 17:00 18:00 19:00
19:00
08:00 09:00 10:00 11:00 12:00 13:00 14:00 15:00 16:00 17:00 18:00 19:00

Мы постараемся перезвонить в указанное время

Если вы не хотите ждать, то звоните нашим вежливым консультантам:

8 800 100-2-700
Подтвердите, что вы не робот
Подтвердите, что вы не робот
Спасибо!

Ваше сообщение успешно отправлено!

ЗакрытьПовторить попытку