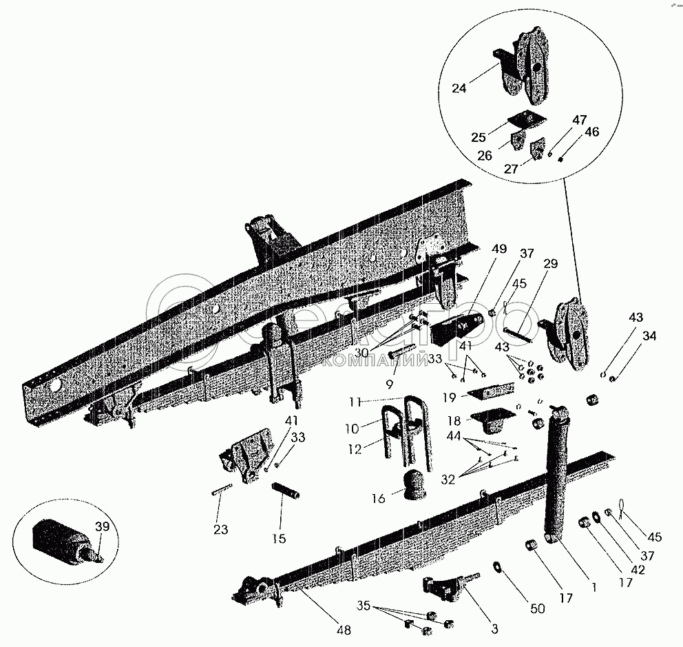
Каталог запасных частей к технике: МАЗ-5337 (2005). Подвеска передняя автомобиля МАЗ-533702

zoom-in zoom-out enlarge shrink circle-right circle-left file-text2 info cart arraw right arraw left zoom out zoom in arraw maximize arraw minimize
1
3
9
10
11
12
15
16
17
17
18
19
23
24
25
26
27
29
30
32
33
33
34
35
37
37
39
41
41
42
43
43
44
45
45
46
47
48
49
50
17
500А-2905410
Буфер
В узле: 8
500А-2905410 Втулка амортизатора (одинарная) <10 шт. 93.01 р.
1
15.2905006-11
Амортизатор
В узле: 2
2
5551-2905416
Кронштейн нижний правый
В узле: 1
3
5551-2905417
Кронштейн нижний левый
В узле: 1
9
53361-2905470
Палец
В узле: 2
10
500-2902409
Стремянка
В узле: 2
11
516-2902409
Стремянка задняя
В узле: 2
12
64221-2902412
Накладка
В узле: 2
15
5432-2902478
Палец
В узле: 2
16
64221-2902624
Буфер
В узле: 2
18
500А-2902634
Буфер дополнительный
В узле: 2
19
5434-2902626
Кронштейн буфера
В узле: 2
23
500А-2912482
Клин пальца ушка задней рессоры
В узле: 2
24
5336-2902447
Кронштейн
В узле: 2
25
504Н-2902449
Вкладыш кронштейна рессоры
В узле: 2
26
500-2912448-Б
Вкладыш боковой
В узле: 4
27
221725
Винт М10-6gх35
В узле: 4
28
201542
Болт М12-6gх35
В узле: 4
29
200880
Болт М16-6gх160
В узле: 2
30
202142
Болт М16х1,5-6gх38
В узле: 8
32
201493
Болт М10-6gх16
В узле: 8
33
250514
Гайка М12-6Н
В узле: 6
34
250560
Гайка М16-6Н
В узле: 2
35
374650
Гайка М24х2-6Н
В узле: 8
36
374727
Гайка М16х1,5-5Н6Н
В узле: 8
37
374910
Гайка М20х1,5-5Н6Н
В узле: 4
39
264040
Масленка 2.3.90 Ц6хр
В узле: 2
40
252007
Шайба 12
В узле: 4
41
252137
Шайба 12.ОТ
В узле: 6
42
252049-10
Шайба 20
В узле: 2
43
252139
Шайба 16.ОТ
В узле: 10
47
252136
Шайба 10.ОТ
В узле: 4
45
258056
Шплинт 4х40
В узле: 4
46
250512
Гайка М10-6Н
В узле: 4
48
64221-2902012-04
Рессора передняя
В узле: 2
49
5551-2905540
Кронштейн верхний
В узле: 2
50
500А-2905420
Шайба
В узле: 2
Содержащиеся в справочниках-каталогах запасные части и детали не предлагаются к продаже, а носят исключительно информационный характер

Ваша заявка была отправлена. В ближайшее время наши специалисты с Вами свяжутся по указанному Вами телефону.

Представьтесь
Поле обязательно для заполнения
Ваш телефон
Введите правильный номер телефона
E-mail
Введите правильный e-mail
Тема
Тема
применяемость финансирование доставка цена, наличие другое сервис и гарантия
Время для звонка
08:00
08:00 09:00 10:00 11:00 12:00 13:00 14:00 15:00 16:00 17:00 18:00 19:00
19:00
08:00 09:00 10:00 11:00 12:00 13:00 14:00 15:00 16:00 17:00 18:00 19:00

Мы постараемся перезвонить в указанное время

Если вы не хотите ждать, то звоните нашим вежливым консультантам:

8 800 100-2-700
Подтвердите, что вы не робот
Подтвердите, что вы не робот
Спасибо!

Ваше сообщение успешно отправлено!

ЗакрытьПовторить попытку