Каталог запасных частей к технике: МАЗ-5429. Насос топливный высокого давления

zoom-in zoom-out enlarge shrink circle-right circle-left file-text2 info cart arraw right arraw left zoom out zoom in arraw maximize arraw minimize
1
2
2
3
4
5
6
6
7
8
9
10
11
12
13
14
15
16
17
18
19
20
21
22
23
24
25
26
27
28
28
29
30
30
31
31
32
33
34
35
36
37
38
39
40
41
41
42
42
43
44
45
46
47
48
49
49
50
50
51
51
52
53
53
54
55
56
57
58
59
60
61
62
63
64
65
66
67
68
69
70
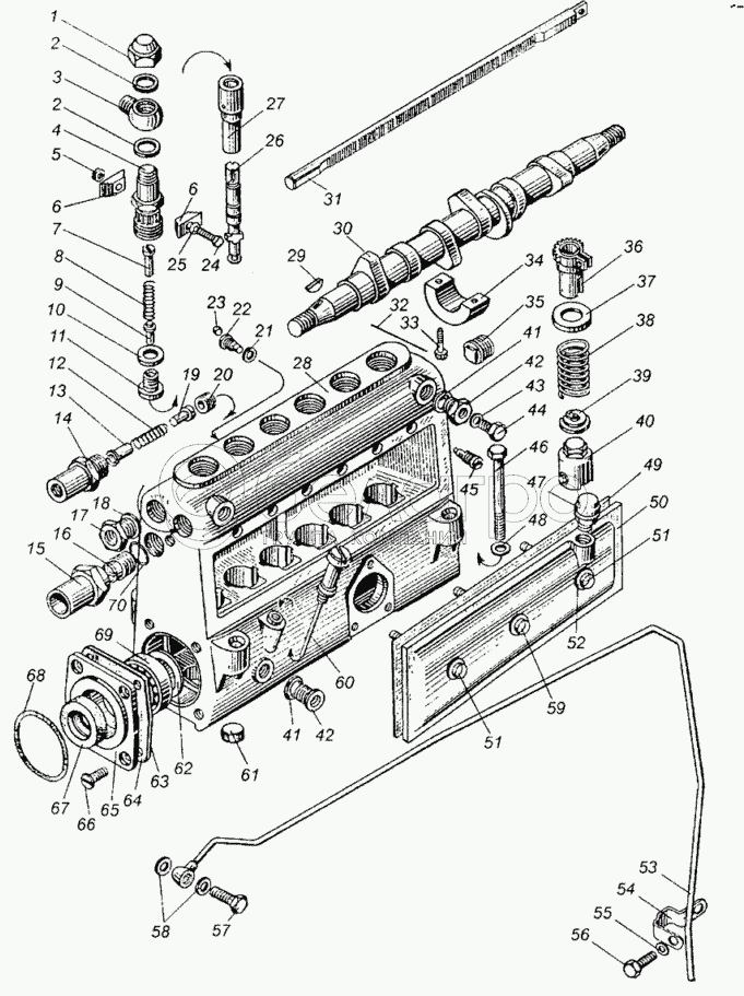
236-1111278
Шайба уплотнительная указателя уровня масла
В узле: 1
236-1111190
Пружина
В узле: 1
238-1111007-Б2
Насос топливный высокого давления с регулятором частоты вращения в сборе
В узле: 1
236-1111007-Б2
Насос топливный высокого давления с регулятором частоты вращения в сборе
В узле: 1
236-1111188-А
Манжета
В узле: 1
236-1111282-А2
Клапан в сборе
В узле: 1
236-1111064
Втулка зубчатого венца
В узле: 8
236-1111062
Венец зубчатый
В узле: 8
236-1111036
Ввертыш
В узле: 2
1
312107-П15
Гайка колпачковая
В узле: 8
2
312450-П
Шайба ниппеля
В узле: 16
3
236-1111116
Ниппель соединительный
В узле: 8
4
236-1111118-Б
Штуцер топливного насоса
В узле: 8
5
250508-П29
Гайка М6
В узле: 4
6
236-1111120
Сухарь штуцера
В узле: 8
7
236-1111113
Упор клапана
В узле: 8
8
236-1111108
Пружина нагнетательного клапана
В узле: 8
9
236-1111102
Клапан нагнетательный в сборе
В узле: 8
10
236-1111086
Прокладка нагнетательного клапана
В узле: 8
11
236-1111102
Клапан нагнетательный в сборе
В узле: 8
12
236-1111289-В
Пружина клапана
В узле: 1
13
236-1111290-А
Направляющая клапана
В узле: 1
14
236-1111285-Б
Корпус клапана
В узле: 1
15
236-1111238-Е
Втулка ограничителя мощности
В узле: 1
16
236-1111249-В
Винт ограничителя мощности
В узле: 1
17
236-1111032
Ввертыш корпуса
В узле: 1
18
312630-П
Шайба жиклера
В узле: 5
19
236-1111283
Клапан
В узле: 1
20
236-1111287
Седло клапана
В узле: 1
21
312353-П
Шайба
В узле: 1
22
310952-П15
Винт стопорный
В узле: 1
23
236-1111154-А
Стопор винта
В узле: 1
24
201426-П29
Болт стяжной сухаря
В узле: 4
25
252134-П29
Шайба пружинная
В узле: 4
26
60.1111074
Пара плунжерная топливного насоса в сборе
В узле: 6
27
60.1111074
Пара плунжерная топливного насоса в сборе
В узле: 6
28
236-1111020-В2
Корпус топливного насоса высокого давления в сборе
В узле: 1
28
238-1111020-В2
Корпус топливного насоса высокого давления в сборе
В узле: 1
29
314019-П
Шпонка сегментная
В узле: 1
30
236-1111172-Б
Вал кулачковый
В узле: 1
30
238-1111172-Б
Вал кулачковый
В узле: 1
31
238-1111040
Рейка ТНВД
В узле: 1
31
236-1111040
Рейка топливного насоса высокого давления
В узле: 1
32
852702-П
Шплинт-проволока
В узле: 1
33
852007-П15
Болт
В узле: 2
34
236-1111177-Б
Опора кулачкового вала
В узле: 1
35
236-1111050
Пробка корпуса в сборе
В узле: 2
36
236-1111060
Венец зубчатый со втулкой в сборе
В узле: 8
37
236-1111150Б
Тарелка пружины толкателя верхняя
В узле: 8
38
236-1111148-Б
Пружина толкателя топливного насоса
В узле: 6
39
236-1111151-Б
Тарелка пружины толкателя нижняя
В узле: 8
40
236-1111136
Толкатель плунжера в сборе
В узле: 8
41
312449-П
Шайба
В узле: 3
42
236-1111036
Ввертыш
В узле: 1
43
312446-П
Шайба
В узле: 2
44
852882-П15
Пробка
В узле: 2
45
236-1111122
Винт установочный втулки плунжера
В узле: 8
46
200276-П29
Болт
В узле: 4
47
236-1111260
Сапун в сборе
В узле: 1
48
312356-П29
Шайба
В узле: 4
49
236-1111226
Прокладка крышки
В узле: 1
49
238-1111226
Прокладка крышки
В узле: 1
50
236-1111222-В
Крышка насоса высокого давления
В узле: 1
50
238-1111222-В
Крышка насоса высокого давления
В узле: 1
51
236-1111227-Б
Винт крепления крышки
В узле: 2
52
312651-П
Шайба
В узле: 4
53
238-1111294-А
Трубка дренажная в сборе
В узле: 1
53
236-1111294-Б2
Трубка дренажная в сборе
В узле: 1
54
315455-П29
Кляммер крепления трубки
В узле: 1
55
252135-П2
Шайба
В узле: 1
56
201452-П29
Болт
В узле: 1
57
310122-П2
Болт М10х1х20
В узле: 1
58
312482-П34
Шайба уплотнительная диаметр 10 мм болта крепления сливных трубок
В узле: 2
59
236-1111229-Б
Винт крепления крышки
В узле: 2
60
236-1111271-Б
Указатель уровня масла в сборе
В узле: 1
61
236-1111027
Заглушка чашечная
В узле: 8
62
312439-П15
Шайба
В узле: 2
63
236-1111194
Прокладка крышки
В узле: 3
64
236-1111193
Прокладка крышки
В узле: 9
65
236-1111182
Крышка подшипника
В узле: 1
66
311200-П29
Винт
В узле: 4
67
236-1111186-А
Сальник крышки подшипника с пружиной в сборе
В узле: 1
68
236-1111196
Кольцо уплотнительное корпуса регулятора
В узле: 1
69
7204А
Подшипник роликовый кулачкового вала
В узле: 2
70
236-1111245
Кольцо уплотнительное ограничителя мощности
В узле: 1
Содержащиеся в справочниках-каталогах запасные части и детали не предлагаются к продаже, а носят исключительно информационный характер

Ваша заявка была отправлена. В ближайшее время наши специалисты с Вами свяжутся по указанному Вами телефону.

Представьтесь
Поле обязательно для заполнения
Ваш телефон
Введите правильный номер телефона
E-mail
Введите правильный e-mail
Тема
Тема
применяемость финансирование доставка цена, наличие другое сервис и гарантия
Время для звонка
08:00
08:00 09:00 10:00 11:00 12:00 13:00 14:00 15:00 16:00 17:00 18:00 19:00
19:00
08:00 09:00 10:00 11:00 12:00 13:00 14:00 15:00 16:00 17:00 18:00 19:00

Мы постараемся перезвонить в указанное время

Если вы не хотите ждать, то звоните нашим вежливым консультантам:

8 800 100-2-700
Подтвердите, что вы не робот
Подтвердите, что вы не робот
Спасибо!

Ваше сообщение успешно отправлено!

ЗакрытьПовторить попытку