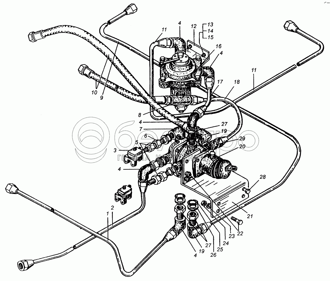
Каталог запасных частей к технике: МАЗ-5429. Трубопроводы к тормозным кранам МАЗ-509А

zoom-in zoom-out enlarge shrink circle-right circle-left file-text2 info cart arraw right arraw left zoom out zoom in arraw maximize arraw minimize
1
2
3
4
4
4
4
4
5
6
7
8
9
10
11
11
12
13
14
15
16
17
18
19
19
20
21
22
23
24
25
26
27
27
28
29
25
020-025-30-2-2
Кольцо
В узле: 7
020-025-30-2-2 Кольцо уплотнительное, Беларусь >10 шт. 21.53 р.
008-011-19-2-2
Кольцо
В узле: 6
008-011-19-2-2 Кольцо уплотнительное, Беларусь Под заказ 10.30 р.
10
5336-3506187
Шланг от двойного защитного клапана к левому воздушному баллону в сборе
В узле: 1
315406-П29
Кляммер
В узле: 3
250508-П29
Гайка М6
В узле: 2
201424-П29
Болт
В узле: 1
201420-П29
Болт М6х20
В узле: 1
1
509А-3506282
Трубка от тормозного крана к правой тормозной камере в сборе
В узле: 1
2
509А-3506283
Трубка от тормозного крана к левой тормозной камере в сборе
В узле: 1
3
СБ131-3720010-А2
Включатель сигнала «Стоп»
В узле: 2
4
402741-П29
Угольник
В узле: 5
5
379935-П29
Гайка переходная
В узле: 2
6
012-016-25-2-2
Кольцо резиновое
В узле: 3
7
379072-П29
Угольник
В узле: 1
8
401438-П29
Тройник
В узле: 1
9
509А-3506289
Воздухопровод в сборе
В узле: 1
11
509А-3506329
Трубка от крана прицепа к разобщительному крану в сборе
В узле: 1
12
5336-3508077
Кронштейн крепления клапана управления прицепа с рычагом в сборе
В узле: 1
22
201499-П29
Болт
В узле: 6
24
250512-П29
Гайка
В узле: 8
15
252134-П2
Шайба
В узле: 4
16
100-3522110-10
Клапан управления тормозами прицепа с однопроводным приводом
В узле: 1
17
509А-3506352
Трубка от тормозного крана к крану прицепа в сборе
В узле: 1
18
509А-3506240
Трубка от тормозного крана к крану прицепа в сборе
В узле: 1
19
402776-П29
Угольник
В узле: 3
20
100-3514008
Кран с рычагом в сборе
В узле: 1
21
504В-3514150-И
Кронштейн крепления тормозного крана
В узле: 1
23
252136-П2
Шайба
В узле: 8
26
376145-П29
Шайба
В узле: 7
27
374939-П29
Гайка
В узле: 7
28
200315-П29
Болт
В узле: 3
29
404314-П29
Штуцер
В узле: 1
Содержащиеся в справочниках-каталогах запасные части и детали не предлагаются к продаже, а носят исключительно информационный характер

Ваша заявка была отправлена. В ближайшее время наши специалисты с Вами свяжутся по указанному Вами телефону.

Представьтесь
Поле обязательно для заполнения
Ваш телефон
Введите правильный номер телефона
E-mail
Введите правильный e-mail
Тема
Тема
применяемость финансирование доставка цена, наличие другое сервис и гарантия
Время для звонка
08:00
08:00 09:00 10:00 11:00 12:00 13:00 14:00 15:00 16:00 17:00 18:00 19:00
19:00
08:00 09:00 10:00 11:00 12:00 13:00 14:00 15:00 16:00 17:00 18:00 19:00

Мы постараемся перезвонить в указанное время

Если вы не хотите ждать, то звоните нашим вежливым консультантам:

8 800 100-2-700
Подтвердите, что вы не робот
Подтвердите, что вы не робот
Спасибо!

Ваше сообщение успешно отправлено!

ЗакрытьПовторить попытку