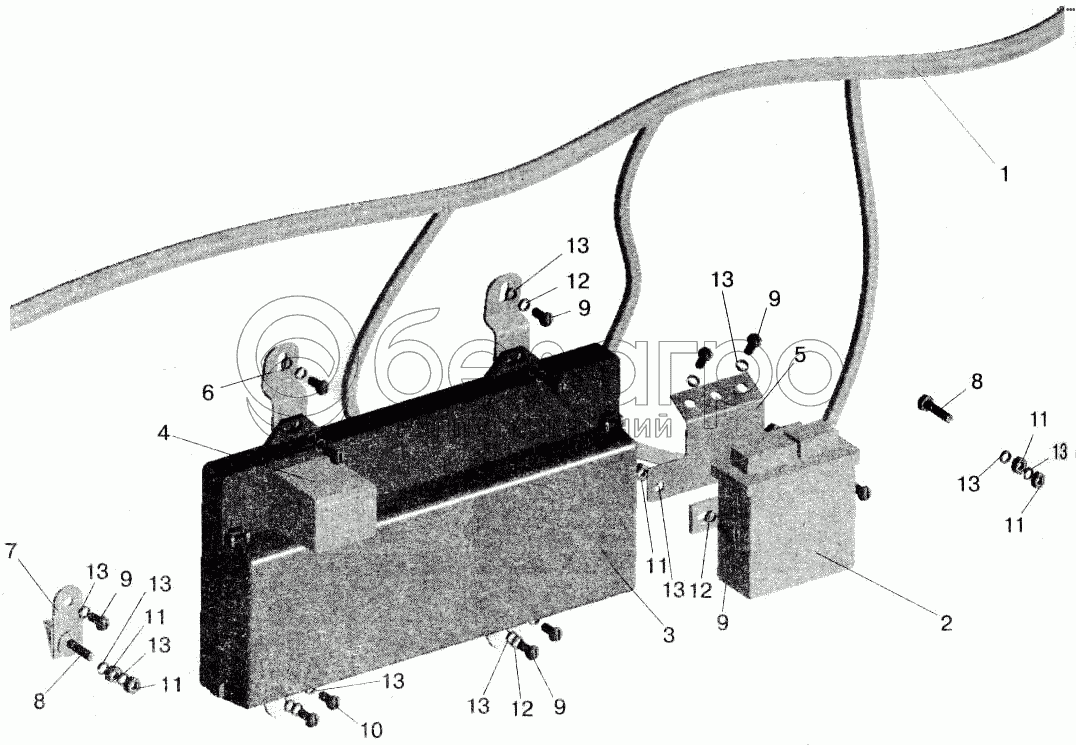
Каталог запасных частей к технике: МАЗ-543202. Установка коммутационной аппаратуры

zoom-in zoom-out enlarge shrink circle-right circle-left file-text2 info cart arraw right arraw left zoom out zoom in arraw maximize arraw minimize
1
2
3
4
5
6
7
8
8
9
9
9
9
9
10
11
11
11
11
11
12
12
12
13
13
13
13
13
13
13
13
13
13
1
64221-3724008-01
Жгут основной
В узле: 1
2
РС951А-3726010
Прерыватель указателей поворота
В узле: 1
3
23.3722-02
Блок предохранителей и реле
В узле: 1
4
461.374.7010
Прерыватель стеклоочистителя
В узле: 1
5
64221-3726038
Кронштейн
В узле: 1
6
64221-3723064
Кронштейн
В узле: 2
7
64221-3724572
Кронштейн
В узле: 1
8
201422
Болт М6-6gх25
В узле: 2
9
220103
Винт М6-6gх12
В узле: 11
10
220109
Винт М6-6gх25
В узле: 2
11
250508
Гайка М6-6Н
В узле: 6
12
252004
Шайба 6
В узле: 10
13
252154
Шайба 6Л
В узле: 19
Содержащиеся в справочниках-каталогах запасные части и детали не предлагаются к продаже, а носят исключительно информационный характер

Ваша заявка была отправлена. В ближайшее время наши специалисты с Вами свяжутся по указанному Вами телефону.

Представьтесь
Поле обязательно для заполнения
Ваш телефон
Введите правильный номер телефона
E-mail
Введите правильный e-mail
Тема
Тема
применяемость финансирование доставка цена, наличие другое сервис и гарантия
Время для звонка
08:00
08:00 09:00 10:00 11:00 12:00 13:00 14:00 15:00 16:00 17:00 18:00 19:00
19:00
08:00 09:00 10:00 11:00 12:00 13:00 14:00 15:00 16:00 17:00 18:00 19:00

Мы постараемся перезвонить в указанное время

Если вы не хотите ждать, то звоните нашим вежливым консультантам:

8 800 100-2-700
Подтвердите, что вы не робот
Подтвердите, что вы не робот
Спасибо!

Ваше сообщение успешно отправлено!

ЗакрытьПовторить попытку