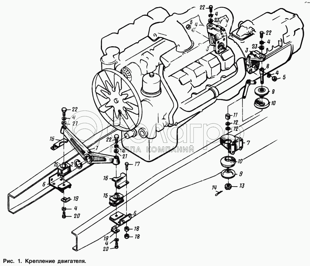
Каталог запасных частей к технике: МАЗ-54321. Крепление двигателя

zoom-in zoom-out enlarge shrink circle-right circle-left file-text2 info cart arraw right arraw left zoom out zoom in arraw maximize arraw minimize
1
2
3
3
4
4
4
4
4
4
4
4
5
5
6
6
7
8
9
9
10
10
11
12
12
13
14
15
15
16
16
17
18
18
19
19
20
20
21
21
22
22
22
22
23
23
1
64221-1001016
Балка
В узле: 1
2
400416
Кольцо
В узле: 1
3
64221-1001046-20
Кронштейн боковой опоры двигателя
В узле: 2
4
252139
Шайба 16.ОТ
В узле: 14
5
250561
Гайка М16х1,5-6Н
В узле: 8
6
64221-1001048
Кронштейн
В узле: 2
7
64221-1001049
Кронштейн
В узле: 2
8
64221-1001098
Палец
В узле: 2
9
64221-1001067
Накладка
В узле: 4
10
64221-1001029
Амортизатор
В узле: 4
11
64221-1001068
Втулка
В узле: 2
12
64221-1001069
Прокладка регулировочная
В узле: 2
13
250909
Гайка М22х1,5-5Н6Н
В узле: 2
14
258056
Шплинт 4х40
В узле: 2
15
64221-1001035
Подушка боковой опоры
В узле: 2
16
64221-1001060
Ограничитель
В узле: 2
17
200864
Болт М16-6gх60
В узле: 4
18
250560
Гайка М16-6Н
В узле: 8
19
64221-1001024
Фиксатор
В узле: 2
20
202137
Болт М16х1,5-6gх25
В узле: 2
21
252047
Шайба 16
В узле: 2
22
45 9318 1187
Болт М16х1,5-6gх30
В узле: 4
23
376132
Шайба 18
В узле: 2
Содержащиеся в справочниках-каталогах запасные части и детали не предлагаются к продаже, а носят исключительно информационный характер

Ваша заявка была отправлена. В ближайшее время наши специалисты с Вами свяжутся по указанному Вами телефону.

Представьтесь
Поле обязательно для заполнения
Ваш телефон
Введите правильный номер телефона
E-mail
Введите правильный e-mail
Тема
Тема
применяемость финансирование доставка цена, наличие другое сервис и гарантия
Время для звонка
08:00
08:00 09:00 10:00 11:00 12:00 13:00 14:00 15:00 16:00 17:00 18:00 19:00
19:00
08:00 09:00 10:00 11:00 12:00 13:00 14:00 15:00 16:00 17:00 18:00 19:00

Мы постараемся перезвонить в указанное время

Если вы не хотите ждать, то звоните нашим вежливым консультантам:

8 800 100-2-700
Подтвердите, что вы не робот
Подтвердите, что вы не робот
Спасибо!

Ваше сообщение успешно отправлено!

ЗакрытьПовторить попытку