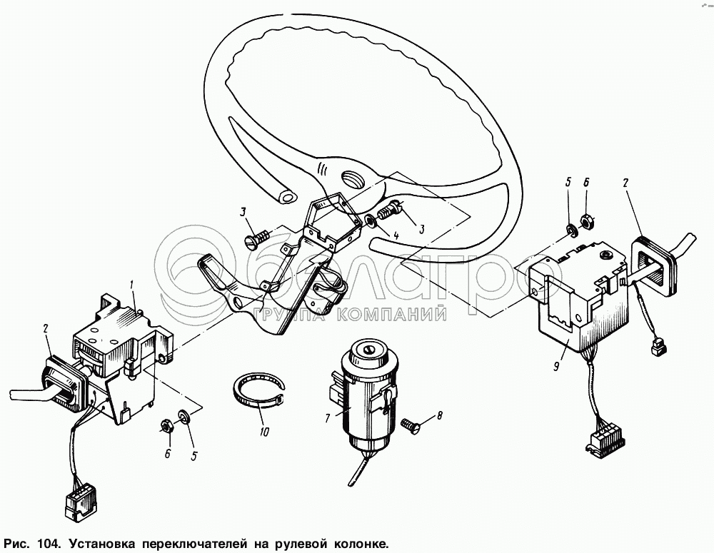
Каталог запасных частей к технике: МАЗ-54321. Установка переключателей на рулевой колонке

zoom-in zoom-out enlarge shrink circle-right circle-left file-text2 info cart arraw right arraw left zoom out zoom in arraw maximize arraw minimize
1
2
2
3
3
4
5
5
6
6
7
8
9
10
1
66.3709000
Переключатель указателей поворотов, ближнего и дальнего света
В узле: 1
2
64221-3709222
Чехол переключателя
В узле: 2
3
220080
Винт М5-6gх16
В узле: 4
4
252003
Шайба 5
В узле: 2
5
252133
Шайба 5Т
В узле: 4
6
250464
Гайка М5-6Н
В узле: 4
7
2101-3704000-10
Замок зажигания с противоугонным устройством
В узле: 1
8
220051
Винт М4-6gх10
В узле: 3
9
40.3709000
Переключатель стеклоочистителя со стеклоомывателем
В узле: 1
10
64227-3724622
Хомут крепления проводов
В узле: 3
Содержащиеся в справочниках-каталогах запасные части и детали не предлагаются к продаже, а носят исключительно информационный характер

Ваша заявка была отправлена. В ближайшее время наши специалисты с Вами свяжутся по указанному Вами телефону.

Представьтесь
Поле обязательно для заполнения
Ваш телефон
Введите правильный номер телефона
E-mail
Введите правильный e-mail
Тема
Тема
применяемость финансирование доставка цена, наличие другое сервис и гарантия
Время для звонка
08:00
08:00 09:00 10:00 11:00 12:00 13:00 14:00 15:00 16:00 17:00 18:00 19:00
19:00
08:00 09:00 10:00 11:00 12:00 13:00 14:00 15:00 16:00 17:00 18:00 19:00

Мы постараемся перезвонить в указанное время

Если вы не хотите ждать, то звоните нашим вежливым консультантам:

8 800 100-2-700
Подтвердите, что вы не робот
Подтвердите, что вы не робот
Спасибо!

Ваше сообщение успешно отправлено!

ЗакрытьПовторить попытку