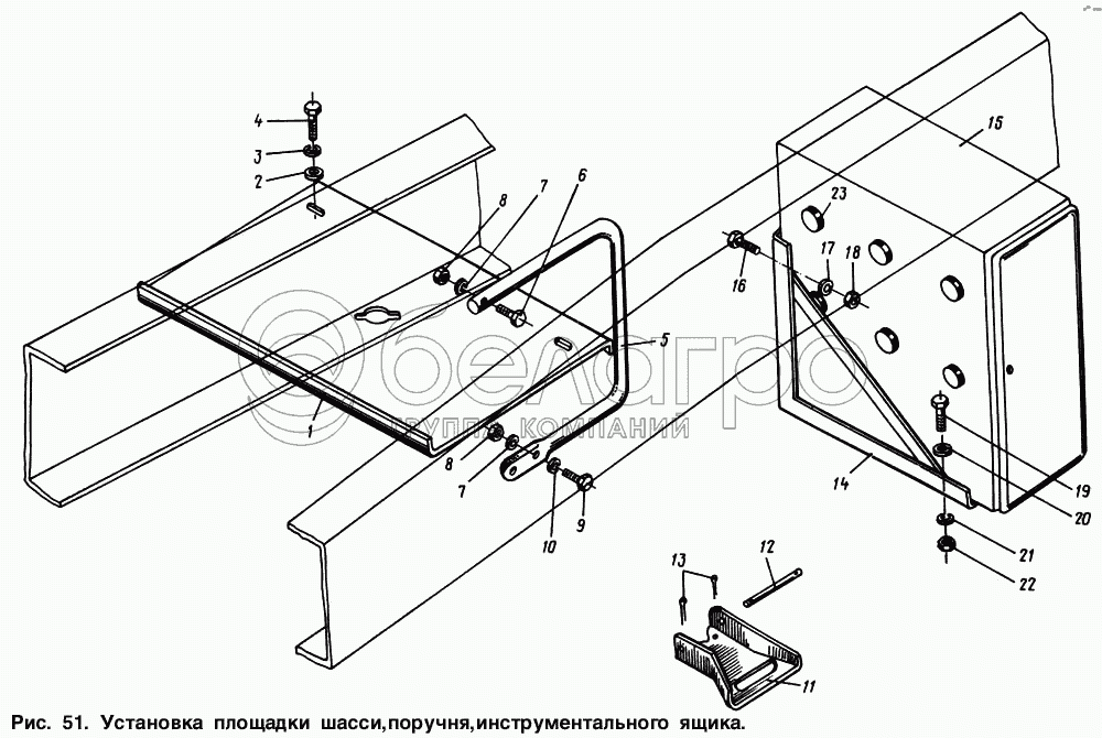
Каталог запасных частей к технике: МАЗ-54321. Установка площадки шасси, поручня, инструментального ящика

zoom-in zoom-out enlarge shrink circle-right circle-left file-text2 info cart arraw right arraw left zoom out zoom in arraw maximize arraw minimize
1
2
3
4
5
6
7
7
8
8
9
10
11
12
13
14
15
16
17
18
19
20
21
22
23
1
64221-2802096
Площадка шасси
В узле: 1
2
252045
Шайба 12
В узле: 2
3
252137
Шайба 12.ОТ
В узле: 2
4
201538
Болт М12-6gх25
В узле: 2
5
64221-8202072
Поручень
В узле: 1
6
201464
Болт М8-6gх40
В узле: 1
7
252135
Шайба 8Т
В узле: 3
8
250510
Гайка М8-6Н
В узле: 3
9
201458
Болт М8-6gх25
В узле: 2
10
252005
Шайба 8
В узле: 2
11
64221-2802068
Подножка
В узле: 1
12
64221-2802075
Ось
В узле: 1
13
258024
Шплинт 2,5х16
В узле: 2
14
64221-8507140
Кронштейн
В узле: 1
15
500А-8507010
Ящик инструментальный
В узле: 1
16
201585
Болт М14-6gх30
В узле: 4
17
252138
Шайба 14.ОТ
В узле: 4
18
250558
Гайка М14-6Н
В узле: 4
19
201497
Болт М10-6gх25
В узле: 4
20
252006
Шайба 10
В узле: 4
21
252136
Шайба 10.ОТ
В узле: 4
22
250512
Гайка М10-6Н
В узле: 4
23
500АС-8507096
Заглушка
В узле: 6
Содержащиеся в справочниках-каталогах запасные части и детали не предлагаются к продаже, а носят исключительно информационный характер

Ваша заявка была отправлена. В ближайшее время наши специалисты с Вами свяжутся по указанному Вами телефону.

Представьтесь
Поле обязательно для заполнения
Ваш телефон
Введите правильный номер телефона
E-mail
Введите правильный e-mail
Тема
Тема
применяемость финансирование доставка цена, наличие другое сервис и гарантия
Время для звонка
08:00
08:00 09:00 10:00 11:00 12:00 13:00 14:00 15:00 16:00 17:00 18:00 19:00
19:00
08:00 09:00 10:00 11:00 12:00 13:00 14:00 15:00 16:00 17:00 18:00 19:00

Мы постараемся перезвонить в указанное время

Если вы не хотите ждать, то звоните нашим вежливым консультантам:

8 800 100-2-700
Подтвердите, что вы не робот
Подтвердите, что вы не робот
Спасибо!

Ваше сообщение успешно отправлено!

ЗакрытьПовторить попытку