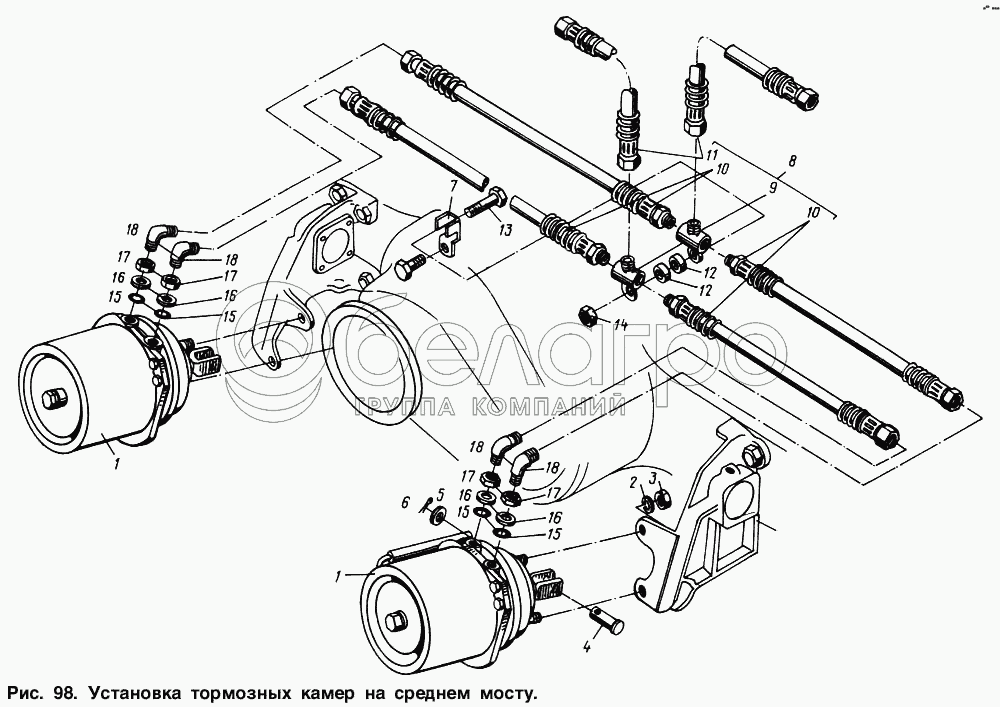
Каталог запасных частей к технике: МАЗ-54321. Установка тормозных камер на среднем мосту

zoom-in zoom-out enlarge shrink circle-right circle-left file-text2 info cart arraw right arraw left zoom out zoom in arraw maximize arraw minimize
1
2
3
4
5
6
7
8
9
10
10
11
12
12
13
14
15
15
15
15
16
16
16
16
16
16
16
16
17
17
17
17
79040100
Камера (заготовка для 64221-3519200)
В узле: 2
1
64221-3519200
Камера тормозная задняя
В узле: 2
2
252139
Шайба 16.ОТ
В узле: 4
3
250561
Гайка М16х1,5-6Н
В узле: 4
4
260089
Палец 12х40
В узле: 2
5
252007
Шайба 12
В узле: 2
6
258052
Шплинт 4х20
В узле: 2
7
64221-3506082
Кронштейн
В узле: 1
8
5434-3506098
Шланги с соединителем
В узле: 2
9
5335-3506283
Соединитель
В узле: 4
10
6422-3506094
Шланг
В узле: 2
11
5336-3506085-01
Шланг к передним тормозным камерам
В узле: 2
12
500-5001083
Втулка распорная
В узле: 2
13
200213
Болт М6-6gх35
В узле: 1
14
45 9991 2525
Гайка М10х1-6Н
В узле: 1
15
014-018-25-2-3
Кольцо
В узле: 1
16
402769
Угольник
В узле: 4
16
375960
Шайба 16
В узле: 4
17
250636
Гайка М16х1,5-6Н
В узле: 4
Содержащиеся в справочниках-каталогах запасные части и детали не предлагаются к продаже, а носят исключительно информационный характер

Ваша заявка была отправлена. В ближайшее время наши специалисты с Вами свяжутся по указанному Вами телефону.

Представьтесь
Поле обязательно для заполнения
Ваш телефон
Введите правильный номер телефона
E-mail
Введите правильный e-mail
Тема
Тема
применяемость финансирование доставка цена, наличие другое сервис и гарантия
Время для звонка
08:00
08:00 09:00 10:00 11:00 12:00 13:00 14:00 15:00 16:00 17:00 18:00 19:00
19:00
08:00 09:00 10:00 11:00 12:00 13:00 14:00 15:00 16:00 17:00 18:00 19:00

Мы постараемся перезвонить в указанное время

Если вы не хотите ждать, то звоните нашим вежливым консультантам:

8 800 100-2-700
Подтвердите, что вы не робот
Подтвердите, что вы не робот
Спасибо!

Ваше сообщение успешно отправлено!

ЗакрытьПовторить попытку