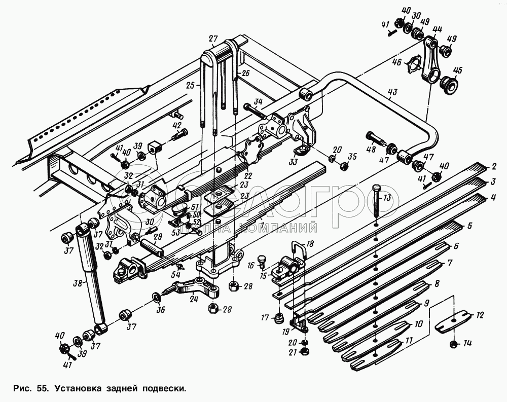
Каталог запасных частей к технике: МАЗ-54321. Установка задней подвески

zoom-in zoom-out enlarge shrink circle-right circle-left file-text2 info cart arraw right arraw left zoom out zoom in arraw maximize arraw minimize
1
2
3
4
5
6
7
8
9
10
11
12
13
14
15
16
17
18
19
20
20
21
22
23
23
24
25
26
27
28
28
29
30
30
31
31
32
32
33
34
35
36
37
37
37
37
38
39
39
40
40
40
40
41
41
41
41
42
43
44
45
46
47
47
48
49
49
50
51
52
53
54
37
500А-2905410
Буфер
В узле: 8
500А-2905410 Втулка амортизатора (одинарная) <10 шт. 94.56 р.
64221-2905006
Амортизатор в сборе
В узле: 2
1
5556-2912012-05
Рессора основная
В узле: 2
2
509-2912101-20
Лист № 1 задней рессоры
В узле: 2
3
509-2912102-20
Лист № 2 задней рессоры
В узле: 2
4
509-2912105-11
Лист 3
В узле: 2
5
509-2912104-20
Лист 4
В узле: 2
6
509-2912106-11
Лист 5
В узле: 2
7
509-2912107-11
Лист 6
В узле: 2
8
509-2912108-11
Лист 7
В узле: 2
9
509-2912109-11
Лист 8
В узле: 2
10
509-2912110-11
Лист 9
В узле: 2
11
509-2912112-11
Лист 10
В узле: 2
12
509-2912113-11
Лист 11
В узле: 2
13
374799
Болт М12х1,25-6gх160
В узле: 2
14
250515
Гайка М12х1,25-6Н
В узле: 2
15
5336-2912015
Ушко в сборе
В узле: 2
16
64221-2902020
Палец
В узле: 2
17
5335-2902018
Втулка накладного ушка передней рессоры
В узле: 2
18
54321-2912024
Стремянка ушка рессоры
В узле: 2
19
54321-2912025
Накладка ушка
В узле: 2
20
252139
Шайба 16.ОТ
В узле: 6
21
374727
Гайка М16х1,5-5Н6Н
В узле: 1
22
500А-2913012
Рессора дополнительная
В узле: 2
23
500А-2912418
Пластина
В узле: 4
24
54321-2915416
Кронштейн амортизатора
В узле: 2
25
5551-2912408
Стремянка рессоры
В узле: 2
26
509-2912408
Стремянка задней рессоры
В узле: 4
27
5206-2512412
Накладка
В узле: 2
28
375059
Гайка М27х2-5Н6Н
В узле: 8
29
500А-2912478
Палец
В узле: 2
30
500А-2912482
Клин пальца ушка задней рессоры
В узле: 2
31
252137
Шайба 12.ОТ
В узле: 6
32
250514
Гайка М12-6Н
В узле: 6
33
504Н-2902449
Вкладыш кронштейна рессоры
В узле: 2
34
200880
Болт М16-6gх160
В узле: 2
35
250560
Гайка М16-6Н
В узле: 2
36
500А-2905420
Шайба
В узле: 2
38
5336-2905006-01
Амортизатор
В узле: 2
39
252049
Шайба 20
В узле: 6
40
374910
Гайка М20х1,5-5Н6Н
В узле: 8
41
258056
Шплинт 4х40
В узле: 8
42
54321-2915470
Палец
В узле: 2
43
54321-2916016
Вал стабилизатора
В узле: 1
44
54321-2916022
Рычаг
В узле: 2
45
54321-2916030
Втулка
В узле: 2
48
54321-2916032
Кольцо стопорное
В узле: 2
47
54321-2916028
Втулка
В узле: 4
49
64221-2906028
Втулка
В узле: 4
50
5336-2912626-10
Кронштейн буфера
В узле: 2
51
5336-2912622-10
Буфер задней рессоры
В узле: 2
52
252045
Шайба 12
В узле: 4
53
201542
Болт М12-6gх35
В узле: 4
54
264020
Масленка 1.3.Ц6хр
В узле: 2
Содержащиеся в справочниках-каталогах запасные части и детали не предлагаются к продаже, а носят исключительно информационный характер

Ваша заявка была отправлена. В ближайшее время наши специалисты с Вами свяжутся по указанному Вами телефону.

Представьтесь
Поле обязательно для заполнения
Ваш телефон
Введите правильный номер телефона
E-mail
Введите правильный e-mail
Тема
Тема
применяемость финансирование доставка цена, наличие другое сервис и гарантия
Время для звонка
08:00
08:00 09:00 10:00 11:00 12:00 13:00 14:00 15:00 16:00 17:00 18:00 19:00
19:00
08:00 09:00 10:00 11:00 12:00 13:00 14:00 15:00 16:00 17:00 18:00 19:00

Мы постараемся перезвонить в указанное время

Если вы не хотите ждать, то звоните нашим вежливым консультантам:

8 800 100-2-700
Подтвердите, что вы не робот
Подтвердите, что вы не робот
Спасибо!

Ваше сообщение успешно отправлено!

ЗакрытьПовторить попытку