Каталог запасных частей к технике: МАЗ-54326. Привод управления двигателем

zoom-in zoom-out enlarge shrink circle-right circle-left file-text2 info cart arraw right arraw left zoom out zoom in arraw maximize arraw minimize
1
2
3
4
4
4
4
5
5
6
7
8
9
9
9
9
9
10
11
11
12
13
14
15
16
17
18
19
20
21
21
22
23
24
25
26
27
27
28
29
31
31
31
32
33
34
35
36
37
38
39
40
41
42
42
42
43
44
44
45
46
47
64226-1108005
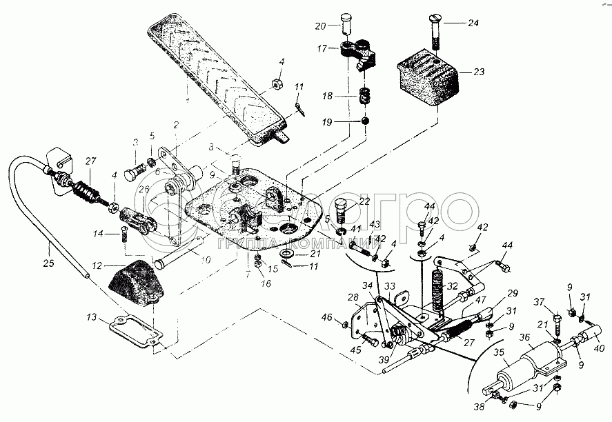
Педаль с кронштейном в сборе
В узле: 1
1
64226-1108014
Педаль
В узле: 1
2
64226-1108056
Втулка с пластиной и рычагом
В узле: 1
3
201422
Болт М6-6gх25
В узле: 2
4
250508
Гайка М6-6Н
В узле: 6
5
252154
Шайба 6Л
В узле: 5
6
5336-1108161
Кольцо
В узле: 1
7
64221-1108025
Кронштейн педали
В узле: 1
8
210381
Болт М8-6gх22
В узле: 1
9
250510
Гайка М8-6Н
В узле: 7
10
377931
Палец 10х75
В узле: 2
11
258039
Шплинт 3,2х20
В узле: 1
12
5336-1108058
Крышка
В узле: 1
13
5336-1108059
Прокладка
В узле: 1
14
220080
Винт М5-6gх16
В узле: 1
15
252133
Шайба 5Т
В узле: 2
16
250464
Гайка М5-6Н
В узле: 2
17
5336-1108432
Защелка
В узле: 2
18
500-1310127
Пружина
В узле: 1
19
45 9115 5561
Шарик 7,938-100
В узле: 1
20
260033
Палец
В узле: 1
21
252005
Шайба 8
В узле: 3
22
201420
Болт М6-6gх20
В узле: 3
23
64221-1108029
Подставка
В узле: 1
24
221617
Винт 2М6-6gх45
В узле: 2
25
81.95501-6272
Трос
В узле: 1
26
64226-1108112
Вилка
В узле: 1
27
8196420-0317
Чехол
В узле: 2
28
544022-1108140
Кронштейн
В узле: 1
29
81.95301-6144
Угловой шарнир
В узле: 1
30
81.48230-0088
Рычаг
В узле: 1
31
252135
Шайба 8Т
В узле: 6
32
81.97610-0286
Оттяжная пружина
В узле: 1
33
544022-1108135
Рычаг
В узле: 1
34
544022-1108130
Кронштейн
В узле: 1
35
42 1442 0620
Цилиндр
В узле: 1
36
6432-1108138
Хомут
В узле: 1
37
201458
Болт М8-6gх25
В узле: 2
38
6432-1108148
Палец шаровой
В узле: 1
39
500-1310075
Пружина
В узле: 1
40
500-1108138
Наконечник тяги в сборе
В узле: 1
41
509-3570196
Ось рычага останова двигателя
В узле: 1
42
252134
Шайба 6Т
В узле: 2
43
258038
Шплинт 3,2х16
В узле: 1
44
201418
Болт М6-6gх16
В узле: 2
45
201585
Болт М14-6gх30
В узле: 3
46
252138
Шайба 14.ОТ
В узле: 3
47
544022-1108134
Пластина
В узле: 1
Содержащиеся в справочниках-каталогах запасные части и детали не предлагаются к продаже, а носят исключительно информационный характер

Ваша заявка была отправлена. В ближайшее время наши специалисты с Вами свяжутся по указанному Вами телефону.

Представьтесь
Поле обязательно для заполнения
Ваш телефон
Введите правильный номер телефона
E-mail
Введите правильный e-mail
Тема
Тема
применяемость финансирование доставка цена, наличие другое сервис и гарантия
Время для звонка
08:00
08:00 09:00 10:00 11:00 12:00 13:00 14:00 15:00 16:00 17:00 18:00 19:00
19:00
08:00 09:00 10:00 11:00 12:00 13:00 14:00 15:00 16:00 17:00 18:00 19:00

Мы постараемся перезвонить в указанное время

Если вы не хотите ждать, то звоните нашим вежливым консультантам:

8 800 100-2-700
Подтвердите, что вы не робот
Подтвердите, что вы не робот
Спасибо!

Ваше сообщение успешно отправлено!

ЗакрытьПовторить попытку