Каталог запасных частей к технике: МАЗ-54326. Щиток приборов

zoom-in zoom-out enlarge shrink circle-right circle-left file-text2 info cart arraw right arraw left zoom out zoom in arraw maximize arraw minimize
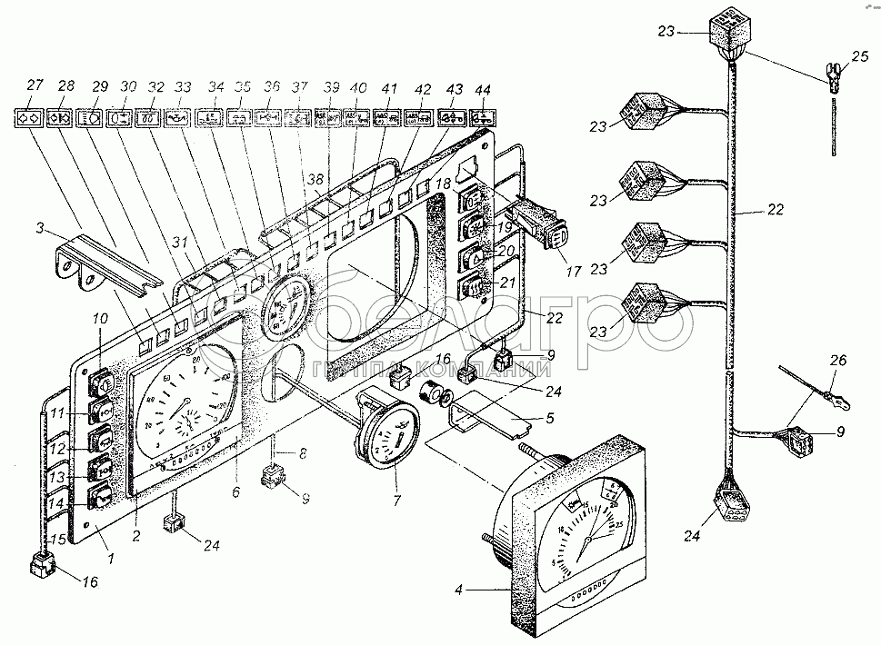
1
2
3
4
5
6
7
8
9
9
9
10
11
12
13
14
15
16
16
17
18
19
20
21
22
22
23
23
23
23
23
24
24
24
25
26
27
28
29
30
31
32
33
34
35
36
37
38
39
40
41
42
43
44
1
64226-3805014
Панель щитка приборов
В узле: 1
2
81.27101.6347
Тахограф
В узле: 1
3
64226-3805079
Скоба тахографа
В узле: 2
4
454/1/1
Тахометр
В узле: 1
5
64226-3805080
Скоба
В узле: 2
6
310.474/2/16
Указатель температуры охлаждающей жидкости
В узле: 1
7
350.474/2/38
Указатель давления масла
В узле: 1
8
64226-3724076
Жгут указателей
В узле: 1
9
45 7373 9011
Колодка гнездовая
В узле: 2
10
3812.3710000-02-05
Выключатель фары освещения сцепки
В узле: 1
11
3812.3710000-02.28
Выключатель блокировки межколесного дифференциала
В узле: 1
12
3812.3710000-02.09
Выключатель унифицированный
В узле: 1
13
3812.3710000-02.38
Выключатель фонаря знака автопоезда
В узле: 1
14
3812.3710000-02.27
Выключатель блокировки поворотной оси полуприцепа
В узле: 1
15
64221-3724012
Жгут левых выключателей
В узле: 1
16
45 7373 9096
Колодка штыревая
В узле: 2
17
3812.3710000-10.03
Выключатель противотуманных фар
В узле: 1
18
3812.3710000-02.04
Выключатель заднего противотуманного фонаря
В узле: 1
19
3812.3710000-02.17
Выключатель холодильника
В узле: 1
20
3812.3710000-02.38
Выключатель фонаря знака автопоезда
В узле: 1
21
3812.3710000-02.23
Выключатель обогрева зеркал
В узле: 1
22
64221-3724014
Жгут правых выключателей
В узле: 1
23
45 7373 9094
Колодка гнездовая
В узле: 5
24
45 7373 9095
Колодка Б 02 6 06 10
В узле: 2
25
45 7373 8008
Гнездо
В узле: 29
26
45 7373 8004
Штырь
В узле: 6
27
2212-3803010-07
Лампа контрольная включения сигнала поворота
В узле: 1
28
2212-3803010-08
Лампа контрольная включения сигнала поворота прицепа
В узле: 1
29
2212-3803010-28
Лампа контрольная включения дальнего света фар
В узле: 1
30
2212-3803010-11
Лампа контрольная
В узле: 1
31
64226-3724017
Жгут левых контрольных ламп
В узле: 1
32
2212-3803010-17
Лампа контрольная включения электрофакельного подогревателя
В узле: 1
33
2212-3803010-23
Лампа контрольная
В узле: 1
34
2212-3803010-22
Лампа контрольная
В узле: 1
35
2212-3803010-16
Лампа контрольная
В узле: 1
36
2212-3803010-13
Лампа контрольная включения блокировки межколесного дифференциала
В узле: 1
37
2212-3803010-14
Лампа контрольная включения блокировки межосевого дифференциала
В узле: 1
38
64226-3724019
Жгут контрольных ламп
В узле: 1
39
2212.3803.55
Лампа диагностическая АБС
В узле: 1
40
2212.3803.53
Лампа контрольная АБС тягача
В узле: 1
41
2212.3803.54
Лампа контрольная АБС прицепа
В узле: 1
42
2212.3803.56
Лампа контрольная соединения с АБС прицепа
В узле: 1
43
2212.3803.57
Лампа контрольная исправности
В узле: 1
44
2212.3803.58
Лампа контрольная транспортного положения пневмоподвески
В узле: 1
Содержащиеся в справочниках-каталогах запасные части и детали не предлагаются к продаже, а носят исключительно информационный характер

Ваша заявка была отправлена. В ближайшее время наши специалисты с Вами свяжутся по указанному Вами телефону.

Представьтесь
Поле обязательно для заполнения
Ваш телефон
Введите правильный номер телефона
E-mail
Введите правильный e-mail
Тема
Тема
применяемость финансирование доставка цена, наличие другое сервис и гарантия
Время для звонка
08:00
08:00 09:00 10:00 11:00 12:00 13:00 14:00 15:00 16:00 17:00 18:00 19:00
19:00
08:00 09:00 10:00 11:00 12:00 13:00 14:00 15:00 16:00 17:00 18:00 19:00

Мы постараемся перезвонить в указанное время

Если вы не хотите ждать, то звоните нашим вежливым консультантам:

8 800 100-2-700
Подтвердите, что вы не робот
Подтвердите, что вы не робот
Спасибо!

Ваше сообщение успешно отправлено!

ЗакрытьПовторить попытку