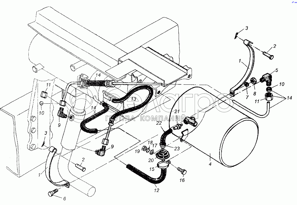
Каталог запасных частей к технике: МАЗ-54326. Топливопроводы подогревателя

zoom-in zoom-out enlarge shrink circle-right circle-left file-text2 info cart arraw right arraw left zoom out zoom in arraw maximize arraw minimize
1
1
2
2
3
3
4
5
6
7
8
9
9
10
10
11
11
12
13
14
14
14
15
16
17
18
19
20
21
22
23
1
64227-1203030
Хомут
В узле: 4
2
260092
Палец 12х48
В узле: 4
3
258053
Шплинт 4х25
В узле: 4
4
64229-1015910
Бачок топливный
В узле: 1
5
402766
Угольник
В узле: 2
6
200317
Болт М10-6gх45
В узле: 2
7
252136
Шайба 10.ОТ
В узле: 2
8
250512
Гайка М10-6Н
В узле: 2
9
379737
Угольник
В узле: 2
10
379277
Муфта конусная 6
В узле: 4
11
401120
Гайка накидная
В узле: 4
12
64221-1015383-10
Шланг
В узле: 1
13
64221-1015172
Топливопровод
В узле: 1
14
64221-1015410
Топливопровод
В узле: 1
15
401873
Кляммер
В узле: 1
16
201420
Болт М6-6gх20
В узле: 1
17
252006
Шайба 10
В узле: 1
18
252134
Шайба 6Т
В узле: 1
19
250508
Гайка М6-6Н
В узле: 1
20
ФБ-01.00.000
Фильтр топливный
В узле: 1
21
401589
Ниппель
В узле: 1
22
64221-1015173-10
Шланг 8х16,5 (L=110мм)
В узле: 1
23
ФБ-01.02.000
Хомут
В узле: 2
Содержащиеся в справочниках-каталогах запасные части и детали не предлагаются к продаже, а носят исключительно информационный характер

Ваша заявка была отправлена. В ближайшее время наши специалисты с Вами свяжутся по указанному Вами телефону.

Представьтесь
Поле обязательно для заполнения
Ваш телефон
Введите правильный номер телефона
E-mail
Введите правильный e-mail
Тема
Тема
применяемость финансирование доставка цена, наличие другое сервис и гарантия
Время для звонка
08:00
08:00 09:00 10:00 11:00 12:00 13:00 14:00 15:00 16:00 17:00 18:00 19:00
19:00
08:00 09:00 10:00 11:00 12:00 13:00 14:00 15:00 16:00 17:00 18:00 19:00

Мы постараемся перезвонить в указанное время

Если вы не хотите ждать, то звоните нашим вежливым консультантам:

8 800 100-2-700
Подтвердите, что вы не робот
Подтвердите, что вы не робот
Спасибо!

Ваше сообщение успешно отправлено!

ЗакрытьПовторить попытку