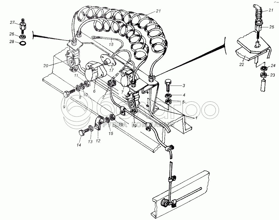
Каталог запасных частей к технике: МАЗ-54326. Установка электропневмовыводов полуприцепа

zoom-in zoom-out enlarge shrink circle-right circle-left file-text2 info cart arraw right arraw left zoom out zoom in arraw maximize arraw minimize
1
2
3
4
5
6
7
8
9
10
11
12
13
14
15
16
17
18
19
20
21
21
21
21
22
23
24
25
26
27
28
28
014-018-25-2-2
Кольцо
В узле: 2
014-018-25-2-2 Кольцо уплотнительное, Беларусь <10 шт. 8.45 р.
1
64221-3723140
Кронштейн розеток
В узле: 1
2
500-3724042
Втулка
В узле: 1
3
201497
Болт М10-6gх25
В узле: 2
4
252136
Шайба 10.ОТ
В узле: 2
5
250512
Гайка М10-6Н
В узле: 2
6
ПС325-3723100
Розетка штепсельная
В узле: 1
7
ПС326-3723100
Розетка штепсельная дополнительная
В узле: 1
8
252005
Шайба 8
В узле: 4
9
200267
Болт М8-6gх45
В узле: 4
10
252155
Шайба 8Л
В узле: 4
11
250510
Гайка М8-6Н
В узле: 4
12
315403
Кляммер
В узле: 4
13
252004
Шайба 6
В узле: 4
14
201420
Болт М6-6gх20
В узле: 4
15
252134
Шайба 6Т
В узле: 4
16
250508
Гайка М6-6Н
В узле: 4
17
5336-3724152
Чехол защитный
В узле: 2
18
64221-3724473
Провод «массы»
В узле: 1
19
952.200.222.1
Головка соединительная
В узле: 1
20
952.200.221.0
Головка соединительная
В узле: 1
21
64221-3506380
Трубопровод спиральный
В узле: 1
21
452.711.027.0
Шланг
В узле: 1
22
54321-3521104
Зажим
В узле: 2
23
250636
Гайка М16х1,5-6Н
В узле: 2
24
252159
Шайба 16Л
В узле: 2
25
404308
Штуцер
В узле: 2
26
375960
Шайба 16
В узле: 2
27
404303
Штуцер
В узле: 2
Содержащиеся в справочниках-каталогах запасные части и детали не предлагаются к продаже, а носят исключительно информационный характер

Ваша заявка была отправлена. В ближайшее время наши специалисты с Вами свяжутся по указанному Вами телефону.

Представьтесь
Поле обязательно для заполнения
Ваш телефон
Введите правильный номер телефона
E-mail
Введите правильный e-mail
Тема
Тема
применяемость финансирование доставка цена, наличие другое сервис и гарантия
Время для звонка
08:00
08:00 09:00 10:00 11:00 12:00 13:00 14:00 15:00 16:00 17:00 18:00 19:00
19:00
08:00 09:00 10:00 11:00 12:00 13:00 14:00 15:00 16:00 17:00 18:00 19:00

Мы постараемся перезвонить в указанное время

Если вы не хотите ждать, то звоните нашим вежливым консультантам:

8 800 100-2-700
Подтвердите, что вы не робот
Подтвердите, что вы не робот
Спасибо!

Ваше сообщение успешно отправлено!

ЗакрытьПовторить попытку