Каталог запасных частей к технике: МАЗ-54326. Установка подогревателя

zoom-in zoom-out enlarge shrink circle-right circle-left file-text2 info cart arraw right arraw left zoom out zoom in arraw maximize arraw minimize
1
2
3
3
4
4
5
5
6
7
8
9
10
10
11
11
12
12
13
13
14
15
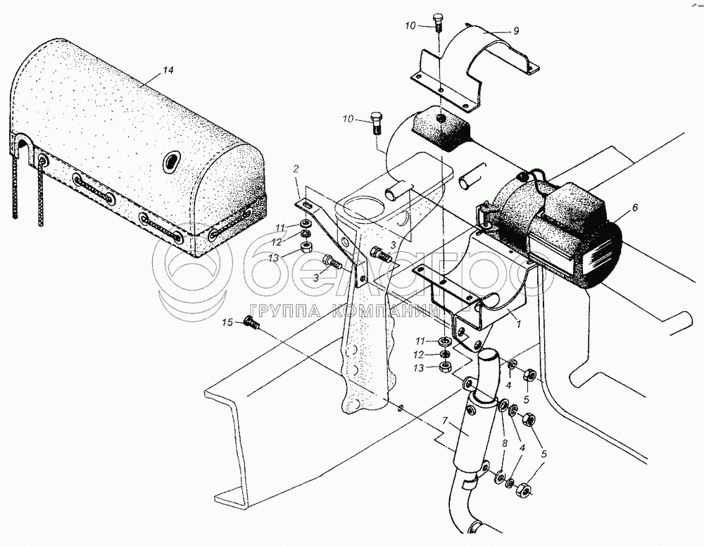
1
64221-1015616
Кронштейн
В узле: 1
2
64221-1015168
Кронштейн
В узле: 1
3
372206
Болт М14-6gх42
В узле: 3
4
252138
Шайба 14.ОТ
В узле: 3
5
250558
Гайка М14-6Н
В узле: 3
6
15.8106000-01
Подогреватель
В узле: 1
7
64226-1015030
Труба выхлопная
В узле: 1
8
252016
Шайба 14
В узле: 1
9
64221-1015619
Хомут
В узле: 1
10
201459
Болт М8-6gх25
В узле: 6
11
252005
Шайба 8
В узле: 6
12
252136
Шайба 10.ОТ
В узле: 7
13
250510
Гайка М8-6Н
В узле: 7
14
64221-1015216
Чехол
В узле: 1
15
201499
Болт М10-6gх30
В узле: 1
Содержащиеся в справочниках-каталогах запасные части и детали не предлагаются к продаже, а носят исключительно информационный характер

Ваша заявка была отправлена. В ближайшее время наши специалисты с Вами свяжутся по указанному Вами телефону.

Представьтесь
Поле обязательно для заполнения
Ваш телефон
Введите правильный номер телефона
E-mail
Введите правильный e-mail
Тема
Тема
применяемость финансирование доставка цена, наличие другое сервис и гарантия
Время для звонка
08:00
08:00 09:00 10:00 11:00 12:00 13:00 14:00 15:00 16:00 17:00 18:00 19:00
19:00
08:00 09:00 10:00 11:00 12:00 13:00 14:00 15:00 16:00 17:00 18:00 19:00

Мы постараемся перезвонить в указанное время

Если вы не хотите ждать, то звоните нашим вежливым консультантам:

8 800 100-2-700
Подтвердите, что вы не робот
Подтвердите, что вы не робот
Спасибо!

Ваше сообщение успешно отправлено!

ЗакрытьПовторить попытку