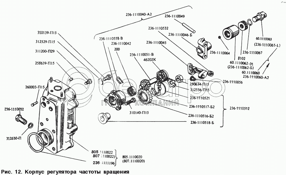
Каталог запасных частей к технике: МАЗ-54328. Корпус регулятора частоты вращения

zoom-in zoom-out enlarge shrink circle-right circle-left file-text2 info cart arraw right arraw left zoom out zoom in arraw maximize arraw minimize
236-1110512
60.1110060
310139-П15
310140-П15
236-1110051-В
311200-П29
236-1110518-Б
236-1110056
250634-П15
236-1110045
60.1110062-01
236-1110046-Б
236-1110521
236-1110032
312556-П15
312529-П15
236-1110064
236-1110516-Б2
258639-П15
260003-П15
60.1110065
236-1111196
236-1110060-А2
236-1110049
200
8102
236-1110517-Б2
46202К
236-1110067
236-1110040-А2
236-1110065-Б
236-1110532
236-1110558-В
236-1110042
805.1110022
807.1110022
805.1110020
807.1110020
236-1110062-Б
236-1110512
Демпфер
В узле: ---
60.1110060
Муфта грузов в сборе
В узле: ---
310139-П15
Болт
В узле: ---
310140-П15
Болт
В узле: ---
236-1110051-В
Валик державки грузов
В узле: ---
311200-П29
Винт
В узле: ---
236-1110518-Б
Втулка ведущей шестерни
В узле: ---
236-1110056
Втулка груза регулятора
В узле: ---
250634-П15
Гайка
В узле: ---
236-1110045
Груз регулятора в сборе
В узле: ---
60.1110062-01
Муфта грузов
В узле: ---
236-1110046-Б
Державка грузов
В узле: ---
236-1110521
Фланец втулки ведущей шестерни
В узле: ---
236-1110032
Шайба
В узле: ---
312556-П15
Шайба стопорная
В узле: ---
312529-П15
Шайба стопорная
В узле: ---
236-1110064
Шарик
В узле: ---
236-1110516-Б2
Шестерня ведущая
В узле: ---
258639-П15
Штифт
В узле: ---
260003-П15
Палец пружины рычага рейки
В узле: ---
60.1110065
Пята упорная
В узле: ---
236-1111196
Кольцо уплотнительное корпуса регулятора
В узле: 1
236-1110060-А2
Муфта грузов в сборе
В узле: 1
236-1110049
Ось грузов регулятора
В узле: 2
200
Подшипник шариковый ролика державки грузов
В узле: 1
202
Подшипник шариковый
В узле: 1
8102
Подшипник шариковый упорный муфты грузов регулятора частоты вращения
В узле: 1
236-1110517-Б2
Сухарь ведущей шестерни
В узле: 4
46202К
Подшипник
В узле: ---
236-1110067
Кольцо пружинное
В узле: ---
236-1110040-А2
Державка грузов со стаканом в сборе
В узле: 1
236-1110065-Б
Пята упорная
В узле: ---
236-1110532
Ролик груза регулятора
В узле: ---
236-1110558-В
Стакан подшипников валика державки
В узле: ---
236-1110042
Стопор пружинный
В узле: ---
805.1110022
Корпус регулятора
В узле: ---
807.1110022
Корпус регулятора
В узле: ---
805.1110020
Корпус регулятора в сборе
В узле: ---
807.1110020
Корпус регулятора в сборе
В узле: ---
236-1110062-Б
Муфта грузов
В узле: ---
Содержащиеся в справочниках-каталогах запасные части и детали не предлагаются к продаже, а носят исключительно информационный характер

Ваша заявка была отправлена. В ближайшее время наши специалисты с Вами свяжутся по указанному Вами телефону.

Представьтесь
Поле обязательно для заполнения
Ваш телефон
Введите правильный номер телефона
E-mail
Введите правильный e-mail
Тема
Тема
применяемость финансирование доставка цена, наличие другое сервис и гарантия
Время для звонка
08:00
08:00 09:00 10:00 11:00 12:00 13:00 14:00 15:00 16:00 17:00 18:00 19:00
19:00
08:00 09:00 10:00 11:00 12:00 13:00 14:00 15:00 16:00 17:00 18:00 19:00

Мы постараемся перезвонить в указанное время

Если вы не хотите ждать, то звоните нашим вежливым консультантам:

8 800 100-2-700
Подтвердите, что вы не робот
Подтвердите, что вы не робот
Спасибо!

Ваше сообщение успешно отправлено!

ЗакрытьПовторить попытку