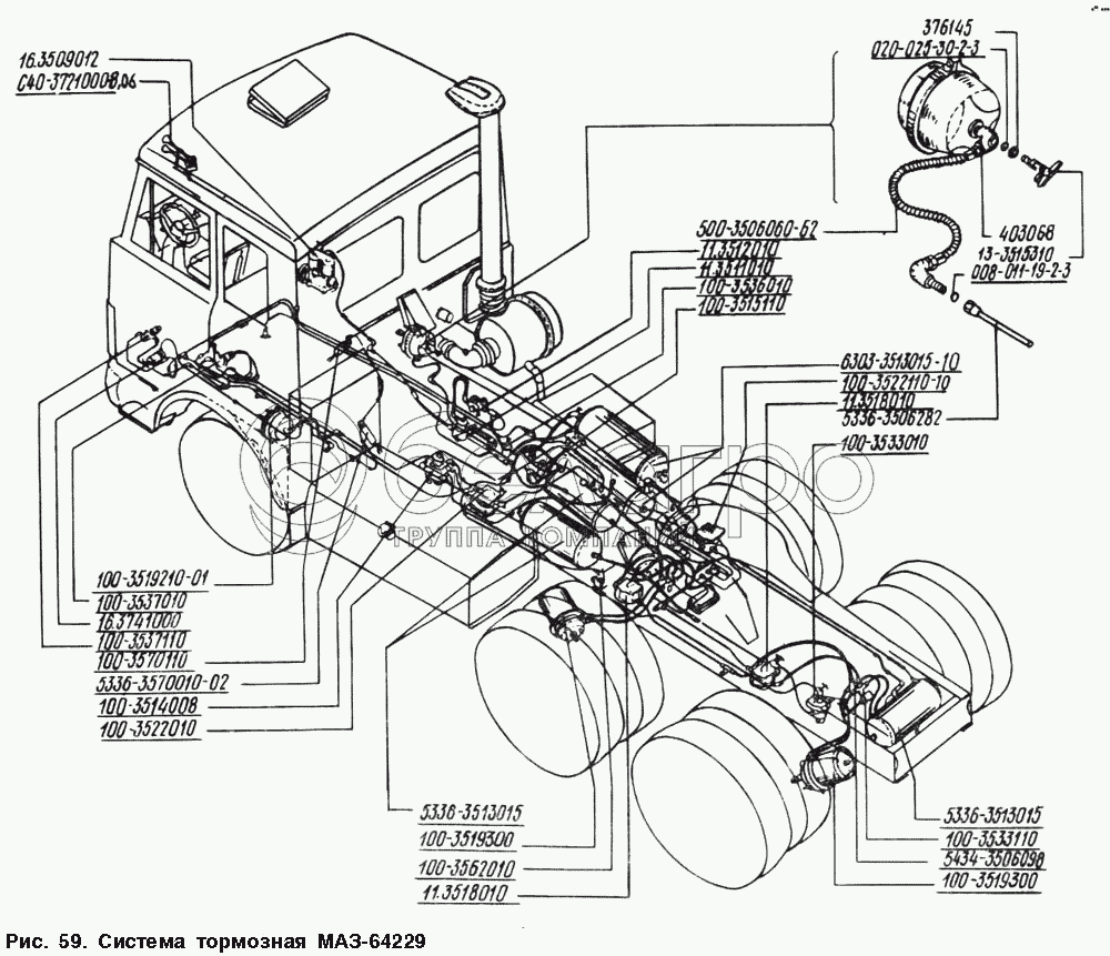
Каталог запасных частей к технике: МАЗ-54328. Система тормозная МАЗ-64229

zoom-in zoom-out enlarge shrink circle-right circle-left file-text2 info cart arraw right arraw left zoom out zoom in arraw maximize arraw minimize
11-3512009
100-3533010
6303-3513015-9
С40-3721000-В.06
100-3519300
100-3519300
100-3533110
100-3570110
5336-3513015
5336-3513015
100-3514008
5336-3506282
403068
13-3515310
16.3741000
5434-3506098
5336-3570010-02
100-3562010
376145
500-3506060-Б2
11.3511009
100-3519210-01
100-3515110
100-3522009
100-3522110-10
11-3518010
020-025-30-2-2
008-011-19-2-4
11.3518009
16.3509012
100-3537110
100-3537010
100-3536009
020-025-30-2-2
Кольцо
В узле: 85
020-025-30-2-2 Кольцо уплотнительное, Беларусь >10 шт. 21.89 р.
938-3506060-Б
Шланг
В узле: 4
120-3509048
Пружина нагнетательного клапана
В узле: 2
11-3512009
Регулятор давления с предохранительным клапаном в сборе
В узле: 1
100-3533010
Регулятор тормозных сил
В узле: 1
5336-3513014
Ресивер А19
В узле: 2
6303-3513015-9
Ресивер А39
В узле: 2
120-3509070-А2
Сальник в сборе
В узле: 1
130-3509069
Седло впускного клапана компрессора
В узле: 2
130-3509051-А
Седло нагнетательного клапана
В узле: 2
С40-3721000-В.06
Сигнал 2-тональный пневматический
В узле: 1
100-3519300
Тормозная камера 30/30 задняя
В узле: 2
100-3519301
Тормозная камера 30/30 задняя
В узле: 4
100-3533110
Упругий элемент
В узле: 1
100-3570110
Цилиндр останова двигателя
В узле: 1
130-3509055
Прокладка седла нагнетательного клапана
В узле: 2
508-3506060-Б2
Шланг к передней тормозной камере
В узле: 3
5336-3513015
Ресивер
В узле: ---
100-3514008
Кран с рычагом в сборе
В узле: ---
5336-3506282
Трубка
В узле: ---
403068
Тройник
В узле: ---
13-3515310
Клапан контрольного вывода
В узле: ---
16.3741000
Клапан пневматический
В узле: ---
5434-3506098
Шланги с соединителем
В узле: ---
5336-3570010-02
Заслонка моторного тормоза
В узле: ---
100-3562010
Клапан двухмагистральный
В узле: ---
376145
Шайба 22
В узле: ---
500-3506060-Б2
Шланг
В узле: ---
010-015-30-2-3
Кольцо
В узле: 1
130-3509092-01
Вкладыш шатуна номинального размера
В узле: 4
130-3509092-63
Вкладыш шатуна, уменьшенный на 0,3 мм
В узле: ---
130-3509092-64
Вкладыш шатуна, уменьшенный на 0,6 мм
В узле: ---
11.3511009
Водоотделитель
В узле: 1
130-3509039
Головка компрессора в сборе
В узле: 1
130-3509039-03
Головка компрессора в сборе
В узле: 1
100-3519210-01
Тормозная камера
В узле: 2
130-3509056
Клапан компрессора впускной
В узле: 2
100-3515110
Клапан защитный двойной в сборе
В узле: 1
130-3509050
Клапан нагнетательный компрессора
В узле: 2
100-3522009
Клапан управления тормозами прицепа с двухпроводным приводом
В узле: 1
100-3522110-10
Клапан управления тормозами прицепа с однопроводным приводом
В узле: 1
11-3518010
Клапан ускорительный
В узле: 2
130-3509028-02
Блок цилиндров в сборе
В узле: 1
010-014-25-2-3
Кольцо
В узле: 9
012-016-25-2-3
Кольцо
В узле: 14
008-011-19-2-4
Кольцо
В узле: 56
008-012-25-2-3
Кольцо
В узле: 5
11.3518009
Клапан ускорительный
В узле: ---
16.3509012
Компрессор в сборе
В узле: 1
130-3509009-11
Компрессор в сборе
В узле: 1
100-3537110
Кран моторного тормоза
В узле: 1
100-3514007
Кран тормозной двухсекционный с рычагом
В узле: 1
100-3537010
Кран тормозной с ручным управлением
В узле: 1
130-3509090-Б
Крышка картера задняя
В узле: 1
100-3536009
Предохранитель противозамерзания
В узле: 1
Содержащиеся в справочниках-каталогах запасные части и детали не предлагаются к продаже, а носят исключительно информационный характер

Ваша заявка была отправлена. В ближайшее время наши специалисты с Вами свяжутся по указанному Вами телефону.

Представьтесь
Поле обязательно для заполнения
Ваш телефон
Введите правильный номер телефона
E-mail
Введите правильный e-mail
Тема
Тема
применяемость финансирование доставка цена, наличие другое сервис и гарантия
Время для звонка
08:00
08:00 09:00 10:00 11:00 12:00 13:00 14:00 15:00 16:00 17:00 18:00 19:00
19:00
08:00 09:00 10:00 11:00 12:00 13:00 14:00 15:00 16:00 17:00 18:00 19:00

Мы постараемся перезвонить в указанное время

Если вы не хотите ждать, то звоните нашим вежливым консультантам:

8 800 100-2-700
Подтвердите, что вы не робот
Подтвердите, что вы не робот
Спасибо!

Ваше сообщение успешно отправлено!

ЗакрытьПовторить попытку