Каталог запасных частей к технике: МАЗ-54328. Топливопроводы системы питания

zoom-in zoom-out enlarge shrink circle-right circle-left file-text2 info cart arraw right arraw left zoom out zoom in arraw maximize arraw minimize
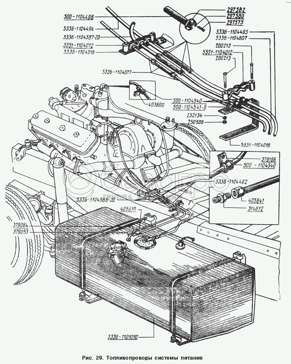
252134-П2
297580-П29
5336-1104492
5336-1104495
5336-1104494
5336-1104607
5336-1104587-20
5336-1104556-20
379064-П29
5551-1104012
5551-1104012
405610
500-1104498
297575-П29
5551-1104016
379166-П29
403600
5336-1104016
297582-П29
5336-1104617
500-1104541-Б
500-1104540
500-1104540
405641
314612
5336-1101010
379053
200213
200213
250508-П29
252134-П2
Шайба
В узле: ---
297580-П29
Пряжка хомутика
В узле: ---
5336-1104492
Трубка
В узле: ---
5336-1104495
Трубка всасывающая задняя
В узле: ---
5336-1104494
Трубка всасывающая передняя
В узле: ---
5336-1104607
Трубка отводящая задняя
В узле: ---
5336-1104587-20
Трубка отводящая передняя
В узле: ---
5336-1104556-20
Трубка топливная со шлангом
В узле: ---
379064-П29
Угольник
В узле: ---
5551-1104012
Хомут
В узле: ---
405610
Гайка накидная
В узле: ---
500-1104498
Шланг
В узле: ---
297575-П29
Шплинт
В узле: ---
5551-1104016
Кронштейн
В узле: ---
379166-П29
Кляммер
В узле: ---
403600
Кляммер
В узле: ---
5336-1104016
Кронштейн
В узле: ---
297582-П29
Лента стяжная
В узле: ---
5336-1104617
Трубка
В узле: ---
5336-1115010
Тяга останова двигателя
В узле: 1
500-1104541-Б
Втулка
В узле: 2
500-1104540
Втулка
В узле: 7
405641
Гайка стяжная
В узле: 4
6422-1101102
Кронштейн бака
В узле: 2
314802
Муфта зажимная
В узле: 2
314612
Ниппель
В узле: 1
6422-1108589
Оболочка с наконечником
В узле: 1
5336-1108008
Педаль акселератора с втулкой и рычагом
В узле: 1
500-1104000
Трубка мерная диаметр 10 мм длиной 5000 мм
В узле: 1
5336-1101010
Бак
В узле: 1
402766
Угольник
В узле: 1
379053
Угольник
В узле: 1
64229-1109468
Хомут
В узле: 4
64229-1109460
Хомут
В узле: 4
509А-1101110-01
Хомут топливного бака
В узле: 2
6422-1101110-01
Хомут с прокладкой
В узле: 2
200213
Болт М6-6gх35
В узле: ---
250508-П29
Гайка М6
В узле: ---
Содержащиеся в справочниках-каталогах запасные части и детали не предлагаются к продаже, а носят исключительно информационный характер

Ваша заявка была отправлена. В ближайшее время наши специалисты с Вами свяжутся по указанному Вами телефону.

Представьтесь
Поле обязательно для заполнения
Ваш телефон
Введите правильный номер телефона
E-mail
Введите правильный e-mail
Тема
Тема
применяемость финансирование доставка цена, наличие другое сервис и гарантия
Время для звонка
08:00
08:00 09:00 10:00 11:00 12:00 13:00 14:00 15:00 16:00 17:00 18:00 19:00
19:00
08:00 09:00 10:00 11:00 12:00 13:00 14:00 15:00 16:00 17:00 18:00 19:00

Мы постараемся перезвонить в указанное время

Если вы не хотите ждать, то звоните нашим вежливым консультантам:

8 800 100-2-700
Подтвердите, что вы не робот
Подтвердите, что вы не робот
Спасибо!

Ваше сообщение успешно отправлено!

ЗакрытьПовторить попытку