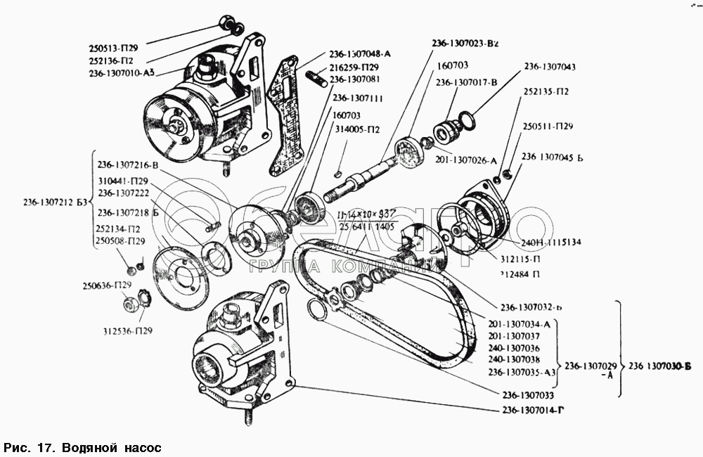
Каталог запасных частей к технике: МАЗ-54328. Водяной насос

zoom-in zoom-out enlarge shrink circle-right circle-left file-text2 info cart arraw right arraw left zoom out zoom in arraw maximize arraw minimize
236-1307043
252134-П2
312484-П
252136-П2
201-1307026-А
236-1307111
236-1307017-В
250511-П29
312115-П
250636-П29
250508-П29
236-1307033
312536-П29С
236-1307032-Б
240Н-1115134
236-1307035-А3
236-1307218-Б
240-1307036
201-1307037
236-1307222
201-1307034-А
310441-П29
216259-П29
314005-П2
236-1307081
236-1307029-А
236-1307014-Г
236-1307030-Б
240-1307038
236-1307010-А3
160703
160703
236-1306054-А
236-1307048-А
236-1307023-В2
11-14Х10Х936
236-1307212-Б3
236-1307045-Б
25 6411 1405
236-1307216-В
252135-П2
236-1307043
Кольцо
В узле: ---
252134-П2
Шайба
В узле: ---
312484-П
Шайба
В узле: ---
252136-П2
Шайба
В узле: ---
201-1307026-А
Водосбрасыватель
В узле: ---
236-1307111
Втулка
В узле: ---
236-1307017-В
Втулка
В узле: ---
250511-П29
Гайка
В узле: ---
312115-П
Гайка колпачковая
В узле: ---
250636-П29
Гайка
В узле: ---
250508-П29
Гайка М6
В узле: ---
236-1307033
Кольцо сальника водяного насоса стопорное
В узле: ---
312536-П29С
Шайба замковая
В узле: ---
236-1307032-Б
Крыльчатка
В узле: ---
240Н-1115134
Кольцо уплотнительное
В узле: ---
236-1307035-А3
Кольцо упорное
В узле: ---
236-1307218-Б
Боковина шкива
В узле: ---
240-1307036
Обойма манжеты торцового уплотнения большая
В узле: ---
201-1307037
Обойма манжеты водяного насоса малая
В узле: ---
236-1307222
Прокладка шкива регулировочная
В узле: ---
201-1307034-А
Пружина сальника водяного насоса
В узле: ---
310441-П29
Шпилька
В узле: ---
216259-П29
Шпилька
В узле: ---
314005-П2
Шпонка сегментная
В узле: ---
236Т-1307110
Прокладка корпуса кольца водяного насоса
В узле: 1
236-1307081
Кольцо Б62 запорное ГОСТ 13943-86
В узле: 1
236-1307029-А
Комплект деталей уплотнения крыльчатки водяного насоса
В узле: 1
236-1307014-Г
Корпус водяного насоса в сборе (поставляется только ремонтным заводам)
В узле: 1
236-1307030-Б
Крыльчатка с манжетой
В узле: 1
240-1307090
Манжета в сборе - первичного вала КП
В узле: 1
236-1307090
Манжета в сборе
В узле: 1
240-1307038
Манжета торцевого уплотнения
В узле: 1
236-1307010-А3
Насос водяной в сборе
В узле: 1
160703
Подшипник шариковый водяного насоса
В узле: 1
236-1306054-А
Прокладка коробки водяного термостата
В узле: 4
236-1307048-А
Прокладка корпуса водяного насоса
В узле: 1
236-1307023-В2
Валик водяного насоса
В узле: 1
236Т-1307046
Прокладка крышки корпуса водяного насоса
В узле: 1
240-1307046
Прокладка крышки корпуса водяного насоса
В узле: 1
11-14Х10Х936
Ремень зубчатый привода компрессора (ГОСТ 5813-76)
В узле: 1
11-14Х10Х887
Ремень привода водяного насоса (ГОСТ 5313-76)
В узле: 1
11-14Х10Х888
Ремень привода водяного насоса (ГОСТ 5313-76)
В узле: 2
236-1306084
Рукав 22-30-0,3(3) соединительных трубок водяных термостатов
В узле: 1
236-1307212-Б3
Шкив водяного насоса в сборе
В узле: 1
236-1307045-Б
Крышка корпуса насоса
В узле: ---
25 6411 1405
Ремень привода компрессора
В узле: ---
236-1307216-В
Ступица шкива
В узле: ---
252135-П2
Шайба
В узле: ---
Содержащиеся в справочниках-каталогах запасные части и детали не предлагаются к продаже, а носят исключительно информационный характер

Ваша заявка была отправлена. В ближайшее время наши специалисты с Вами свяжутся по указанному Вами телефону.

Представьтесь
Поле обязательно для заполнения
Ваш телефон
Введите правильный номер телефона
E-mail
Введите правильный e-mail
Тема
Тема
применяемость финансирование доставка цена, наличие другое сервис и гарантия
Время для звонка
08:00
08:00 09:00 10:00 11:00 12:00 13:00 14:00 15:00 16:00 17:00 18:00 19:00
19:00
08:00 09:00 10:00 11:00 12:00 13:00 14:00 15:00 16:00 17:00 18:00 19:00

Мы постараемся перезвонить в указанное время

Если вы не хотите ждать, то звоните нашим вежливым консультантам:

8 800 100-2-700
Подтвердите, что вы не робот
Подтвердите, что вы не робот
Спасибо!

Ваше сообщение успешно отправлено!

ЗакрытьПовторить попытку