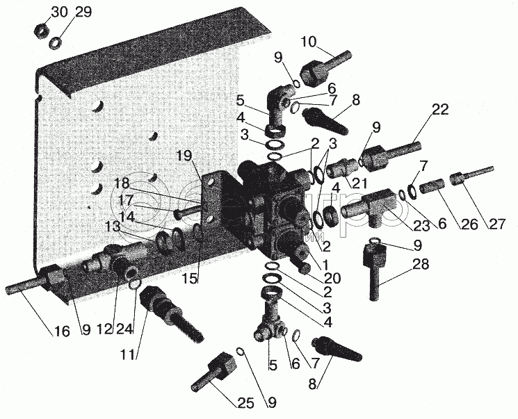
Каталог запасных частей к технике: МАЗ-5432. Крепление четырехконтурного клапана МАЗ-551605, 551603

zoom-in zoom-out enlarge shrink circle-right circle-left file-text2 info cart arraw right arraw left zoom out zoom in arraw maximize arraw minimize
1
2
2
2
3
3
3
4
4
4
5
5
6
6
6
7
7
7
8
8
9
9
9
9
9
10
11
12
13
14
15
16
17
18
19
20
21
22
23
24
25
26
27
28
29
30
1
64221-3515310-10
Клапан защитный четырехконтурный
В узле: 1
2
014-018-25-2-3
Кольцо
В узле: 4
3
375960
Шайба 16
В узле: 4
4
250636
Гайка М16х1,5-6Н
В узле: 3
5
402969
Угольник
В узле: 2
6
010-014-25-2-3
Кольцо
В узле: 3
7
375818
Шайба 12
В узле: 3
8
[Датчик ММ124-Д]
Датчик ММ124-Д
В узле: 2
9
008-011-19-2-3
Кольцо
В узле: 5
10
5516-3506194
Трубка к ресиверу заднего контура
В узле: 1
11
5338-3506187-01
Шланг к осушителю воздуха
В узле: 1
12
403039
Тройник
В узле: 1
13
374939
Гайка М22х1,5-6Н
В узле: 1
14
376145
Шайба 22
В узле: 1
15
020-025-30-2-3
Кольцо
В узле: 1
16
551605-3506130-010
Трубка к клапану контрольного вывода на передней поперечине
В узле: 1
17
201456
Болт М8-6gх20
В узле: 2
18
252135
Шайба 8Т
В узле: 2
19
63035-3515042
Кронштейн
В узле: 1
20
201497
Болт М10-6gх25
В узле: 2
21
404241
Штуцер
В узле: 1
22
5516-3506112
Трубка к ресиверу стояночной системы
В узле: 1
23
403103
Тройник
В узле: 1
24
012-016-25-2-3
Кольцо
В узле: 1
25
5516-3506183
Трубка к ресиверу переднего контура
В узле: 1
26
404391
Штуцер
В узле: 1
27
64221-3506305-20
Трубка к электропневмоклапану блокировки межколесных дифференциалов
В узле: 1
28
5516-3506319
Трубка к тройнику на правом лонжероне
В узле: 1
29
252136
Шайба 10.ОТ
В узле: 2
30
250512
Гайка М10-6Н
В узле: 2
Содержащиеся в справочниках-каталогах запасные части и детали не предлагаются к продаже, а носят исключительно информационный характер

Ваша заявка была отправлена. В ближайшее время наши специалисты с Вами свяжутся по указанному Вами телефону.

Представьтесь
Поле обязательно для заполнения
Ваш телефон
Введите правильный номер телефона
E-mail
Введите правильный e-mail
Тема
Тема
применяемость финансирование доставка цена, наличие другое сервис и гарантия
Время для звонка
08:00
08:00 09:00 10:00 11:00 12:00 13:00 14:00 15:00 16:00 17:00 18:00 19:00
19:00
08:00 09:00 10:00 11:00 12:00 13:00 14:00 15:00 16:00 17:00 18:00 19:00

Мы постараемся перезвонить в указанное время

Если вы не хотите ждать, то звоните нашим вежливым консультантам:

8 800 100-2-700
Подтвердите, что вы не робот
Подтвердите, что вы не робот
Спасибо!

Ваше сообщение успешно отправлено!

ЗакрытьПовторить попытку