Каталог запасных частей к технике: МАЗ-5432. Насос

zoom-in zoom-out enlarge shrink circle-right circle-left file-text2 info cart arraw right arraw left zoom out zoom in arraw maximize arraw minimize
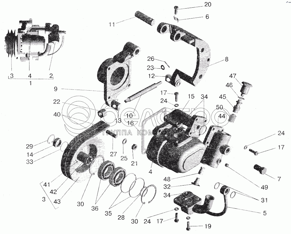
1
2
3
3
4
4
5
6
7
8
9
10
11
12
13
14
15
16
17
17
17
19
20
21
22
23
24
24
24
25
26
27
28
29
30
30
31
32
33
34
34
35
36
40
41
42
43
44
45
46
47
48
49
50
1
543240-3407010
Насос в сборе
В узле: 1
2
5336-3407260
Клапан
В узле: 1
3
5336-3407240
Шкив
В узле: 1
4
64229-3407310
Насос в сборе
В узле: 1
5
543240-3407220
Фланец
В узле: 1
6
535А-2405134
Шайба
В узле: 1
7
503-3405188-10
Болт
В узле: 1
8
543240-3407203
Кронштейн неподвижный
В узле: 1
9
5336-3407205
Кронштейн подвижный
В узле: 1
10
5336-3407216
Регулировочный болт
В узле: 1
11
500-3407217
Палец
В узле: 1
12
5336-3407218
Упор
В узле: 1
13
5336-3407219
Упор
В узле: 1
14
5336-3407231
Заглушка
В узле: 1
15
64221-3407263
Фланец
В узле: 1
16
5551-8604013
Прокладка
В узле: 2
17
201458
Болт М8-6gх25
В узле: 10
19
201464
Болт М8-6gх40
В узле: 2
20
201476
Болт М8-1,6gх20
В узле: 1
21
374377
Гайка М10х1,25-6Н
В узле: 4
22
374626
Гайка М14Х1.5-6Н
В узле: 1
23
252005
Шайба 8
В узле: 1
24
25135
Шайба 8Т
В узле: 12
25
252156
Шайба 10Л
В узле: 4
26
258038
Шплинт 3,2х16
В узле: 1
27
373164
Шпилька М10х25
В узле: 4
28
400356
Кольцо В30
В узле: 1
29
400378
Кольцо В30
В узле: 1
30
400420
Кольцо
В узле: 2
31
018-022-25-2-3
Кольцо
В узле: 2
32
378942
Заглушка М16х1,5
В узле: 1
33
030-033-19-2-3
Кольцо
В узле: 1
34
028-033-30-2-3
Кольцо
В узле: 3
35
062-066-25-2-3
Кольцо
В узле: 2
36
180206С17
Подшипник
В узле: 2
40
503-3407209
Ремень (1-14х13-987)
В узле: 2
41
252707
Заклепка 6х22
В узле: 6
42
5336-3407245
Ступица
В узле: 1
43
5336-3407241
Шкив
В узле: 1
44
5336-3407262
Корпус
В узле: 1
45
53212-3407270
Клапан
В узле: 1
46
021-025-25-2-3
Кольцо
В узле: 1
47
5336-3407264
Пробка
В узле: 1
48
5336-3407266
Жиклер
В узле: 1
49
262531
Пробка КГ 1/8"
В узле: 1
50
5336-3410054
Пружина
В узле: 1
Содержащиеся в справочниках-каталогах запасные части и детали не предлагаются к продаже, а носят исключительно информационный характер

Ваша заявка была отправлена. В ближайшее время наши специалисты с Вами свяжутся по указанному Вами телефону.

Представьтесь
Поле обязательно для заполнения
Ваш телефон
Введите правильный номер телефона
E-mail
Введите правильный e-mail
Тема
Тема
применяемость финансирование доставка цена, наличие другое сервис и гарантия
Время для звонка
08:00
08:00 09:00 10:00 11:00 12:00 13:00 14:00 15:00 16:00 17:00 18:00 19:00
19:00
08:00 09:00 10:00 11:00 12:00 13:00 14:00 15:00 16:00 17:00 18:00 19:00

Мы постараемся перезвонить в указанное время

Если вы не хотите ждать, то звоните нашим вежливым консультантам:

8 800 100-2-700
Подтвердите, что вы не робот
Подтвердите, что вы не робот
Спасибо!

Ваше сообщение успешно отправлено!

ЗакрытьПовторить попытку