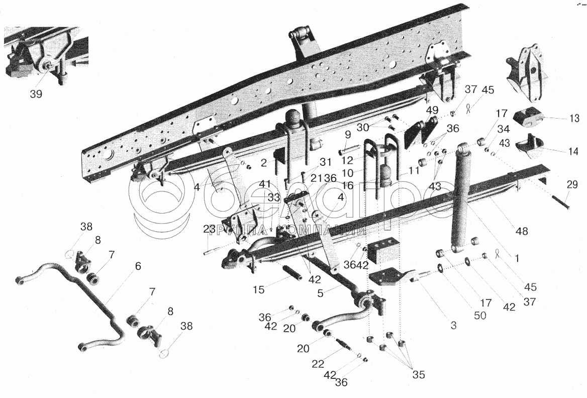
Каталог запасных частей к технике: МАЗ-5432. Подвеска передняя 543208-2900001

zoom-in zoom-out enlarge shrink circle-right circle-left file-text2 info cart arraw right arraw left zoom out zoom in arraw maximize arraw minimize
1
2
3
4
4
5
6
7
7
8
8
9
10
11
12
13
14
15
16
17
17
20
20
21
22
23
29
30
31
33
34
35
36
36
36
36
36
37
37
38
38
39
41
42
42
42
42
42
43
43
45
45
48
49
49
50
17
500А-2905410
Буфер
В узле: 8
500А-2905410 Втулка амортизатора (одинарная) <10 шт. 94.56 р.
1
15.2905006-11
Амортизатор
В узле: 2
2
64221-2905416
Кронштейн нижний правый
В узле: 1
3
64221-2905417
Кронштейн нижний левый
В узле: 1
4
5340-2906017
Серьга
В узле: 4
5
6430-2906006
Вал стабилизатора с кронштейнами
В узле: 1
6
6430-2906016
Вал стабилизатора
В узле: 1
7
6430-2906030
Втулка
В узле: 2
8
6430-2906040
Кронштейн нижний
В узле: 2
9
53361-2905470
Палец
В узле: 2
10
8925-2912408
Стремянка передняя
В узле: 2
11
500-2902409
Стремянка
В узле: 2
12
64221-2902412
Накладка
В узле: 2
13
64221-2902430
Подушка
В узле: 2
14
64221-2902449
Вкладыш
В узле: 2
15
5432-2902478
Палец
В узле: 2
16
64221-2902624
Буфер
В узле: 2
20
64221-2906028
Втулка
В узле: 8
21
5552-2906042
Кронштейн верхний
В узле: 2
22
6430-2906026
Палец
В узле: 4
23
500А-2912482
Клин пальца ушка задней рессоры
В узле: 2
29
200880
Болт М16-6gх160
В узле: 2
30
202142
Болт М16х1,5-6gх38
В узле: 6
31
372613
Болт М16х1,5-6gх55
В узле: 4
33
250514
Гайка М12-6Н
В узле: 2
34
250560
Гайка М16-6Н
В узле: 2
35
374650
Гайка М24х2-6Н
В узле: 8
36
374727
Гайка М16х1,5-5Н6Н
В узле: 8
37
374910
Гайка М20х1,5-5Н6Н
В узле: 4
38
400583-01
Кольцо В70
В узле: 2
39
264040
Масленка 2.3.90 Ц6хр
В узле: 2
41
252137
Шайба 12.ОТ
В узле: 2
42
252049-10
Шайба 20
В узле: 6
43
252139
Шайба 16.ОТ
В узле: 20
45
258056
Шплинт 4х40
В узле: 4
48
64222-2902012
Рессора передняя в сборе
В узле: 2
49
53361-2905540
Кронштейн верхний
В узле: 2
49
5551-2905540
Кронштейн верхний
В узле: 2
50
500А-2905420
Шайба
В узле: 2
Содержащиеся в справочниках-каталогах запасные части и детали не предлагаются к продаже, а носят исключительно информационный характер

Ваша заявка была отправлена. В ближайшее время наши специалисты с Вами свяжутся по указанному Вами телефону.

Представьтесь
Поле обязательно для заполнения
Ваш телефон
Введите правильный номер телефона
E-mail
Введите правильный e-mail
Тема
Тема
применяемость финансирование доставка цена, наличие другое сервис и гарантия
Время для звонка
08:00
08:00 09:00 10:00 11:00 12:00 13:00 14:00 15:00 16:00 17:00 18:00 19:00
19:00
08:00 09:00 10:00 11:00 12:00 13:00 14:00 15:00 16:00 17:00 18:00 19:00

Мы постараемся перезвонить в указанное время

Если вы не хотите ждать, то звоните нашим вежливым консультантам:

8 800 100-2-700
Подтвердите, что вы не робот
Подтвердите, что вы не робот
Спасибо!

Ваше сообщение успешно отправлено!

ЗакрытьПовторить попытку