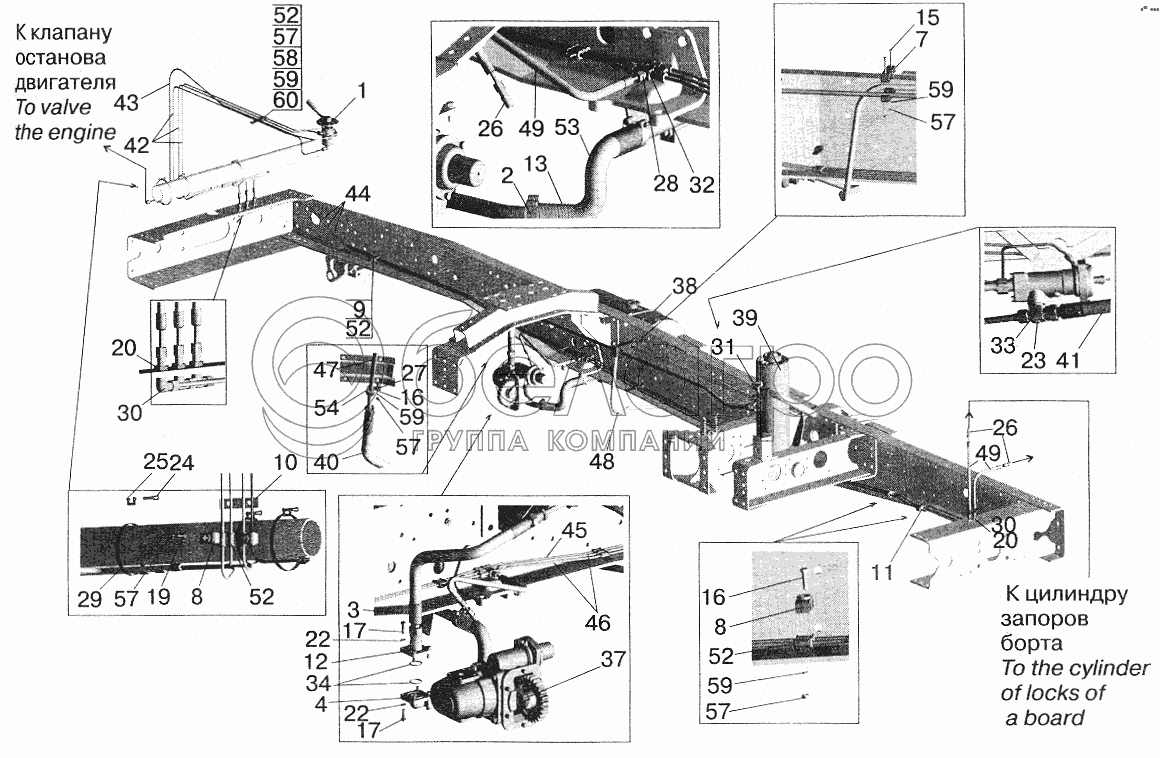
Каталог запасных частей к технике: МАЗ-5432. Установка механизма подъема платформы МАЗ-555102

zoom-in zoom-out enlarge shrink circle-right circle-left file-text2 info cart arraw right arraw left zoom out zoom in arraw maximize arraw minimize
1
2
3
4
7
8
8
9
10
11
12
13
15
16
16
17
17
17
17
19
20
20
22
22
23
24
25
26
26
27
28
29
30
30
31
32
33
34
37
38
39
40
41
42
43
44
45
46
47
48
49
49
52
52
52
52
53
54
57
57
57
57
57
58
59
59
59
59
60
252007
Шайба 12
В узле: 2
1
5551-7300044
Установка крана
В узле: 1
2
503-8609026
Хомут
В узле: 2
3
5432-8609140
Клапан обратный
В узле: 1
4
5551-8609513
Патрубок
В узле: 1
7
543-3506165
Колодка
В узле: 2
8
8950-3506168
Хомут
В узле: 5
9
6422-350689
Скоба
В узле: 2
10
5551-8609225
Пластина
В узле: 1
11
5551-8609227
Пластина
В узле: 2
12
5549-8609254
Фланец
В узле: 1
13
55514-8609022
Пружина защитная
В узле: 1
15
200219
Болт М6-6gх50
В узле: 2
16
201422
Болт М6-6gх25
В узле: 4
17
201458
Болт М8-6gх25
В узле: 6
17
201464
Болт М8-6gх40
В узле: 2
19
231608
Винт 2М6-6gх22
В узле: 2
20
250615
Гайка М12х1,25-6Н
В узле: 5
22
252135
Шайба 8Т
В узле: 8
23
262541
Пробка КГ 1/8"
В узле: 1
24
297575
Шплинт 5,6х22
В узле: 3
25
297580
Пряжка
В узле: 3
26
379502
Ниппель
В узле: 4
27
379665
Кпяммер
В узле: 1
28
401503
Угольник
В узле: 4
29
401820
Лента
В узле: 3
30
402721
Угольник
В узле: 5
31
402789
Угольник
В узле: 1
32
403098
Тройник
В узле: 1
33
403135
Тройник
В узле: 1
34
028-033-30-2-3
Кольцо
В узле: 2
37
503-8600007
Установка КОМ и насоса
В узле: 1
38
5551-8600034
Установка масляного бака
В узле: 1
39
5551-8603500-20
Установка цилиндра и клапана
В узле: 1
40
5549-8609029
Шланг
В узле: 1
41
5551-8609029-10
Шланг
В узле: 1
42
5551-8609140-10
Трубопровод
В узле: 3
43
5551-8609146-10
Трубопровод
В узле: 1
44
5551-8609148-10
Трубопровод
В узле: 3
45
5551-8609154
Трубопровод
В узле: 1
46
5551-8609156
Трубопровод
В узле: 2
47
5551-8609430-20
Трубка
В узле: 1
48
5551-8609461-10
Трубка
В узле: 1
49
5549-8609480
Шланг гибкий к цилиндру (уст. на МАЗ-54331)
В узле: 3
52
500-1104541-Б
Втулка
В узле: 31
53
5551-8609020
Шланг
В узле: 1
54
5551-8609439
Муфта
В узле: 1
57
250608
Гайка М6-6Н
В узле: 6
58
252037
Шайба 6
В узле: 1
59
252154
Шайба 6Л
В узле: 6
60
403606
Тройник
В узле: 2
Содержащиеся в справочниках-каталогах запасные части и детали не предлагаются к продаже, а носят исключительно информационный характер

Ваша заявка была отправлена. В ближайшее время наши специалисты с Вами свяжутся по указанному Вами телефону.

Представьтесь
Поле обязательно для заполнения
Ваш телефон
Введите правильный номер телефона
E-mail
Введите правильный e-mail
Тема
Тема
применяемость финансирование доставка цена, наличие другое сервис и гарантия
Время для звонка
08:00
08:00 09:00 10:00 11:00 12:00 13:00 14:00 15:00 16:00 17:00 18:00 19:00
19:00
08:00 09:00 10:00 11:00 12:00 13:00 14:00 15:00 16:00 17:00 18:00 19:00

Мы постараемся перезвонить в указанное время

Если вы не хотите ждать, то звоните нашим вежливым консультантам:

8 800 100-2-700
Подтвердите, что вы не робот
Подтвердите, что вы не робот
Спасибо!

Ваше сообщение успешно отправлено!

ЗакрытьПовторить попытку