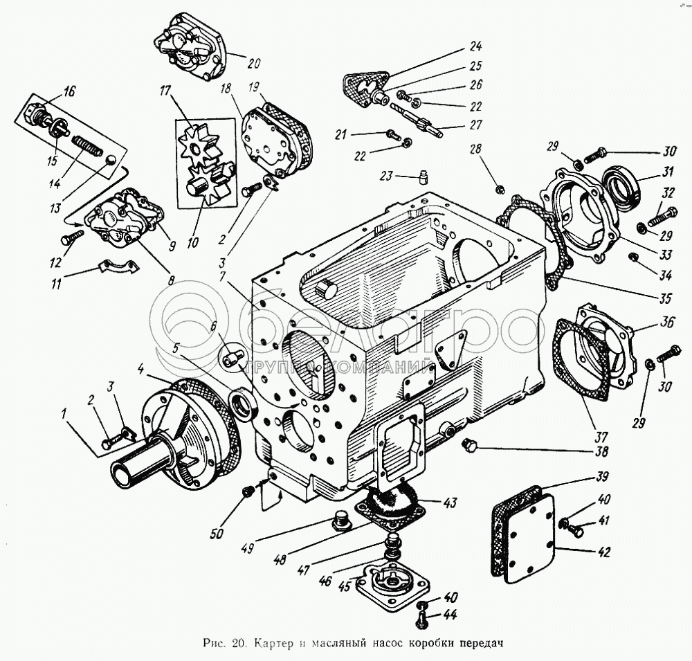
Каталог запасных частей к технике: МАЗ-5433. Картер и масляный насос коробки передач

zoom-in zoom-out enlarge shrink circle-right circle-left file-text2 info cart arraw right arraw left zoom out zoom in arraw maximize arraw minimize
1
2
2
3
3
4
5
6
7
8
9
10
11
12
13
14
15
16
17
18
19
20
21
22
22
23
24
25
26
27
28
29
29
29
30
30
31
32
33
34
35
36
37
38
39
40
40
41
42
43
44
45
48
49
50
236-1307148
Кольцо пружинное упорное
В узле: 1
236-3701774
Кронштейн крепления генератора
В узле: 1
236-3509300-А3
Натяжное устройство компрессора в сборе
В узле: 1
236-1704025
Ось ведомой шестерни масляного насоса
В узле: 1
236-1702014
Прокладка верхней крышки коробки передач
В узле: 1
236-1702241
Прокладка крышки картера
В узле: 1
236-3509320
Прокладка крышки шкива
В узле: 1
236-1702122
Прокладка опоры рычага переключения передач
В узле: 1
236-3708706
Хомут крепления стартера верхний в сборе
В узле: 2
236-3708712
Хомут в сборе
В узле: 2
200-1С01021
Втулка масляного насоса
В узле: 3
1
236-1701040-А
Крышка подшипника первичного вала
В узле: 1
2
201499-П29
Болт
В узле: ---
3
312581-П29С
Шайба замковая
В узле: ---
4
236-1701042-А
Прокладка крышки заднего подшипника
В узле: 1
5
236-1701230
Манжета крышки подшипника первичного вала в сборе
В узле: 1
6
200-1701188
Втулка дроссельная картера коробки передач
В узле: ---
7
236-1701009-Б
Картер коробки передач с шайбами в сборе (без крышек люков картера коробки)
В узле: 1
8
236-1704015
Корпус масляного насоса в сборе
В узле: ---
9
236-1704029-А
Прокладка корпуса масляного насоса коробки передач
В узле: 1
10
236-1704040-А2
Шестерня ведущая масляного насоса в сборе
В узле: 1
11
236-1704078
Планка стопорная
В узле: ---
12
310013-П29
Болт М10х35
В узле: ---
13
200-702083
Шарик клапана
В узле: ---
14
200-1704027
Пружина клапана масляного насоса
В узле: ---
15
312326-П34
Шайба уплотнительная диаметр 14 мм
В узле: ---
16
236-1704026
Пробка клапана масляного насоса
В узле: ---
17
236-1704030
Шестерня ведомая масляного насоса в сборе
В узле: ---
18
236-1704070
Основание масляного насоса в сборе
В узле: ---
19
236-1704017-А2
Прокладка основания масляного насоса коробки передач
В узле: 1
20
236-1704010
Насос масляный коробки передач в сборе
В узле: 1
21
201457-П29
Болт
В узле: ---
22
252135-П2
Шайба
В узле: ---
23
236-1702182
Штифт верхний установочный в сборе
В узле: ---
24
236-3802069-Б
Прокладка крышки сменных шестерен привода спидометра
В узле: 1
25
236-3802024
Втулка шестерни привода спидометра
В узле: 1
26
310224-П29
Болт крепления заглушки
В узле: ---
27
236-3862934-Б
Шестерня привода спидометра
В узле: 1
28
236-3802074
Штифт упорный
В узле: ---
29
252137-П2
Шайба пружинная
В узле: ---
30
201544-П29
Болт
В узле: ---
31
210-1701210-А
Манжета крышки заднего подшипника вторичного вала в сборе
В узле: 1
32
200372-П29
Болт крепления крышки заднего подшипника
В узле: ---
33
236-1701205-Б4
Крышка заднего подшипника вторичного вала
В узле: 1
34
316105-П29
Пробка
В узле: ---
35
236У-1701203
Прокладка крышки заднего подшипника вторичного вала
В узле: 1
36
236-1701074-А
Крышка заднего подшипника промежуточного вала
В узле: ---
37
236-1701075-А
Прокладка крышки заднего подшипника промежуточного вала
В узле: 1
38
316121-П29
Пробка
В узле: ---
39
200-1701021-А
Прокладка крышки люка отбора мощности
В узле: 1
40
252136-П2
Шайба
В узле: ---
41
201497-П29
Болт
В узле: ---
42
236-1701020
Крышка люка
В узле: ---
43
236-1704050-Б
Сетка заборника масляного насоса предохранительная
В узле: ---
44
201497-П29
Болт
В узле: ---
45
236-1704054-Б
Крышка заборника масляного насоса
В узле: ---
48
236-1704056-А
Прокладка крышки заборника масляного насоса
В узле: 1
49
238Н-1721255
Пробка сливная
В узле: ---
50
262518-П2
Пробка коническая
В узле: ---
Содержащиеся в справочниках-каталогах запасные части и детали не предлагаются к продаже, а носят исключительно информационный характер

Ваша заявка была отправлена. В ближайшее время наши специалисты с Вами свяжутся по указанному Вами телефону.

Представьтесь
Поле обязательно для заполнения
Ваш телефон
Введите правильный номер телефона
E-mail
Введите правильный e-mail
Тема
Тема
применяемость финансирование доставка цена, наличие другое сервис и гарантия
Время для звонка
08:00
08:00 09:00 10:00 11:00 12:00 13:00 14:00 15:00 16:00 17:00 18:00 19:00
19:00
08:00 09:00 10:00 11:00 12:00 13:00 14:00 15:00 16:00 17:00 18:00 19:00

Мы постараемся перезвонить в указанное время

Если вы не хотите ждать, то звоните нашим вежливым консультантам:

8 800 100-2-700
Подтвердите, что вы не робот
Подтвердите, что вы не робот
Спасибо!

Ваше сообщение успешно отправлено!

ЗакрытьПовторить попытку