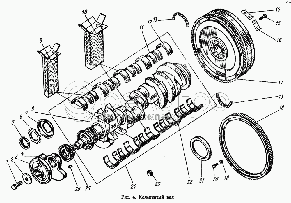
Каталог запасных частей к технике: МАЗ-5433. Коленчатый вал

zoom-in zoom-out enlarge shrink circle-right circle-left file-text2 info cart arraw right arraw left zoom out zoom in arraw maximize arraw minimize
1
2
3
4
5
6
7
8
9
10
11
12
13
13
14
15
16
17
18
19
20
21
22
23
24
25
26
236-1000102-Б2-Р2
Вкладыши сталебронзовые коренных подшипников, комплект на один двигатель, уменьшенные на 0,50 мм (допускается установка 236-1000102-Б-ВР)
В узле: ---
236-1000102-Б2-Р3
Вкладыши сталебронзовые коренных подшипников, комплект на один двигатель, уменьшенные на 0,75 мм (допускается установка 236-1000102-Б-ГР)
В узле: ---
236-1000102-Б2-Р4
Вкладыши сталебронзовые коренных подшипников, комплект на один двигатель, уменьшенные на 1,00 мм (допускается установка 236-1000102-Б-ДР)
В узле: ---
236-1000102-Б2-Р5
Вкладыши сталебронзовые коренных подшипников, комплект на один двигатель, уменьшенные на 1,25 мм (допускается установка 236-1000102-Б-ЕР)
В узле: ---
236-1000102-Б2-Р6
Вкладыши сталебронзовые коренных подшипников, комплект на один двигатель, уменьшенные на 1,50 мм (допускается установка 236-1000102-Б-ЖР)
В узле: ---
236-1000104-В2-Р1
Вкладыши сталебронзовые шатуна, комплект на один двигатель стандартные, уменьшенные на 0,25 мм (допускается установка 236-1000104-В-БР)
В узле: ---
236-1000104-В2-Р2
Вкладыши сталебронзовые шатуна, комплект на один двигатель стандартные, уменьшенные на 0,50 мм (допускается установка 236-1000104-В-ВР)
В узле: ---
236-1000104-В2-Р3
Вкладыши сталебронзовые шатуна, комплект на один двигатель стандартные, уменьшенные на 0,75 мм (допускается установка 236-1000104-В-ГР)
В узле: ---
236-1000104-В2-Р4
Вкладыши сталебронзовые шатуна, комплект на один двигатель стандартные, уменьшенные на 1,00 мм (допускается установка 236-1000104-В-ДР)
В узле: ---
236-1000104-В2-Р5
Вкладыши сталебронзовые шатуна, комплект на один двигатель стандартные, уменьшенные на 1,25 мм (допускается установка 236-1000104-В-ЕР)
В узле: ---
236-1000104-В2-Р6
Вкладыши сталебронзовые шатуна, комплект на один двигатель стандартные, уменьшенные на 1,50 мм (допускается установка 236-1000104-В-ЖР)
В узле: ---
201-1005034-Б3
Манжета в сборе
В узле: 1
236-1000102-Б2-Р1
Вкладыши сталебронзовые коренных подшипников, комплект на один двигатель, уменьшенные на 0,25 мм (допускается установка 236-1000102-Б БР)
В узле: ---
1
310040-П29
Болт шкива коленчатого вала
В узле: ---
2
201-1005066
Шайба
В узле: ---
3
236-1005061-Б
Шкив коленчатого вала
В узле: ---
4
236-1005026-Б
Противовес коленчатого вала передний
В узле: ---
5
236-1005055
Гайка крепления передиего противовеса коленчатого вала
В узле: ---
6
236-1005056-А
Шайба замковая гайки крепления переднего противовеса коленчатого вала
В узле: 1
7
236-1005043
Маслоотражатель коленчатого вала передний
В узле: ---
8
236-1005009-Д
Вал коленчатый с шестерней и маслоотражателями в сборе (на двигатель ставится один из данных коленчатых валов)
В узле: ---
9
236-1000104-В2
Вкладыши сталебронзовые шатуна, комплект на один двигатель стандартные, диаметром 88 мм (допускается уст. 236-1000104-В)
В узле: 1
10
236-1000102-Б2
Вкладыши сталебронзовые коренных подшипников, комплект на один двигатель, номинального размера (допускается установка 236-1000102-Б)
В узле: 1
11
236-1004058-В
Вкладыш шатунного подшипника
В узле: ---
12
236-1005170-В
Вкладыш подшипника коленчатого вала верхний
В узле: ---
13
236-1005183-Д
Полукольцо упорного подшипника коленчатого вала
В узле: 4
14
236-1005129-Б
Пластина замковая левая
В узле: ---
15
236-1005127-А
Болт крепления маховика
В узле: ---
16
236-1005128-А
Пластина замковая правая
В узле: ---
17
236-1005115-Ж2
Маховик в сборе
В узле: ---
18
236-1005125-А2
Обод зубчатый маховика
В узле: ---
19
312579-П29
Шайба замковая болта крепления венца маховика
В узле: ---
20
201501-П29
Болт
В узле: ---
21
236-1005042
Маслоотражатель коленчатого вала задний
В узле: ---
22
236-1005171-В
Вкладыш подшипника коленчатого вала нижний
В узле: ---
23
313933-П31
Заглушка диаметром 30 коленчатого вала
В узле: ---
24
236-1000107-В4
Вал коленчатый со сталебронзовыми коренными и шатунными вкладышами (комплект)
В узле: 1
25
236-1005030-А
Шестерня коленчатого вала
В узле: 1
26
314006-П2
Шпонка сегментная
В узле: ---
Содержащиеся в справочниках-каталогах запасные части и детали не предлагаются к продаже, а носят исключительно информационный характер

Ваша заявка была отправлена. В ближайшее время наши специалисты с Вами свяжутся по указанному Вами телефону.

Представьтесь
Поле обязательно для заполнения
Ваш телефон
Введите правильный номер телефона
E-mail
Введите правильный e-mail
Тема
Тема
применяемость финансирование доставка цена, наличие другое сервис и гарантия
Время для звонка
08:00
08:00 09:00 10:00 11:00 12:00 13:00 14:00 15:00 16:00 17:00 18:00 19:00
19:00
08:00 09:00 10:00 11:00 12:00 13:00 14:00 15:00 16:00 17:00 18:00 19:00

Мы постараемся перезвонить в указанное время

Если вы не хотите ждать, то звоните нашим вежливым консультантам:

8 800 100-2-700
Подтвердите, что вы не робот
Подтвердите, что вы не робот
Спасибо!

Ваше сообщение успешно отправлено!

ЗакрытьПовторить попытку