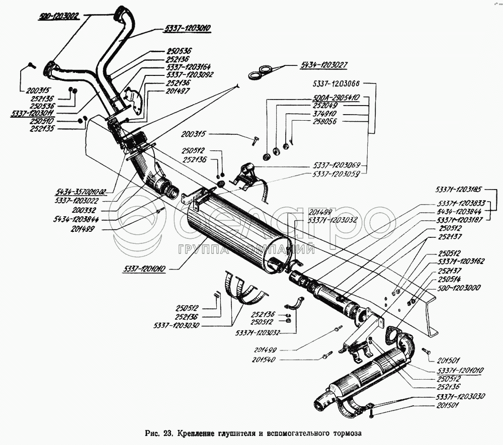
Каталог запасных частей к технике: МАЗ-5433. Крепление глушителя и вспомогательного тормоза

zoom-in zoom-out enlarge shrink circle-right circle-left file-text2 info cart arraw right arraw left zoom out zoom in arraw maximize arraw minimize
250514
250512
250512
250512
250512
250512
250512
201497
201499
201499
201499
200332
252135
250510
250536
250536
252136
252136
252136
252136
252136
252136
252136
200315
200315
201501
201501
5337-1203022
252137
252137
201540
258056
374910
252049
53371-1203833
53371-1203185
53371-1203032
53371-1203032
5337-1203066
53371-1203187
53371-1201010
5434-3570010-02
5434-1203027
500-1203002
5337-1203010
5337-1203011
53371-1203030
500-1203000
53371-1203162-10
5434-1203844
5337-1203092
5337-1203164
5337-1203059
5337-1203069
500А-2905410
5337-1203030
5337-1201010
5434-1203844
500А-2905410
Буфер
В узле: ---
500А-2905410 Втулка амортизатора (одинарная) <10 шт. 93.01 р.
250514
Гайка М12-6Н
В узле: ---
250512
Гайка М10-6Н
В узле: ---
201497
Болт М10-6gх25
В узле: ---
201499
Болт М10-6gх30
В узле: ---
200332
Болт М10-6gх115
В узле: ---
252135
Шайба 8Т
В узле: ---
250510
Гайка М8-6Н
В узле: ---
250536
Гайка М10-6Н
В узле: ---
252136
Шайба 10.ОТ
В узле: ---
200315
Болт М10-6gх40
В узле: ---
201501
Болт М10-6gх35
В узле: ---
5337-1203022
Тройник
В узле: ---
252137
Шайба 12.ОТ
В узле: ---
201540
Болт М12-6gх30
В узле: ---
258056
Шплинт 4х40
В узле: ---
374910
Гайка М20х1,5-5Н6Н
В узле: ---
252049
Шайба 20
В узле: ---
53371-1203833
-
В узле: ---
53371-1203185
-
В узле: ---
53371-1203032
Хомут соединительный
В узле: ---
5337-1203066
Подвеска глушителя
В узле: ---
53371-1203187
Патрубок в сборе
В узле: ---
53352-3570034
Втулка заслонки
В узле: 1
53371-1201010
Глушитель
В узле: 1
5434-3570010-02
Заслонка моторного тормоза, останова двигателя
В узле: 1
5434-1203027
Прокладка
В узле: 4
500-1203002
Прокладка
В узле: 4
5337-1203010
Труба глушителя приемная, правая
В узле: 1
5337-1203011
Труба приемная левая
В узле: 1
53371-1203030
Хомут
В узле: ---
500-1203000
Прокладка с окантовкой
В узле: ---
53371-1203162-10
Кронштейн
В узле: ---
5434-3570034
Втулка заслонки
В узле: 1
5434-1203844
Кольцо
В узле: ---
5337-1203092
Кронштейн
В узле: ---
5337-1203164
Хомут
В узле: ---
5337-1203059
Кронштейн
В узле: ---
5337-1203069
Кронштейн
В узле: ---
5337-1203030
Хомут
В узле: ---
5337-1201010
Глушитель
В узле: ---
Содержащиеся в справочниках-каталогах запасные части и детали не предлагаются к продаже, а носят исключительно информационный характер

Ваша заявка была отправлена. В ближайшее время наши специалисты с Вами свяжутся по указанному Вами телефону.

Представьтесь
Поле обязательно для заполнения
Ваш телефон
Введите правильный номер телефона
E-mail
Введите правильный e-mail
Тема
Тема
применяемость финансирование доставка цена, наличие другое сервис и гарантия
Время для звонка
08:00
08:00 09:00 10:00 11:00 12:00 13:00 14:00 15:00 16:00 17:00 18:00 19:00
19:00
08:00 09:00 10:00 11:00 12:00 13:00 14:00 15:00 16:00 17:00 18:00 19:00

Мы постараемся перезвонить в указанное время

Если вы не хотите ждать, то звоните нашим вежливым консультантам:

8 800 100-2-700
Подтвердите, что вы не робот
Подтвердите, что вы не робот
Спасибо!

Ваше сообщение успешно отправлено!

ЗакрытьПовторить попытку