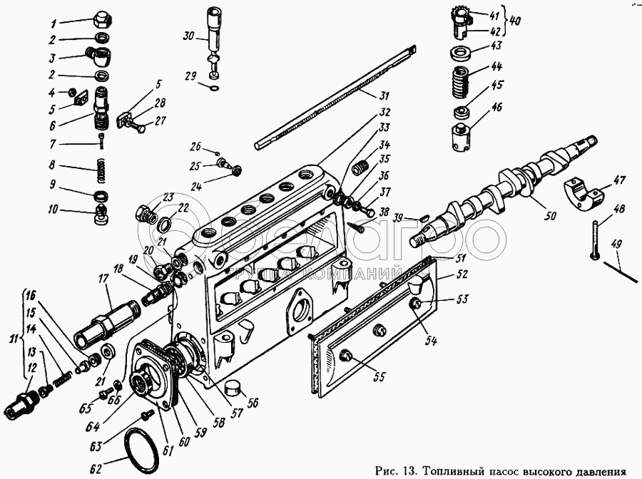
Каталог запасных частей к технике: МАЗ-5433. Топливный насос высокого давления

zoom-in zoom-out enlarge shrink circle-right circle-left file-text2 info cart arraw right arraw left zoom out zoom in arraw maximize arraw minimize
1
2
2
3
4
5
5
6
7
8
9
10
11
14
15
17
18
19
20
21
21
22
23
24
25
26
27
28
29
30
31
32
33
34
35
36
37
38
39
40
41
42
43
44
45
46
47
48
49
50
51
52
53
54
55
56
57
58
59
60
61
62
63
64
65
66
901.1111102
Клапан нагнетательный в сборе
В узле: 6
310121-П
Болт регулировочный толкателя
В узле: 6
60.1111118
Штуцер топливного насоса (уст. до 1988 г.)
В узле: 6
236-1111614
Труба подвода масла к ТНВД
В узле: 1
236-1111620
Труба отвода масла от ТНВД
В узле: 1
201-1117116-А
Прокладка фильтрующего элемента
В узле: 1
236-1115036-А2
Прокладка соединительного патрубка
В узле: 2
60.1111086
Прокладка нагнетательного клапана
В узле: 6
201-1117118
Прокладка крышки фильтра тонкой очистки топлива
В узле: 1
201-1114065-А2
Прокладка крышки заливной горловины
В узле: 1
201-1306075-А
Прокладка заглушки водяного канала блока цилиндрв
В узле: 6
236-1306054-А
Прокладка коробки водяного термостата
В узле: 2
236-1115026
Прокладка впускного коллектора
В узле: 6
120-126-36-2-1
Кольцо уплотнительное корпуса муфты
В узле: 1
005-008-19-2-2
Кольцо уплотнительное
В узле: 9
60.3906060-10
Комплект автоматической муфты с кулачковым валом (уст. до 1988 г.)
В узле: 1
60.3906065-10
Комплект корпуса топливного насоса (уст. до 1988 г.)
В узле: 1
311415-П
Контргайка
В узле: 6
2,2-25Х42-2
Манжета
В узле: 1
60.1111005-30
Насос топливный высокого давления в сборе. (Взамен 60.1111005-20)
В узле: 1
60.1111073
Пара плунжерная топливного насоса в сборе (уст. до 1988 г.)
В узле: 6
1
312107-П15
Гайка колпачковая
В узле: ---
2
312450-П
Шайба ниппеля
В узле: ---
3
236-1111116
Ниппель соединительный
В узле: ---
4
250508-П29
Гайка М6
В узле: ---
5
236-1111120
Сухарь штуцера
В узле: ---
6
60.1111118-20
Штуцер топливного насоса
В узле: 6
7
60.1111113-10
Упор клапана
В узле: ---
8
33-1111108
Пружина нагнетательного клапана
В узле: 6
9
236-1111086
Прокладка нагнетательного клапана
В узле: ---
10
901.1111102-20
Клапан нагнетательный в сборе (уст. с 1988 г.)
В узле: 6
11
33-1111282-01
Клапан в сборе
В узле: 1
14
33.1111289
Пружина клапана
В узле: ---
15
33.1111290
Направляющая клапана
В узле: ---
17
236-1111238-Е
Втулка ограничителя мощности
В узле: ---
18
236-1111249-В
Винт ограничителя мощности
В узле: ---
19
236-1111245
Кольцо уплотнительное ограничителя мощности
В узле: 1
20
236-1111032
Ввертыш корпуса
В узле: ---
21
312630-П
Шайба жиклера
В узле: ---
22
312445-П
Шайба
В узле: ---
23
236М-1111034-А
Ввертыш
В узле: ---
24
312353-П
Шайба
В узле: ---
25
310952-П15
Винт стопорный
В узле: ---
26
236-1111154-А
Стопор винта
В узле: ---
27
201426-П29
Болт стяжной сухаря
В узле: ---
28
252134-П29
Шайба пружинная
В узле: ---
29
236М-1111083-А
Кольцо
В узле: 8
30
60.1111073-10
Пара плунжерная топливного насоса
В узле: 6
31
238-1111040
Рейка ТНВД
В узле: 1
32
60.1111020-21
Корпус топливного насоса (уст.с 1988 г.)
В узле: 1
33
312449-П
Шайба
В узле: ---
34
236-1111050
Пробка корпуса в сборе
В узле: ---
35
236-1111036
Ввертыш
В узле: ---
36
312446-П
Шайба
В узле: ---
37
852882-П15
Пробка
В узле: ---
38
236-1111122
Винт установочный втулки плунжера
В узле: 6
39
314019-П
Шпонка сегментная
В узле: ---
40
236-1111060
Венец зубчатый со втулкой в сборе
В узле: ---
41
236-1111062
Венец зубчатый
В узле: 6
42
236-1111064
Втулка зубчатого венца
В узле: ---
43
236-1111150-Б
Тарелка пружины толкателя верхняя
В узле: ---
44
236-1111148-Б
Пружина толкателя топливного насоса
В узле: 6
45
236-1111151-Е
Тарелка нижняя
В узле: ---
46
60.1111136-02
Толкатель плунжера в сборе
В узле: 6
47
236-1111177-Б3
Опора кулачкового вала
В узле: 1
48
852007-П15
Болт
В узле: ---
49
852702-П
Шплинт-проволока
В узле: ---
50
60.1111172-30
Вал кулачковый
В узле: 1
51
236-1111226-А2
Прокладка крышки насоса высокого давления
В узле: 1
52
60.1111222
Крышка насоса высокого давления
В узле: ---
53
236-1111227-Б
Винт крепления крышки
В узле: ---
54
312651-П
Шайба
В узле: ---
55
236-1111229-Б
Винт крепления крышки
В узле: ---
56
236-1111027
Заглушка чашечная
В узле: ---
57
3124394115
Шайба
В узле: ---
58
7204А
Подшипник роликовый кулачкового вала
В узле: 2
59
236-1111194
Прокладка крышки
В узле: 1
60
236-1111193
Прокладка крышки
В узле: 1
61
60.1111182-10
Крышка подшипника
В узле: 1
62
236-1111196
Кольцо уплотнительное корпуса регулятора
В узле: 1
63
311200-П29
Винт
В узле: ---
64
236-1111186-А3
Манжета (уст. до 1988 г.)
В узле: 1
65
310704-П29
Винт
В узле: ---
66
312446-П
Шайба
В узле: ---
Содержащиеся в справочниках-каталогах запасные части и детали не предлагаются к продаже, а носят исключительно информационный характер

Ваша заявка была отправлена. В ближайшее время наши специалисты с Вами свяжутся по указанному Вами телефону.

Представьтесь
Поле обязательно для заполнения
Ваш телефон
Введите правильный номер телефона
E-mail
Введите правильный e-mail
Тема
Тема
применяемость финансирование доставка цена, наличие другое сервис и гарантия
Время для звонка
08:00
08:00 09:00 10:00 11:00 12:00 13:00 14:00 15:00 16:00 17:00 18:00 19:00
19:00
08:00 09:00 10:00 11:00 12:00 13:00 14:00 15:00 16:00 17:00 18:00 19:00

Мы постараемся перезвонить в указанное время

Если вы не хотите ждать, то звоните нашим вежливым консультантам:

8 800 100-2-700
Подтвердите, что вы не робот
Подтвердите, что вы не робот
Спасибо!

Ваше сообщение успешно отправлено!

ЗакрытьПовторить попытку