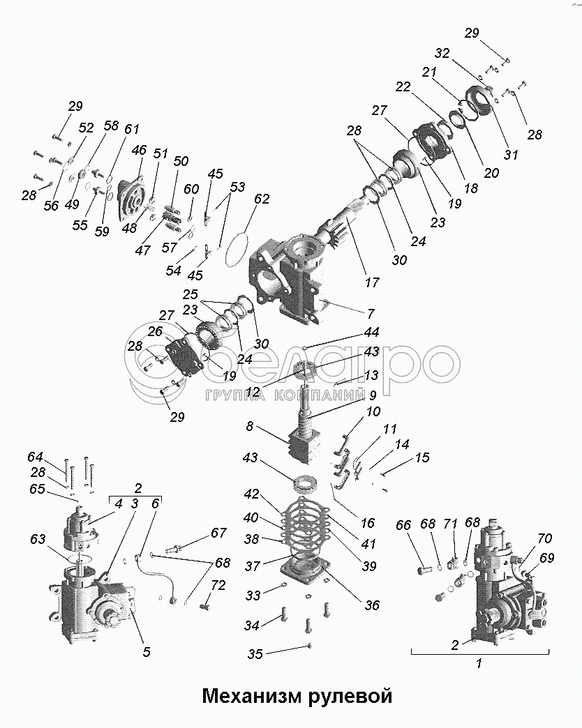
Каталог запасных частей к технике: МАЗ-543403, 641705, 641708. Механизм рулевой

zoom-in zoom-out enlarge shrink circle-right circle-left file-text2 info cart arraw right arraw left zoom out zoom in arraw maximize arraw minimize
1
2
2
3
4
5
6
7
8
9
10
11
12
13
14
15
16
17
18
19
19
20
21
22
23
23
24
24
25
26
27
27
28
28
28
28
28
29
29
29
30
30
31
32
33
34
35
36
37
38
39
40
41
42
43
43
44
45
45
46
47
48
49
50
51
52
53
54
55
56
57
58
59
60
61
62
63
64
65
66
67
68
68
68
69
70
71
72
1
64221-3400008-02
Механизм рулевой
В узле: 1
2
64221-3400010
Механизм рулевой с распределителем
В узле: 1
3
64221-3401005
Механизм рулевой
В узле: 1
4
5336-3416010-01
Распределитель
В узле: 1
5
64221-3430010
Клапан
В узле: 1
6
64221-3401210-001
Трубка
В узле: 1
7
64221-3401015
Картер
В узле: 1
8
64229-3401036
Гайка-рейка
В узле: 1
9
5336-3401038
Винт
В узле: 1
10
64229-3401056
Направляющая
В узле: 4
11
64229-3401057
Прижим
В узле: 1
12
5336-3401148
Торсион
В узле: 1
13
5336-3401162
Фиксатор торсиона
В узле: 1
14
252135
Шайба 8Т
В узле: 2
15
201464
Болт М8-6gх40
В узле: 2
16
7-938-40
Шарик
В узле: 102
17
64221-3401065
Сектор
В узле: 1
18
5336-3401083
Крышка
В узле: 1
19
5336-3401159
Фиксатор
В узле: 2
20
5336-3401108 -01
Кольцо защитное
В узле: 1
21
400424
Кольцо А65
В узле: 2
22
1.2-45x65-3
Манжета
В узле: 1
23
6422-3401084-10
Вкладыш
В узле: 2
24
64229-3401088
Кольцо
В узле: 2
25
6-ИКВ-45x55x16
Подшипник
В узле: 4
26
5336-3401087
Крышка
В узле: 1
27
098-102-25-2-3
Кольцо
В узле: 2
28
252136
Шайба 10.ОТ
В узле: 16
29
201497
Болт М10-6gх25
В узле: 8
30
5336-3401156
Кольцо
В узле: 2
31
64221-3401066
Уплотнитель
В узле: 1
32
311702
Гайка М33х1,5-5Н6Н
В узле: 1
33
252137
Шайба 12.ОТ
В узле: 4
34
1/55404/21
Болт М12х1,25.30.38хА
В узле: 4
35
262541
Пробка КГ 1/8"
В узле: 1
36
5336-3401061
Крышка нижняя
В узле: 1
37
082-090-46-2-3
Кольцо
В узле: 1
38
5336-3401185
Прокладка
В узле: 3
39
5336-3401186
Прокладка
В узле: 4
40
5336-3401187
Прокладка
В узле: 3
41
5336-3401188
Прокладка
В узле: 1
42
5336-3401189
Прокладка
В узле: 1
43
263706-Е
Подшипник
В узле: 2
44
008-012-25-2-3
Кольцо
В узле: 1
45
64221-3430040
Рычаг
В узле: 2
46
64221-3430015
Корпус
В узле: 1
47
64221-3430020
Золотник
В узле: 1
48
64221-3430022
Пружина
В узле: 1
49
64221-3430026
Заглушка
В узле: 1
50
64221-3430031
Опора
В узле: 2
51
64221-3430033
Толкатель
В узле: 2
52
64221-3430051
Гайка
В узле: 2
53
64221-3430052
Заклепка
В узле: 2
54
64221-3430053
Заклепка
В узле: 1
55
64221-3430037
Пробка регулировочная
В узле: 2
56
400540
Кольцо В23
В узле: 1
57
400378
Кольцо В30
В узле: 1
58
400367
Кольцо
В узле: 2
59
030-033-19-2-3
Кольцо
В узле: 1
60
018-022-25-2-3
Кольцо
В узле: 2
61
025-029-25-2-3
Кольцо
В узле: 2
62
105-110-25-2-3
Кольцо
В узле: 1
63
085-090-25-2-3
Кольцо
В узле: 1
64
200325
Болт М10-6gх80
В узле: 4
65
5x8
Штифт 5x8
В узле: 1
66
64221-3408017
Болт приводной
В узле: 2
67
64226-3408033
Штуцер
В узле: 1
68
016-022-25-2-3
Кольцо
В узле: 8
69
64226-3408035
Штуцер
В узле: 1
70
017-021-25-2-3
Кольцо
В узле: 1
71
64221-3408016
Наконечник
В узле: 2
72
503-3405188-10
Болт
В узле: 1
Содержащиеся в справочниках-каталогах запасные части и детали не предлагаются к продаже, а носят исключительно информационный характер

Ваша заявка была отправлена. В ближайшее время наши специалисты с Вами свяжутся по указанному Вами телефону.

Представьтесь
Поле обязательно для заполнения
Ваш телефон
Введите правильный номер телефона
E-mail
Введите правильный e-mail
Тема
Тема
применяемость финансирование доставка цена, наличие другое сервис и гарантия
Время для звонка
08:00
08:00 09:00 10:00 11:00 12:00 13:00 14:00 15:00 16:00 17:00 18:00 19:00
19:00
08:00 09:00 10:00 11:00 12:00 13:00 14:00 15:00 16:00 17:00 18:00 19:00

Мы постараемся перезвонить в указанное время

Если вы не хотите ждать, то звоните нашим вежливым консультантам:

8 800 100-2-700
Подтвердите, что вы не робот
Подтвердите, что вы не робот
Спасибо!

Ваше сообщение успешно отправлено!

ЗакрытьПовторить попытку