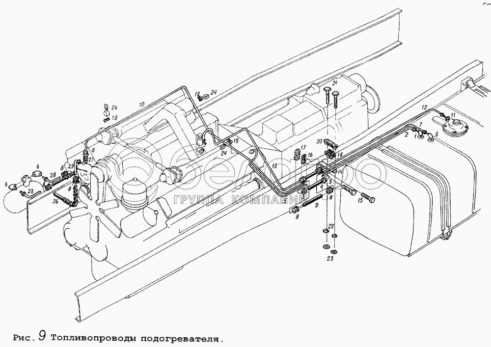
Каталог запасных частей к технике: МАЗ-5434. Топливопроводы подогревателя

zoom-in zoom-out enlarge shrink circle-right circle-left file-text2 info cart arraw right arraw left zoom out zoom in arraw maximize arraw minimize
1
2
3
3
4
5
6
6
6
7
8
8
8
8
8
9
10
11
12
13
14
15
16
17
18
19
19
19
20
21
22
23
24
24
26
26
27
28
28
29
1
379054
Угольник
В узле: 1
2
5434-1104619
Трубка отводящая от форсунок задняя
В узле: 1
3
500-3917366
Манжета
В узле: 2
4
500-3509265
Шланг соединительный
В узле: 1
5
5434-1104618
Трубка отводящая передняя
В узле: 1
6
379053
Угольник
В узле: 1
7
5434-1104607
Трубка отводящая задняя
В узле: 1
8
500-3506095
Манжета обжимная
В узле: 4
9
500-1104498
Шланг
В узле: 2
10
5434-1104588-10
Трубка отводящая передняя
В узле: 1
11
314612
Ниппель
В узле: 1
12
5434-1104495
Трубка всасывающая задняя
В узле: 1
13
5434-1104494
Трубка всасывающая передняя
В узле: 1
14
5434-1104016
Кронштейн
В узле: 1
15
201497
Болт М10-6gх25
В узле: 2
16
252136
Шайба 10.ОТ
В узле: 2
17
250512
Гайка М10-6Н
В узле: 2
18
500-1104541-Б
Втулка
В узле: 1
19
500-1104540
Втулка
В узле: 5
20
5551-1104012
Хомут
В узле: 1
21
200213
Болт М6-6gх35
В узле: 2
22
252134
Шайба 6Т
В узле: 2
23
250508
Гайка М6-6Н
В узле: 2
24
379166
Кляммер
В узле: 2
24
403600
Кляммер
В узле: 1
26
500-3506064-Б1
Шланг
В узле: 2
27
500-3506097
Пружина
В узле: 2
28
5551-1104589
Наконечник угловой
В узле: 2
29
5551-1104582
Топливопровод
В узле: 1
Содержащиеся в справочниках-каталогах запасные части и детали не предлагаются к продаже, а носят исключительно информационный характер

Ваша заявка была отправлена. В ближайшее время наши специалисты с Вами свяжутся по указанному Вами телефону.

Представьтесь
Поле обязательно для заполнения
Ваш телефон
Введите правильный номер телефона
E-mail
Введите правильный e-mail
Тема
Тема
применяемость финансирование доставка цена, наличие другое сервис и гарантия
Время для звонка
08:00
08:00 09:00 10:00 11:00 12:00 13:00 14:00 15:00 16:00 17:00 18:00 19:00
19:00
08:00 09:00 10:00 11:00 12:00 13:00 14:00 15:00 16:00 17:00 18:00 19:00

Мы постараемся перезвонить в указанное время

Если вы не хотите ждать, то звоните нашим вежливым консультантам:

8 800 100-2-700
Подтвердите, что вы не робот
Подтвердите, что вы не робот
Спасибо!

Ваше сообщение успешно отправлено!

ЗакрытьПовторить попытку